N7205A110B00 - 第177页
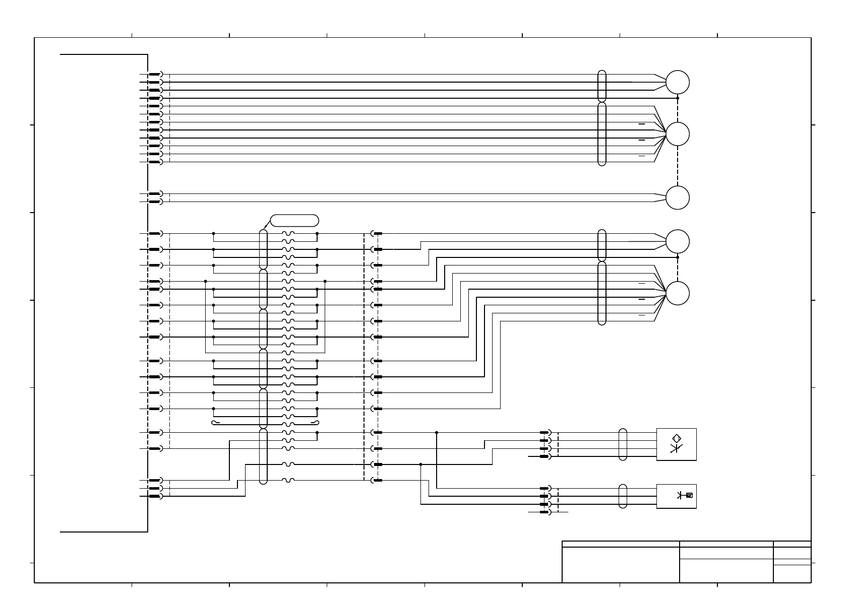
CN6 1 7 8 2 9 3 4 10 5 11 6 12 CN9 1 2 1 7 8 MOLEX CN6K301 43025-1200 2 9 3 4 10 5 11 6 12 A A B B Z Z EB VDD GND U V W FG M EN -M406 RD WH BK GY RD BK BU BN GN VT WH YE BU BU MOLEX CN9 43025-0200 2 1 Z3-Axis 1 9 10 MOLE…

CN4
1
7
8
2
9
3
4
10
5
11
6
12
CN8
1
2
1
7
8
MOLEX
CN4K301
43025-1200
2
9
3
4
10
5
11
6
12
A
A
B
B
Z
Z
EB
VDD
GND
U
V
W
FG
M
EN
-M404
RD
WH
BK
GY
RD
BK
BU
BN
GN
VT
WH
YE
BU
BU
MOLEX
CN8
43025-0200
2
1
Z2-Axis
1
9
10
MOLEX
T1M402P
43020-1600
2
11
3
4
12
5
13
6
14
7
8
15
16
θ2-Axis
A
A
B
B
Z
Z
EN
M
U
V
W
FG
VDD
GND
-M402
RD
WH
BK
GY
RD
BK
BU
BN
GN
VT
WH
YE
4
MOLEX
Z2P
43020-0400
3
2
1
4
MOLEX
F2P
43020-0400
3
2
1
4
MOLEX
Z2R
43025-0400
3
2
1
4
MOLEX
F2R
43025-0400
3
2
1
RD
BK
BU
RD
BK
BU
-B1012
WH
BU
BK
BN
Z2-Axis Cushion End
-B1002
+V
OUT
0V
Flow Sensor2
BU
BK
BN
PMC0AK
U
V
W
FG
VDD
GND
A
/A
B
/B
Z
/Z
PV24
A-BRAKE
-K301
CN3
1
8
CN21
1
2
3
9
2
10
3
4
11
5
12
6
13
14
7
1
8
9
MOLEX
CN3K301
43025-1400
2
10
3
4
11
5
12
6
13
14
7
MOLEX
CN21K301
502380-0300
3
2
1
16
15
8
7
14
6
13
5
12
4
3
11
2
MOLEX
T1M402R
43025-1600
10
9
1
GN
YE
BK
WH
RD
GN
YE
BK
WH
RD
GN
YE
BK
WH
RD
GN
YE
BK
WH
RD
GN
YE
BK
WH
RD
U
V
W
A
/A
PV24
CEND1
PV24
SENSOR1
GND
GN
YE
BK
WH
RD
FH-RMFEV AWG25/5C*6
N610119372AC
FG
VDD
GND
B
/B
Z
/Z
1
1
2
Panasonic Factory Solutions Co.,Ltd. パナソニック ファクトリーソリューションズ株式会社
Name
Drawing No.
Loc. No.
F4K1020-05A
1
2 3 4 5 6 7 8
A
B
C
D
E
F
1 2 3 4 5 6 7 8
A
B
C
D
E
F
Page. No.
3_NOZZLE HEAD
(Z2-axis,θ2-axis Wiring)
N610117728+005AC
P005

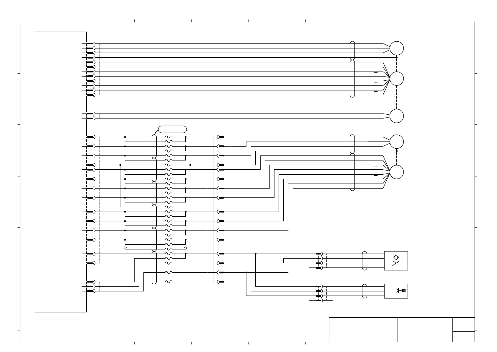
CN6
1
7
8
2
9
3
4
10
5
11
6
12
CN9
1
2
1
7
8
MOLEX
CN6K301
43025-1200
2
9
3
4
10
5
11
6
12
A
A
B
B
Z
Z
EB
VDD
GND
U
V
W
FG
M
EN
-M406
RD
WH
BK
GY
RD
BK
BU
BN
GN
VT
WH
YE
BU
BU
MOLEX
CN9
43025-0200
2
1
Z3-Axis
1
9
10
MOLEX
T1M405P
43020-1600
2
11
3
4
12
5
13
6
14
7
8
15
16
θ3-Axis
A
A
B
B
Z
Z
EN
M
U
V
W
FG
VDD
GND
-M405
RD
WH
BK
GY
RD
BK
BU
BN
GN
VT
WH
YE
4
MOLEX
Z3P
43020-0400
3
2
1
4
MOLEX
F3P
43020-0400
3
2
1
4
MOLEX
Z3R
43025-0400
3
2
1
4
MOLEX
F3R
43025-0400
3
2
1
RD
BK
BU
RD
BK
BU
-B1013
WH
BU
BK
BN
Z3-Axis Cushion End
-B1003
+V
OUT
0V
Flow Sensor3
BU
BK
BN
PMC0AK
U
V
W
FG
VDD
GND
A
/A
B
/B
Z
/Z
PV24
A-BRAKE
-K301
CN5
1
8
CN22
1
2
3
9
2
10
3
4
11
5
12
6
13
14
7
1
8
9
MOLEX
CN5K301
43025-1400
2
10
3
4
11
5
12
6
13
14
7
MOLEX
CN22K301
502380-0300
3
2
1
16
15
8
7
14
6
13
5
12
4
3
11
2
MOLEX
T1M405R
43025-1600
10
9
1
GN
YE
BK
WH
RD
GN
YE
BK
WH
RD
GN
YE
BK
WH
RD
GN
YE
BK
WH
RD
GN
YE
BK
WH
RD
U
V
W
A
/A
PV24
CEND1
PV24
SENSOR1
GND
GN
YE
BK
WH
RD
FH-RMFEV AWG25/5C*6
N610119373AC
FG
VDD
GND
B
/B
Z
/Z
1
1
2
Panasonic Factory Solutions Co.,Ltd. パナソニック ファクトリーソリューションズ株式会社
Name
Drawing No.
Loc. No.
F4K1020-05A
1
2 3 4 5 6 7 8
A
B
C
D
E
F
1 2 3 4 5 6 7 8
A
B
C
D
E
F
Page. No.
3_NOZZLE HEAD
(Z3-axis,θ3-axis Wiring)
N610117728+006AC
P006

4
MOLEX
CN10
502380-0400
3
2
1
4
MOLEX
CN11
502380-0400
3
2
1
4
MOLEX
CN12
502380-0400
3
2
1
-B1014
BK
BU
BN
WH
-B1015
BK
BU
BN
WH
-B1016
BK
BU
BN
WH
JAPAN SOLDERLESS TER
CN14K301
PAP-03V-S
3
2
1
BK
YE
RD
M
-G1001
7
6
5
4
JAPAN SOLDERLESS TER
CN15K301
PAP-07V-S
3
2
1
7
6
5
4
JAPAN SOLDERLESS TER
CN16K301
PAP-07V-S
3
2
1
SMC
R3013R
SY100-29-1
-
+
SMC
R3014R
SY100-29-1
-
+
SMC
R3015R
SY100-29-1
-
+
SMC
R3001R
SY100-29-1
-
+
SMC
R3002R
SY100-29-1
-
+
SMC
R3003R
SY100-29-1
-
+
-R3013
-R3014
-R3015
-R3001
-R3002
-R3003
5
4
JAPAN SOLDERLESS TER
CN23K301
PAP-05V-S
3
2
1
2
OMRON
B5001R
XS2C-D422
4
3
1
2464-1061/ⅡA(PF) LF 2P×24AWG
RD
RD/WH
BK
BK/WH
MAKER
TYPE
-B5001
V
p
24 V
GND
SIG
MON
CN10
1
2
3
4
CN11
1
2
3
4
CN12
1
2
3
4
CN23
1
2
3
4
5
PV24
CN14
1
2
3
CN15
1
2
3
4
5
6
7
CN16
1
2
3
4
5
6
7
PMC0AK
1
3
4
2
Z1-Axis Rough Origin
Z2-Axis Rough Origin
Electro-Pneumatic
Transducing Regulator
Load Control
CPU Cooling FAN
Blow valve1
Blow valve2
Vacuum Valve1
Vacuum Valve2
Z3-Axis Rough Origin
Blow valve3
Vacuum Valve3
N610119374AB
+24V
Z#1-OVR
GND
NC
+24V
Z#2-OVR
GND
NC
+24V
Z#3-OVR
GND
NC
+24V
GND
REG-OUT
NC
NC
FANALM
FANON
BLOW1
BLOW2
BLOW3
NC
VALVE1
VALVE2
VALVE3
NC
-K301
2464-1061/ⅡA(PF) LF 3P×24AWG
GN/WH
GN
BK/WH
BK
RD/WH
RD
2464-1061/ⅡA(PF) LF 3P×24AWG
GN/WH
GN
BK/WH
BK
RD/WH
RD
N610119375AB
N610119376AB
1
1
1
1
1
1
1
1
1
1
1
1
Panasonic Factory Solutions Co.,Ltd. パナソニック ファクトリーソリューションズ株式会社
Name
Drawing No.
Loc. No.
F4K1020-05A
1
2 3 4 5 6 7 8
A
B
C
D
E
F
1 2 3 4 5 6 7 8
A
B
C
D
E
F
Page. No.
3_NOZZLE HEAD
(Sensor & Valve Wiring)
N610117728+007AB
P007