N7205A110B00 - 第209页
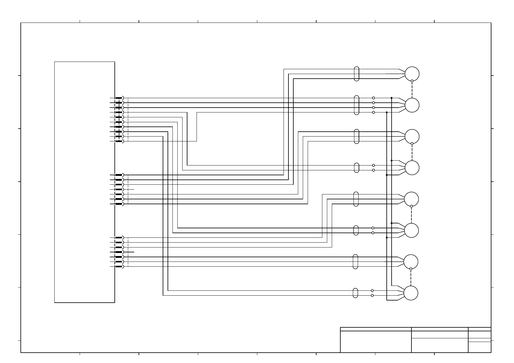
-K301 PMC0A3 CN3 1 2 3 4 5 6 7 Z5-PHASE_V Z5-PHASE_U FG Z5-PHASE_W VDD A B GND U V W SM SSG -M407 RMTA-A002A16-MA12 RD WH BU RD1 BU1 WH1 BK YASKAWA ELECTRIC Z6-PHASE_V Z6-PHASE_U Z6-PHASE_W CN10 Z5-A +5V Z6-A Z5-B Z7-A Z…

-K301
PMC0A3
CN1
1
2
3
4
5
6
7
Z1-PHASE_V
Z1-PHASE_U
FG
Z1-PHASE_W
VDD
A
B
GND
U
V
W
SM
SSG
-M403
RMTA-A002A16-MA12
RD
WH
BU
RD1
BU1
WH1
BK
YASKAWA ELECTRIC
Z2-PHASE_V
Z2-PHASE_U
Z2-PHASE_W
CN9
Z1-A
+5V
Z2-A
Z1-B
Z3-A
Z2-B
Z3-B
Z4-B
Z4-A
GND
CN2
1
2
3
4
5
6
7
Z3-PHASE_V
Z3-PHASE_U
FG
Z3-PHASE_W
Z4-PHASE_V
Z4-PHASE_U
Z4-PHASE_W
Z1-axis motor
Z1-axis encoder
Z2-axis motor
Z2-axis encoder
A
B
U
V
W
SM
SSG
-M404
RMTA-A002A16-MA12
RD
WH
BU
BU1
WH1
YASKAWA ELECTRIC
Z3-axis motor
Z3-axis encoder
Z4-axis motor
Z4-axis encoder
A
B
U
V
W
SM
SSG
-M405
RMTA-A002A16-MA12
RD
WH
BU
BU1
WH1
YASKAWA ELECTRIC
A
B
U
V
W
SM
SSG
-M406
RMTA-A002A16-MA12
RD
WH
BU
BU1
WH1
YASKAWA ELECTRIC
CN9
1
2
3
4
5
6
7
8
9
10
JAPAN SOLDERLESS TER
1
PAP-07V-S
7
6
5
4
3
2
1
MOLEX
9
502380-1000
1
2
3
4
5
6
7
8
9
10
JAPAN SOLDERLESS TER
2
PAP-07V-S
7
6
5
4
3
2
1
Panasonic Factory Solutions Co.,Ltd. パナソニック ファクトリーソリューションズ株式会社
Name
Drawing No.
Loc. No.
F4K1020-05A
1
2 3 4 5 6 7 8
A
B
C
D
E
F
1 2 3 4 5 6 7 8
A
B
C
D
E
F
Page. No.
Light Weight 16 Nozzle Head (H):NPM
(Z 1-4 axis wiring)
N610159868+005AA
P005

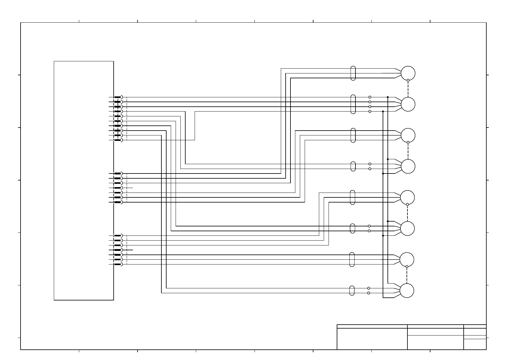
-K301
PMC0A3
CN3
1
2
3
4
5
6
7
Z5-PHASE_V
Z5-PHASE_U
FG
Z5-PHASE_W
VDD
A
B
GND
U
V
W
SM
SSG
-M407
RMTA-A002A16-MA12
RD
WH
BU
RD1
BU1
WH1
BK
YASKAWA ELECTRIC
Z6-PHASE_V
Z6-PHASE_U
Z6-PHASE_W
CN10
Z5-A
+5V
Z6-A
Z5-B
Z7-A
Z6-B
Z7-B
Z8-B
Z8-A
GND
CN4
1
2
3
4
5
6
7
Z7-PHASE_V
Z7-PHASE_U
FG
Z7-PHASE_W
Z8-PHASE_V
Z8-PHASE_U
Z8-PHASE_W
Z5-axis motor
Z5-axis encoder
Z6-axis motor
Z6-axis encoder
A
B
U
V
W
SM
SSG
-M408
RMTA-A002A16-MA12
RD
WH
BU
BU1
WH1
YASKAWA ELECTRIC
Z7-axis motor
Z7-axis encoder
Z8-axis motor
Z8-axis encoder
A
B
U
V
W
SM
SSG
-M409
RMTA-A002A16-MA12
RD
WH
BU
BU1
WH1
YASKAWA ELECTRIC
A
B
U
V
W
SM
SSG
-M410
RMTA-A002A16-MA12
RD
WH
BU
BU1
WH1
YASKAWA ELECTRIC
1
2
3
4
5
6
7
8
9
10
JAPAN SOLDERLESS TER
3
PAP-07V-S
7
6
5
4
3
2
1
MOLEX
10
502380-1000
1
2
3
4
5
6
7
8
9
10
JAPAN SOLDERLESS TER
4
PAP-07V-S
7
6
5
4
3
2
1
Panasonic Factory Solutions Co.,Ltd. パナソニック ファクトリーソリューションズ株式会社
Name
Drawing No.
Loc. No.
F4K1020-05A
1
2 3 4 5 6 7 8
A
B
C
D
E
F
1 2 3 4 5 6 7 8
A
B
C
D
E
F
Page. No.
Light Weight 16 Nozzle Head (H):NPM
(Z 5-8 axis wiring)
N610159868+006AA
P006

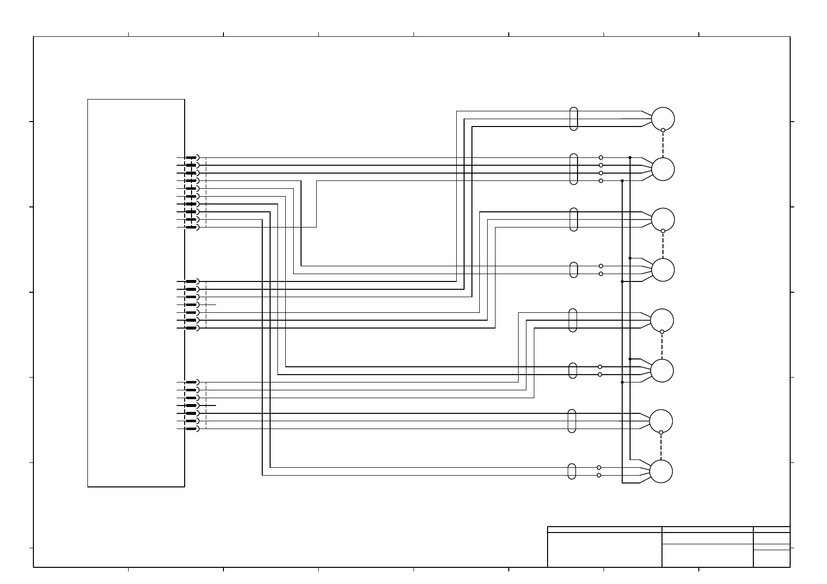
-K301
PMC0A3
CN5
1
2
3
4
5
6
7
Z9-PHASE_V
Z9-PHASE_U
FG
Z9-PHASE_W
VDD
A
B
GND
U
V
W
SM
SSG
-M411
RMTA-A002A16-MA12
RD
WH
BU
RD1
BU1
WH1
BK
YASKAWA ELECTRIC
Z10-PHASE_V
Z10-PHASE_U
Z10-PHASE_W
CN11
Z9-A
+5V
Z10-A
Z9-B
Z11-A
Z10-B
Z11-B
Z12-B
Z12-A
GND
CN6
1
2
3
4
5
6
7
Z11-PHASE_V
Z11-PHASE_U
FG
Z11-PHASE_W
Z12-PHASE_V
Z12-PHASE_U
Z12-PHASE_W
Z9-axis motor
Z9-axis encoder
Z10-axis motor
Z10-axis encoder
A
B
U
V
W
SM
SSG
-M412
RMTA-A002A16-MA12
RD
WH
BU
BU1
WH1
YASKAWA ELECTRIC
Z11-axis motor
Z11-axis encoder
Z12-axis motor
Z12-axis encoder
A
B
U
V
W
SM
SSG
-M413
RMTA-A002A16-MA12
RD
WH
BU
BU1
WH1
YASKAWA ELECTRIC
A
B
U
V
W
SM
SSG
-M414
RMTA-A002A16-MA12
RD
WH
BU
BU1
WH1
YASKAWA ELECTRIC
1
2
3
4
5
6
7
8
9
10
JAPAN SOLDERLESS TER
5
PAP-07V-S
7
6
5
4
3
2
1
MOLEX
11
502380-1000
1
2
3
4
5
6
7
8
9
10
JAPAN SOLDERLESS TER
6
PAP-07V-S
7
6
5
4
3
2
1
Panasonic Factory Solutions Co.,Ltd. パナソニック ファクトリーソリューションズ株式会社
Name
Drawing No.
Loc. No.
F4K1020-05A
1
2 3 4 5 6 7 8
A
B
C
D
E
F
1 2 3 4 5 6 7 8
A
B
C
D
E
F
Page. No.
Light Weight 16 Nozzle Head (H):NPM
(Z 9-12 axis wiring)
N610159868+007AA
P007