N7205A110B00 - 第238页
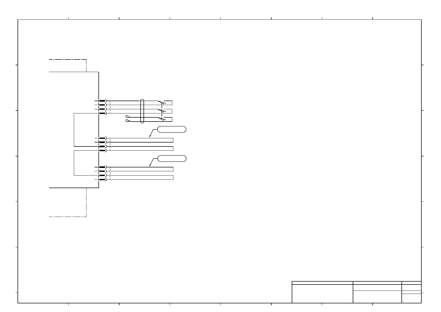
-K301 PNF0AT #1 Tray control board -A05 Tray control unit A IN0 1 2 3 4 5 6 +24V 24G IN600 IN601 IN602 IN603 IN1 1 2 3 4 5 6 +24V 24G IN604 IN605 IN606 IN607 BN YE/WH YE GN/WH GN RD/WH RD BK/WH BK -K302 EL16CX Sensor con…

-K301
PNF0AT #1
Tray control board
-A05
Tray control unit A
TRYSON
1
2
3
4
TSONSW
GND
P-SFR(P24)
TRYEMG
1
2
3
4
TEMGSW
GND
MDRSW
1
2
3
4
MDRSW
GND
EMGHST(P24)
-S3334
HS6B-03B01
BU
BU/WH
BN
BN/WH
OG
OG/WH
IDEC
A Side Magazine door SW
A側マガジンドアSW
1
2
3
AMP
MDRSWK301
177900-1
4
1
2
3
AMP
TRYEMGK301
177900-1
4
1
2
3
AMP
TRYSONK301
177900-1
4
UL#20 80/300-0.5mm2
BU
N610121582AA
N610121583AA
UL#20 80/300-0.5mm2
BU
BU
UL#20 80/300-0.5mm2
UL#20 80/300-0.5mm2
BU
Panasonic Factory Solutions Co.,Ltd. パナソニック ファクトリーソリューションズ株式会社
Name
Drawing No.
Loc. No.
F4K1020-05A
1
2 3 4 5 6 7 8
A
B
C
D
E
F
1 2 3 4 5 6 7 8
A
B
C
D
E
F
Page. No.
NPM-W:Twin Tray Feeder Wiring
(A-side Switch wiring)
N610117733+006AA
P006

-K301
PNF0AT #1
Tray control board
-A05
Tray control unit A
IN0
1
2
3
4
5
6
+24V
24G
IN600
IN601
IN602
IN603
IN1
1
2
3
4
5
6
+24V
24G
IN604
IN605
IN606
IN607
BN
YE/WH
YE
GN/WH
GN
RD/WH
RD
BK/WH
BK
-K302
EL16CX
Sensor connection board
IN
1
2
3
4
5
6
+24V
24G
B1300
B1301
B1330
B1331
#0
SEN0
1
2
3
ATL +OVR
SEN1
1
2
3
ATL -OVR
SEN2
1
2
3
A Side Pallet
pull out check
SEN3
1
2
3
ATP-axis
A side pallet check
BU
YE
BN
BK
WH
RD
GN
-K303
EL16CX
Sensor connection board
IN
1
2
3
4
5
6
+24V
24G
B1302
B1303
B1332
B1333
#1
SEN0
1
2
3
SEN1
1
2
3
SEN2
1
2
3
ATP +OVR
ATP-axis
A Side Pull out position
A側TP軸引出し位置
A側引出軸パレット有無
A側パレット引出し確認
-B1300
BN
WH
BK
BU
-B1330
BN
WH
BK
BU
-B1331
BN
WH
BK
BU
-B1301
BN
WH
BK
BU
-B1302
BN
WH
BK
BU
ATP -OVR
-B1303
BN
WH
BK
BU
-B1332
BN
WH
BK
BU
ATP-axis slote position
A side pallet check (Receive)
ATP-axis slote position
A side pallet check (Projection)
ATP軸スロット位置
パレット有無(受光部)
ATP軸スロット位置
パレット有無(投光部)
SEN3
1
2
3
-B1333
BN
BK
BU
-B1333T
BN
BU
BN/WH
OG
1
2
3
MOLEX
IN0K301
43025-0600
4
5
6
1
2
3
JAE
INK302
IL-GM-6S-S3C2
4
5
6
1
2
3
MOLEX
IN1K301
43025-0600
4
5
6
N610121584AB
1
2
3
AMP
TP-K303R
177900-1
4
1
2
3
AMP
TP-K303P
177908-1
4
1
2
3
AMP
SEN0K302
177899-1
1
2
3
AMP
SEN1K302
177899-1
1
2
3
AMP
SEN2K302
177899-1
1
2
3
AMP
SEN3K302
177899-1
1
2
3
AMP
B1330P
177907-1
1
2
3
AMP
B1331P
177907-1
1
2
3
AMP
B1330R
177899-1
1
2
3
AMP
B1331R
177899-1
1
2
3
JAE
INK303
IL-GM-6S-S3C2
4
5
6
1
2
3
AMP
SEN3K303
177899-1
1
2
3
AMP
B1333TR
177899-1
1
2
3
AMP
B1333R
177899-1
1
2
3
AMP
B1333P
177907-1
1
2
3
AMP
B1333TP
177907-1
1
2
3
AMP
SEN0K303
177899-1
1
2
3
AMP
SEN1K303
177899-1
1
2
3
AMP
SEN2K303
177899-1
N610121585AD
N610121586AC
2464-1061/ⅡA(PF) LF 5P×24AWG
RMFEV-0.2-8C
UL#24 80/300-0.2mm2
BU
UL#24 80/300-0.2mm2
BU
BU
UL#24 80/300-0.2mm2
BU
UL#24 80/300-0.2mm2
BU
UL#24 80/300-0.2mm2
BU
UL#24 80/300-0.2mm2
BU
UL#24 80/300-0.2mm2
BU
UL#24 80/300-0.2mm2
BU
UL#24 80/300-0.2mm2
2
2
4
3
Panasonic Factory Solutions Co.,Ltd. パナソニック ファクトリーソリューションズ株式会社
Name
Drawing No.
Loc. No.
F4K1020-05A
1
2 3 4 5 6 7 8
A
B
C
D
E
F
1 2 3 4 5 6 7 8
A
B
C
D
E
F
Page. No.
NPM-W:Twin Tray Feeder Wiring
(A-side ATL,ATP-axis sensor wiring)
N610117733+007AE
P007

-K301
PNF0AT #1
Tray control board
-A05
Tray control unit A
IN2
1
2
3
4
5
6
+24V
24G
IN610
IN611
IN612
IN613
-B1352
BN
BU
[1]
A side Magazine shutter open
On the right
A側マガジンシャッター開右上
-B1350
BN
BU
[2]
A side Magazine shutter open
On the left
A側マガジンシャッター開左上
-B1353
BN
BU
[3]
A side Magazine shutter close
ON the right
A側マガジンシャッター閉右上
-B1351
BN
BU
[4]
A side Magazine shutter close
On the left
A側マガジンシャッター閉左上
-B1356
BN
BU
[1]
A side Magazine shutter open
the right under
A側マガジンシャッター開右下
-B1354
BN
BU
[2]
A side Magazine shutter open
the left under
A側マガジンシャッター開左下
-B1357
BN
BU
[3]
A side Magazine shutter close
the right under
A側マガジンシャッター閉右下
-B1355
BN
BU
[4]
A side Magazine shutter close
the left under
A側マガジンシャッター閉左下
-B1322
BN
BU
A Supply side
shutter open
A側補給部シャッター開
-B1323
BN
BU
A Supply side
shutter close
A側補給部シャッター閉
IN1-0
EXIN
1
2
3
4
9
IN1-2
IN1-3
24G
IN1-5
IN1-6
IN1-7
IN1-1
24G
IN2-0
IN2-1
IN2-2
IN2-3
IN2-4
IN2-5
IN2-6
IN2-7
+24V
+24V
BK
BK/WH
RD
-B1324T
A side Pallet over flow check
(Projection)
A側パレットはみだし有無(投光部)
5
6
7
8
10
11
12
13
14
15
16
17
18
19
20
BK
BK/WH
RD
RD/WH
GN
BK
BK/WH
RD
RD/WH
GN
IN1-4
RD/WH
GN/WH
GN/WH
N610121587AC
N610121588AC
1
2
3
MOLEX
IN2K301
43025-0600
4
5
6
20
19
18
17
16
15
14
13
12
11
10
8
7
6
5
9
4
MOLEX
EXINK301
43025-2000
3
2
1
1
2
3
AMP
B1322P
177907-1
1
2
3
AMP
B1323P
177907-1
1
2
3
AMP
B1324TP
177907-1
1
2
3
AMP
B1324TR
177899-1
1
2
3
AMP
B1323R
177899-1
1
2
3
AMP
B1322R
177899-1
1
2
3
AMP
B1350R
177903-1
4
5
6
7
8
9
1
2
3
AMP
B1354R
177903-1
4
5
6
7
8
9
1
2
3
AMP
B1350P
177911-1
4
5
6
7
8
9
1
2
3
AMP
B1354P
177911-1
4
5
6
7
8
9
2464-1061/ⅡA(PF) LF 2P×24AWG
2464-1061/ⅡA(PF) LF 3P×24AWG
2464-1061/ⅡA(PF) LF 3P×24AWG
BU
UL#24 80/300-0.2mm2
BU
UL#24 80/300-0.2mm2
BU
UL#24 80/300-0.2mm2
BU
UL#24 80/300-0.2mm2
BU
UL#24 80/300-0.2mm2
UL#24 80/300-0.2mm2
BU
BU
UL#24 80/300-0.2mm2
1
1
2
2
2
Panasonic Factory Solutions Co.,Ltd. パナソニック ファクトリーソリューションズ株式会社
Name
Drawing No.
Loc. No.
F4K1020-05A
1
2 3 4 5 6 7 8
A
B
C
D
E
F
1 2 3 4 5 6 7 8
A
B
C
D
E
F
Page. No.
NPM-W:Twin Tray Feeder Wiring
(A-side EL16CX~Shutter-LS wiring)
N610117733+008AC
P008