N7205A110B00 - 第245页
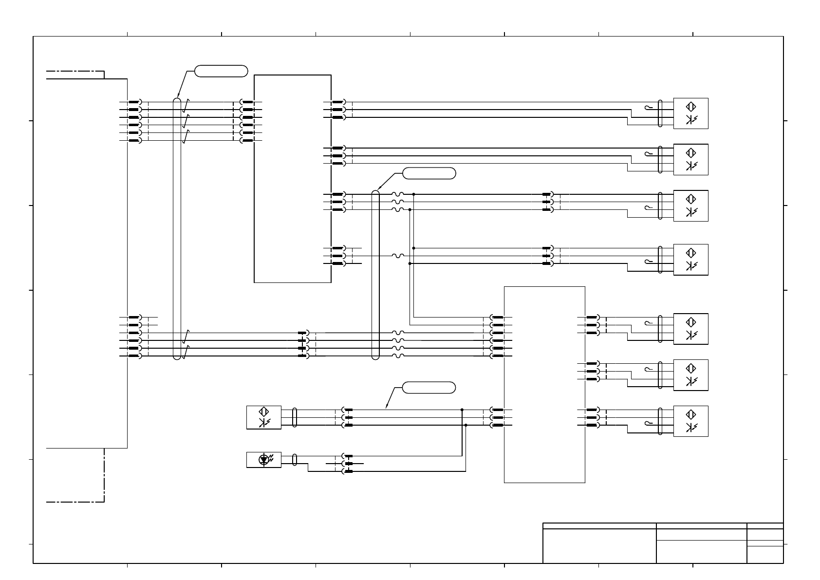
-K306 PNF0AT #2 Tray control board -A06 Tray control unit B IN0 1 2 3 4 5 6 +24V 24G IN600 IN601 IN602 IN603 IN1 1 2 3 4 5 6 +24V 24G IN604 IN605 IN606 IN607 BN YE/WH YE GN/WH GN RD/WH RD BK/WH BK -K307 EL16CX Sensor con…

-K306
PNF0AT #2
Tray control board
-A06
Tray control unit B
TRYSON
1
2
3
4
TSONSW
GND
P-SFR(P24)
TRYEMG
1
2
3
4
TEMGSW
GND
MDRSW
1
2
3
4
MDRSW
GND
EMGHST(P24)
-S3634
HS6B-03B01
BU
BU/WH
BN
BN/WH
OG
OG/WH
IDEC
B side Magazine door SW
B側マガジンドアSW
1
2
3
AMP
MDRSWK306
177900-1
4
1
2
3
AMP
TRYEMGK306
177900-1
4
1
2
3
AMP
TRYSONK306
177900-1
4
N610121602AA
N610121603AA
UL#20 80/300-0.5mm2
BU
UL#20 80/300-0.5mm2
BU
BU
UL#20 80/300-0.5mm2
BU
UL#20 80/300-0.5mm2
Panasonic Factory Solutions Co.,Ltd. パナソニック ファクトリーソリューションズ株式会社
Name
Drawing No.
Loc. No.
F4K1020-05A
1
2 3 4 5 6 7 8
A
B
C
D
E
F
1 2 3 4 5 6 7 8
A
B
C
D
E
F
Page. No.
NPM-W:Twin Tray Feeder Wiring
(B-side Switch wiring)
N610117733+013AA
P013

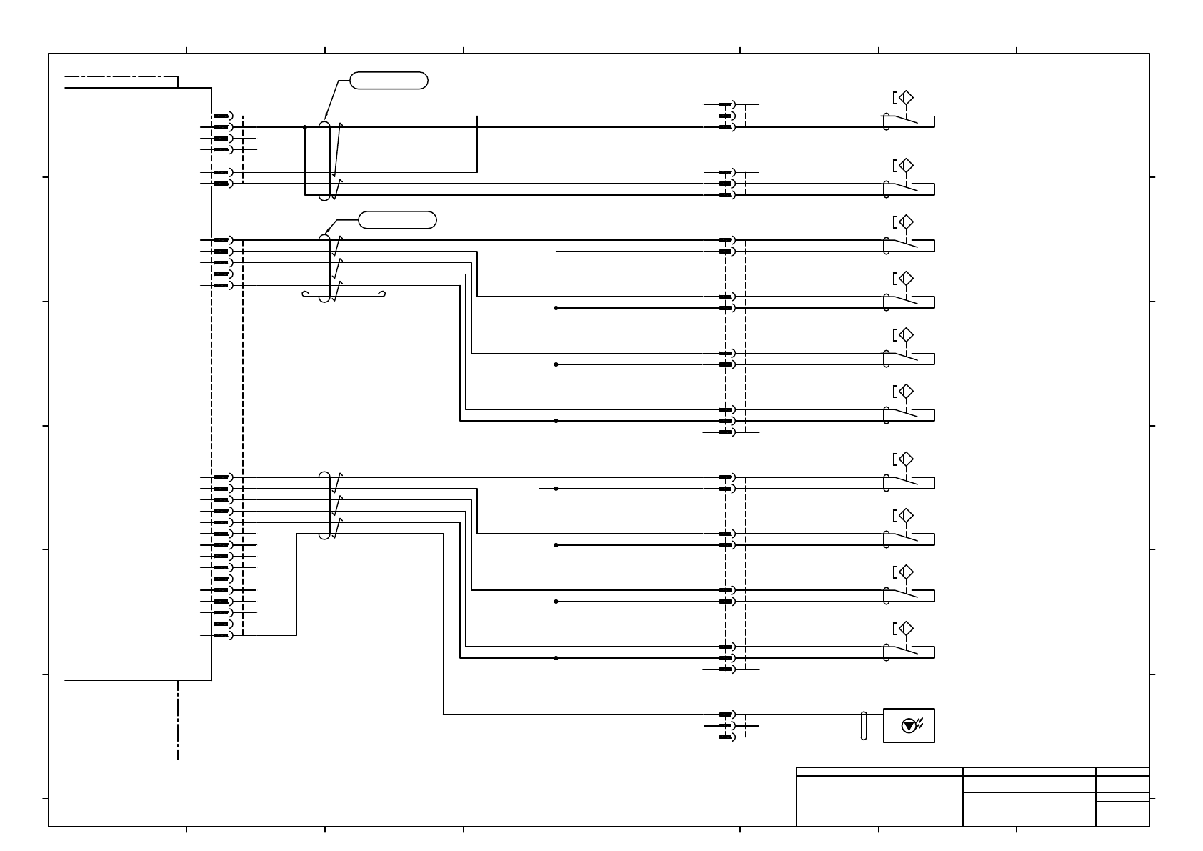
-K306
PNF0AT #2
Tray control board
-A06
Tray control unit B
IN0
1
2
3
4
5
6
+24V
24G
IN600
IN601
IN602
IN603
IN1
1
2
3
4
5
6
+24V
24G
IN604
IN605
IN606
IN607
BN
YE/WH
YE
GN/WH
GN
RD/WH
RD
BK/WH
BK
-K307
EL16CX
Sensor connection board
IN
1
2
3
4
5
6
+24V
24G
B1300
B1301
B1330
B1331
#4
SEN0
1
2
3
BTL +OVR
SEN1
1
2
3
BTL -OVR
SEN2
1
2
3
B side Pallet
pull out check
SEN3
1
2
3
BTP-axis
pallet check
BU
YE
BN
BK
WH
RD
GN
-K308
EL16CX
Sensor connection board
IN
1
2
3
4
5
6
+24V
24G
B1302
B1303
B1332
B1333
#5
SEN0
1
2
3
SEN1
1
2
3
SEN2
1
2
3
BTP +OVR
BTP-axis
Pull out position
BTP軸引出し位置
B側引出軸パレット有無
B側パレット引出し確認
-B1600
BN
WH
BK
BU
-B1630
BN
WH
BK
BU
-B1631
BN
WH
BK
BU
-B1601
BN
WH
BK
BU
-B1602
BN
WH
BK
BU
BTP -OVR
-B1603
BN
WH
BK
BU
-B1632
BN
WH
BK
BU
BTP-axis slote position
pallet check (Receive)
BTP-axis slote position
pallet check (Projection)
BTP軸スロット位置
パレット有無(受光部)
BTP軸スロット位置
パレット有無(投光部)
SEN3
1
2
3
-B1633
BN
BK
BU
-B1633T
BN
BU
BN/WH
OG
N610121604AC
N610121605AD
N610121606AC
1
2
3
MOLEX
IN0K306
43025-0600
4
5
6
1
2
3
MOLEX
IN1K306
43025-0600
4
5
6
1
2
3
JAE
INK307
IL-GM-6S-S3C2
4
5
6
1
2
3
AMP
SEN0K307
177899-1
1
2
3
AMP
SEN1K307
177899-1
1
2
3
AMP
SEN2K307
177899-1
1
2
3
AMP
SEN3K307
177899-1
1
2
3
AMP
B1630R
177899-1
1
2
3
AMP
B1631R
177899-1
1
2
3
AMP
SEN0K308
177899-1
1
2
3
AMP
SEN1K308
177899-1
1
2
3
AMP
SEN2K308
177899-1
1
2
3
AMP
TP-K308R
177900-1
4
1
2
3
AMP
B1633P
177907-1
1
2
3
AMP
B1633TP
177907-1
1
2
3
AMP
B1633R
177899-1
1
2
3
AMP
B1633TR
177899-1
1
2
3
AMP
TP-K308P
177908-1
4
1
2
3
AMP
SEN3K308
177899-1
1
2
3
JAE
INK308
IL-GM-6S-S3C2
4
5
6
1
2
3
AMP
B1630P
177907-1
1
2
3
AMP
B1631P
177907-1
2464-1061/ⅡA(PF) LF 5P×24AWG
RMFEV-0.2-8C
(0.2mm2-8C)
UL#24 80/300-0.2mm2
BU
BU
UL#24 80/300-0.2mm2
BU
UL#24 80/300-0.2mm2
BU
UL#24 80/300-0.2mm2
BU
UL#24 80/300-0.2mm2
BU
UL#24 80/300-0.2mm2
BU
UL#24 80/300-0.2mm2
BU
UL#24 80/300-0.2mm2
BU
UL#24 80/300-0.2mm2
2
2
4
2 3
Panasonic Factory Solutions Co.,Ltd. パナソニック ファクトリーソリューションズ株式会社
Name
Drawing No.
Loc. No.
F4K1020-05A
1
2 3 4 5 6 7 8
A
B
C
D
E
F
1 2 3 4 5 6 7 8
A
B
C
D
E
F
Page. No.
NPM-W:Twin Tray Feeder Wiring
(B-side BTL,BTP-axis sensor wiring)
N610117733+014AE
P014

-K306
PNF0AT #2
Tray control board
-A06
Tray control unit B
IN2
1
2
3
4
5
6
+24V
24G
IN610
IN611
IN612
IN613
-B1652
BN
BU
[1]
B side Magazine shutter open
On the right
B側マガジンシャッター開右上
-B1650
BN
BU
[2]
B side Magazine shutter open
On the left
B側マガジンシャッター開左上
-B1653
BN
BU
[3]
B side Magazine shutter close
ON the right
B側マガジンシャッター閉右上
-B1651
BN
BU
[4]
B side Magazine shutter close
On the left
B側マガジンシャッター閉左上
-B1656
BN
BU
[1]
B side Magazine shutter open
the right under
B側マガジンシャッター開右下
-B1654
BN
BU
[2]
B side Magazine shutter open
the left under
B側マガジンシャッター開左下
-B1657
BN
BU
[3]
B side Magazine shutter close
the right under
B側マガジンシャッター閉右下
-B1655
BN
BU
[4]
B side Magazine shutter close
the left under
B側マガジンシャッター閉左下
-B1622
BN
BU
Supply B side
shutter open
B側補給部シャッター開
-B1623
BN
BU
Supply B side
shutter close
B側補給部シャッター閉
IN1-0
EXIN
1
2
3
4
9
IN1-2
IN1-3
24G
IN1-5
IN1-6
IN1-7
IN1-1
24G
IN2-0
IN2-1
IN2-2
IN2-3
IN2-4
IN2-5
IN2-6
IN2-7
+24V
+24V
BK
BK/WH
RD
-B1624T
BN
BU
B side Pallet over flow check
(Projection)
B側パレットはみだし有無(投光部)
5
6
7
8
10
11
12
13
14
15
16
17
18
19
20
BK
BK/WH
RD
RD/WH
GN
BK
BK/WH
RD
RD/WH
GN
IN1-4
RD/WH
GN/WH
GN/WH
1
2
3
MOLEX
IN2K306
43025-0600
4
5
6
20
19
18
17
16
15
14
13
12
11
10
8
7
6
5
9
4
MOLEX
EXINK306
43025-2000
3
2
1
1
2
3
AMP
B1622R
177899-1
1
2
3
AMP
B1623R
177899-1
1
2
3
AMP
B1624TR
177899-1
1
2
3
AMP
B1650R
177903-1
4
5
6
7
8
9
1
2
3
AMP
B1654R
177903-1
4
5
6
7
8
9
1
2
3
AMP
B1622P
177907-1
1
2
3
AMP
B1623P
177907-1
1
2
3
AMP
B1624TP
177907-1
1
2
3
AMP
B1650P
177911-1
4
5
6
7
8
9
1
2
3
AMP
B1654P
177911-1
4
5
6
7
8
9
N610121607AC
2464-1061/ⅡA(PF) LF 2P×24AWG
N610121608AC
2464-1061/ⅡA(PF) LF 3P×24AWG
2464-1061/ⅡA(PF) LF 3P×24AWG
BU
UL#24 80/300-0.2mm2
BU
UL#24 80/300-0.2mm2
BU
UL#24 80/300-0.2mm2
BU
UL#24 80/300-0.2mm2
BU
UL#24 80/300-0.2mm2
BU
UL#24 80/300-0.2mm2
BU
UL#24 80/300-0.2mm2
1
1
2
2
2
Panasonic Factory Solutions Co.,Ltd. パナソニック ファクトリーソリューションズ株式会社
Name
Drawing No.
Loc. No.
F4K1020-05A
1
2 3 4 5 6 7 8
A
B
C
D
E
F
1 2 3 4 5 6 7 8
A
B
C
D
E
F
Page. No.
NPM-W:Twin Tray Feeder Wiring
(B-side EL16CX~Shutter-LS wiring)
N610117733+015AC
P015