00197042-04_SM_X-Serie-S_Customer_EN - 第172页
6 Gantries 6.4 Trailing cable and printed circuit boards 172 Service Manual SIPLACE X-Serie S 06/2019 6.4.5 Replacing the Head Interface Parts, equipment and tools NOTICE SIPLACE C&P20 P If converting to a SIPLACE C&…

6 Gantries
6.4 Trailing cable and printed circuit boards
Service Manual SIPLACE X-Serie S 06/2019 171
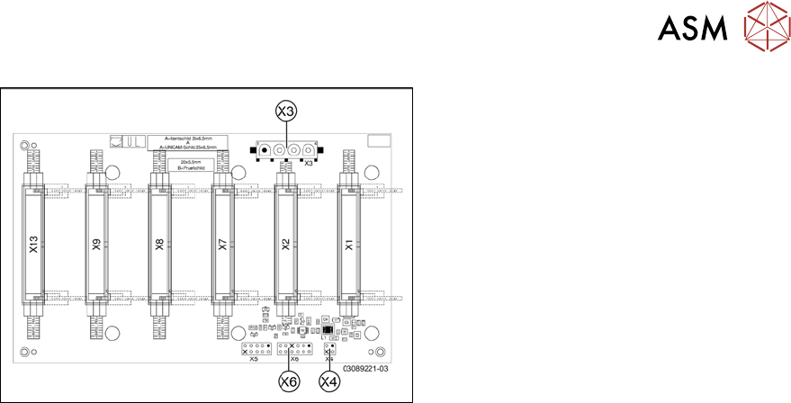
Fig.217: Gantry interface [03089221-03]
Gantry interface [03089221-03]:
This gantry interface is used at gantries 2
and 4.
X3) Y axis motor power
X4) Y axis motor temperature sensor
X6) Y axis incremental encoder
Removal
► Switch off the machine, disconnect it from the power supply and secure it to prevent
unauthorized reactivation.
1.2 "Preparatory work..." [}16]
► Unplug all electrical connections to the gantry interface. You may want to mark the positions
of these connections to make clear assignment easier later on.
► Remove the screws fastening the gantry interface and remove the gantry interface from the
machine.
Installation
► Follow the removal instructions in reverse order for installation.

6 Gantries
6.4 Trailing cable and printed circuit boards
172 Service Manual SIPLACE X-Serie S 06/2019
6.4.5 Replacing the Head Interface
Parts, equipment and tools
NOTICE
SIPLACE C&P20 P
If converting to a SIPLACE C&P20 P, you must fulfil the following requirements:
► The head interface must have at least FS03.
► The power cube [03055514-xx] must have at least FS02. Head interfaces from FS03
fulfil this requirement.
●
Select the appropriate head interface:
Machine type Gantry Head interface
SIPLACE X3 S, X4 S (micron) All Module head interface C700X-L HR
[03091013‑xx]
SIPLACE X4i S (micron) 1 and 3
SIPLACE X4i S (micron) 2 and 4 (rotated) Module head interface C700X-R HR
[03091023‑xx]
●
If required, cover plate head board assembly [03108367-xx] or
cover plate head board rotated assembly [03108392-xx]
●
If needed, 2x dummy plugs (plastic covers) [00368931-xx]
●
Loctite 241 or 243
Overview
Fig.218: Boards on the gantry (up to Gxxxx, without
GigE)
Fig.219: Boards on the gantry (from Hxxxx, with GigE)
1 Vision board spread spectrum / Vision
Head Interface (VHI)
2 Head interface
3 Power cube on the head interface
Removal
► Switch off the machine, disconnect it from the power supply and secure it to prevent
unauthorized reactivation.
1.2 "Preparatory work..." [}16]

6 Gantries
6.4 Trailing cable and printed circuit boards
Service Manual SIPLACE X-Serie S 06/2019 173
Fig.220: Board cover
1. Fastening screws 5x
2. If present:
fastening screws 2x (with Loctite)
► Remove the fastening screws(1).
► If present: remove the fastening
screws(2).
► Remove the board cover.
CAUTION!
To avoid short circuits, only dismantle
the cover when the machine is
switched off!
.
► Dismantle the Vision board spread spectrum. For more information, read section 6.4.7 "Repla-
cing the Vision board spread spectrum HCU" [}178].
► Unplug all connector from the head interface and remove all cable ties. You might like to mark
their positions to make clear assignment or replacement easier later on.
► Remove the screws fastening the head interface.
► Carefully remove the head interface. Make sure that the connectors to the head adapter HCU
are not damaged.
Installation
► Apply the DIP switch setting from the old head interface.
See also:6.4.5.1 "Head interface C700X-L/R HR" [}174]
► Follow the removal instructions in reverse order for further installation. Also observe the fol-
lowing instructions:
Fig.221: Dummy plug
► Secure the connector X1(2) on the
head interface, if present, with two
dummy plugs(1).
CAUTION!
Without the dummy plugs, there is a
risk of short circuit at the board cover!
.
Fig.222: Board cover
1. Fastening screws 5x
2. Fastening screws 2x (withLoctite)
► Secure the two screws(2) on the board
cover with Loctite 241 or 243.