FX-3RA-Rev06 - 第119页
- 11 2 - NOTE( 注記 ) #01....FOR 150MM 150 MM 用 #02....FOR 250MM 250 MM 用 #0 3. .. .FO R LW- EN LW − EN 用 #04....FOR 115MM 115 MM 用 #05....FOR 200MM(EN) 200 MM(EN)用 REF.NO NOTE PART NO D E S C R I P T I O N 品 名 Qty 1 #01 4…

- 111 -
56.CONVEYOR EXTENTION COMPONENTS
コンベア延長関係
3 4
5
6
13
14
15
16
7
8
9
10
11
12
11
12
17
18
17
18
19
15
16
19
20
20
21
22
21
22
23
24
25
1
2
38
31
30
29
32
32
29
35
36
36
35
37
34
33
34
34
33
34
49
53
46
64
48
66
42
51
47
65
45
60
50
52
43
54
44
55
45
60
45
60
45
60
45
60
46
64
45
60
44
55
43
54
49
53
40
41
45
60
50
52
42
51
39
45
60
26
27
28
47
65
23
24
93
86
85
89
87
84
84
87
90
89
91
91
90
92
89
88
89
88
83
84
82
84
29
29
75
75
69
70
71
73
77
76
78
79
80
74
77
79
73
76
78
72
45
60
68
67
59
56
58
59
61
61
63
63
62
57
62
81
81

- 112 -
NOTE( 注記 ) #01....FOR 150MM 150 MM 用
#02....FOR 250MM 250 MM 用
#03....FOR LW-EN LW − EN 用
#04....FOR 115MM 115 MM 用
#05....FOR 200MM(EN) 200 MM(EN)用
REF.NO NOTE PART NO D E S C R I P T I O N
品 名
Qty
1
#01
400-73916 CONVEYOR_EXTENSION_150_ASM
コンベアエクステンション150組
1
2
#02
400-73915 CONVEYOR_EXTENSION_250_ASM
コンベアエクステンション250組
1
3
#01
400-11053 RAIL PLATE F(150)
レールプレート F(150)
(1)
4
#02
400-11060 RAIL PLATE F(250)
レールプレート F(250)
(1)
5
#01
400-11054 RAIL PLATE R(150)
レールプレート R(150)
(1)
6
#02
400-11061 RAIL PLATE R(250)
レールプレート R(250)
(1)
7
#01
400-73884 RAIL_IN-OUT_B-150
レール IN − OUT _ B −150
(1)
8
#02
400-73886 RAIL_IN-OUT_B-250
レール IN − OUT _ B −250
(1)
9
#01
400-73883 RAIL_IN-OUT_A-150
レール IN − OUT _ A −150
(1)
10
#02
400-73885 RAIL_IN-OUT_A-250
レール IN − OUT _ A −250
(1)
11
#01
400-11057 PWB GUIDE EX(150)
PWB ガイド EX(150)
(2)
12
#02
400-11064 PWB GUIDE EX(250)
PWB ガイド EX(250)
(2)
13
#01
400-73709 CONVEYOR_BELT_150
コンベアベルト150
(2)
14
#02
400-73708 CONVEYOR_BELT_250
コンベアベルト250
(2)
15
#01
400-11072 JOINT PLATE F(150)
ジョイントプレート F(150)
(2)
16
#02
400-11066 JOINT PLATE F(250)
ジョイントプレート F(250)
(2)
17
#01
SL-6031092-TN SCREW
座金付き六角穴ボルト
(6)
18
#02
SL-6031092-TN SCREW
座金付き六角穴ボルト
(8)
19 SL-6031492-TN SCREW
座金付き六角穴ボルト
(4)
20 SL-6041292-TN SCREW
座金付き六角穴ボルト
(6)
21
#01
SL-6041092-TN SCREW
座金付き六角穴ボルト
(8)
22
#02
SL-6041092-TN SCREW
座金付き六角穴ボルト
(12)
23
#01
NM-6040002-SN NUT M4
六角ナット M 4 X 0.7 2種
(8)
24
#02
NM-6040002-SN NUT M4
六角ナット M 4 X 0.7 2種
(12)
25 HX-0044000-00 CABLE BAND
束線バンド
(5)
26
#03
400-73917 CONVEYOR_EXTENSION_LW_ASM(EN)
搬送延長 LW 組(EN)
1
27
#05
400-94069 CONVEYOR_EXTENSION_XL_200_ASM(EN)
搬送延長200組(EN)
1
28 400-46881 CONVEYOR_EXTENSION_LW_ASM
搬送延長 LW 組
(1)
29 SL-6031092-TN SCREW
座金付き六角穴ボルト
(16)
30 400-46990 RAIL_PLATE_IN-OUT_A-W
レールプレート IN − OUT _A−W
(2)
31 400-46991 RAIL_PLATE_IN-OUT_B-W
レールプレート IN − OUT _B−W
(2)
32 400-00791 JOINT PLATE F(W)
ジョイントプレート F(W)
(4)
33 E2176-725-000 JOINT PLATE R(100)
ジョイントプレート R(100)
(4)
34 SL-6041292-TN SCREW
座金付き六角穴ボルト
(16)
35 400-00789 PWB GUID EX(W)
PWB ガイド EX(W)
(4)
36 SL-6030892-TN SCREW
座金付き六角穴ボルト
(8)
37 400-46938 CONVEYOR_BELT_IN-OUT_W
コンベアベルト IN − OUT _ W
(4)
38 400-46988 RAIL_IN-OUT_A-W
レールIN−OUT_A−W
(2)
39 400-46989 RAIL_IN-OUT_B-W
レールIN−OUT_B−W
(2)
40
#03
400-47307 CONVEYOR_COVER_LW_ASM
搬送カバー LW 組
(1)
41
#05
400-94067 CONVEYOR_COVER_XL_200_ASM
搬送カバー XL 200組
(1)
42 400-47228 CONVEYOR_UPPER_COVER_LW
コンベアアッパーカバー LW
(2)
43 400-01484 CONVEYOR SHUTTER U(LEN)
搬送シャッター U(L、EN)
(2)
44 400-01485 CONVEYOR SHUTTER B(LEN)
搬送シャッター B(L、EN)
(2)
45 SM-0040801-SC SCREW
トラスねじ M 4 L =8
(40)
46 E1143-721-000 WOOLEN CLOTH PAPER
搬送カバーラシャペーパ(CE)
(8)
47 E5721-729-000 LABEL
荷重禁止シール
(2)
48 400-01490 TAPE
テープ
(3)
49 400-47226 CONVEYOR_COVER_LW
コンベアカバー LW
(2)
50 400-47227 CONVEYOR_SIDE_COVER_LW
コンベアサイドカバー LW
(2)
51
#05
400-92188 EN_CONVEYOR_COVER_U_XLW
EN コンベヤカバー U _ XLW
(2)
52
#05
400-92189 EN_CONVEYOR_COVER_C_XLW
EN コンベヤカバー C _ XLW
(2)
53
#05
400-92063 EN_CONVEYOR_COVER_B_XLW
EN コンベヤカバー B _ XLW
(2)
54
#05
400-92186 EN_COVER_SHUTTER_U_XL
EN カバーシャッタ U _ XL
(2)
55
#05
400-92187 EN_COVER_SHUTTER_B_XL
EN カバーシャッタ B _ XL
(2)
56
#05
400-92074 EN_COVER_STOPPER_XLW
EN カバーストッパ_ XLW
(2)
57
#05
400-94206 BCR_RAIL_SUPPORT_A_XL
BCR レールサポート A
(2)
58
#05
400-92076 BCR_RAIL_SUPPORT_B_XL
BCR レールサポート B
(2)
59
#05
400-92065 BCR_BEAM_XLW
BCR ビーム_ XLW
(4)
60
#05
SM-0040801-SC SCREW
トラスねじ M 4 L =8
(50)
61
#05
SL-3061232-TN SCREW
座金付き丸ねじ M 6 L =12
(8)
62
#05
SL-6041092-TN SCREW
座金付き六角穴ボルト
(4)
63
#05
SL-6051692-TN BOLT
座金付き六角穴ボルト
(4)
64
#05
E1143-721-000 WOOLEN CLOTH PAPER
搬送カバーラシャペーパ(CE)
(8)
65
#05
E5721-729-000 LABEL
荷重禁止シール
(2)
66
#05
400-01490 TAPE
テープ
(3.6)
67
#05
400-94068 CONVEYOR_EXTENSION_XL_200_ASM
搬送延長200組
(1)
68 400-94209 CONVEYOR_EXTENSION_XL_200_ONE_SIDE_ASM
搬送延長200組片側
(2)
69 400-92038 RAIL_PLATE_F_EX200
レールプレートF_EX200
(1)
70 400-92042 RAIL_PLATE_R_EX200
レールプレートR_EX200
(1)
71 400-92037 RAIL_IN-OUT_A_EX200
レール IN − OUTA _ EX 200
(1)
72 400-92041 RAIL_IN-OUT_B_EX200
レールIN−OUT_B_EX200
(1)
73 400-92039 PWB_GUIDE_EX200
PWB ガイド_ EX 200
(2)
74 400-92062 CONVEYOR_BELT_EX200
コンベヤベルト_ EX 200
(2)
75 400-92040 JOINT_PLATE_F_EX200
ジョイントプレート_ EX 200
(2)
76 SL-6031092-TN SCREW
座金付き六角穴ボルト
(8)
77 SL-6041292-TN SCREW
座金付き六角穴ボルト
(6)
78 SL-6041092-TN SCREW
座金付き六角穴ボルト
(14)
79 NM-6040002-SN NUT M4
六角ナット M 4 X 0.7 2種
(14)
80 HX-0044000-00 CABLE BAND
束線バンド
(5)
81 SL-6030692-TN SCREW M3 L=6
座金付き六角穴ボルト M 3 L =6
(4)
82
#04
400-73300 CONVEYOR_EXTENSION_115_ASM
搬送延長115組
1
83 400-46989 RAIL_IN-OUT_B-W
レールIN−OUT_B−W
(1)
84 SL-6031092-TN SCREW
座金付き六角穴ボルト
(8)
85 400-46990 RAIL_PLATE_IN-OUT_A-W
レールプレート IN − OUT _A−W
(1)
86 400-46991 RAIL_PLATE_IN-OUT_B-W
レールプレート IN − OUT _B−W
(1)
87 400-00791 JOINT PLATE F(W)
ジョイントプレート F(W)
(2)
88 E2176-725-000 JOINT PLATE R(100)
ジョイントプレート R(100)
(2)
89 SL-6041292-TN SCREW
座金付き六角穴ボルト
(8)
90 400-00789 PWB GUID EX(W)
PWB ガイド EX(W)
(2)
91 SL-6030892-TN SCREW
座金付き六角穴ボルト
(4)
92 400-46938 CONVEYOR_BELT_IN-OUT_W
コンベアベルト IN − OUT _ W
(2)
93 400-46988 RAIL_IN-OUT_A-W
レールIN−OUT_A−W
(1)

- 113 -
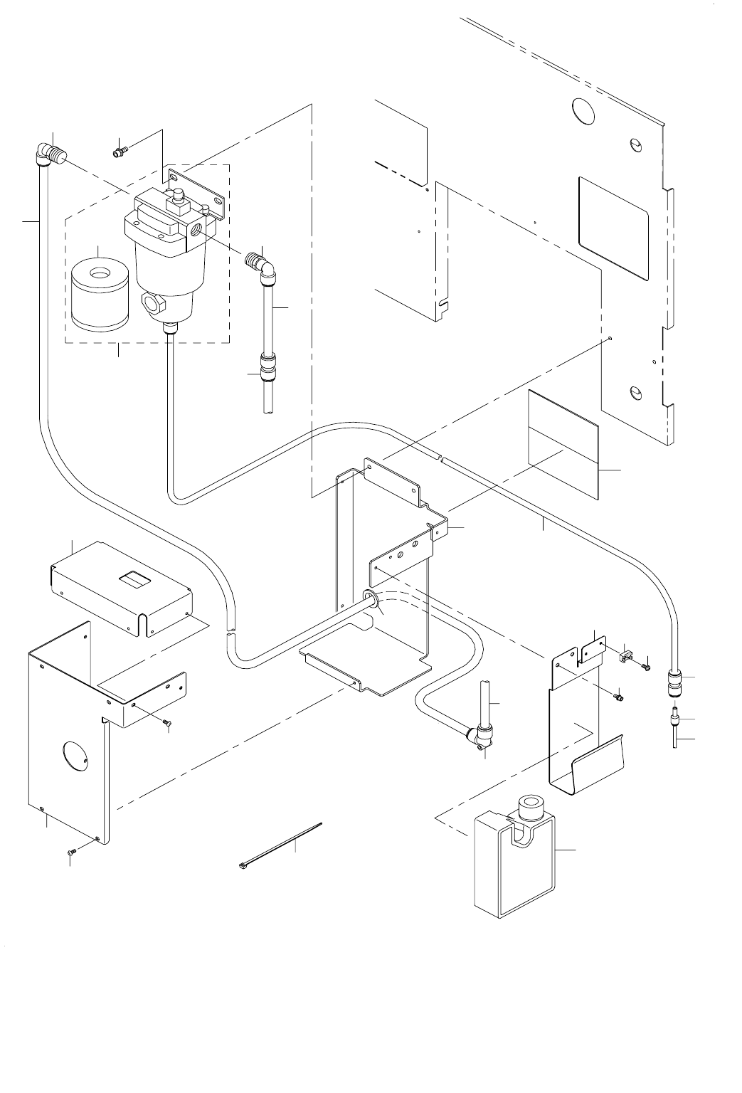
57.MAIN LINE FILTER COMPONENTS
メインラインフィルタ関係
24
15
14
16
17
21
20
7
8
11
9
3
4
6
18
19
12
5
2
1
10
24
23
22
25
13
26