FX-3RA-Rev06 - 第186页
- 17 9 - 90. SYSTEM DIAGRAM (OPERATION/CPU/MONITOR) SYST EM DIA GRA M(OPER ATION / CPU / M ONITOR ) X Y -7 8-2 A POW ER UNIT (L) CN0 30 1 0-1A MOU SE/KEYB OARD SE LECTOR EX 9-4B PW RL030 O PEF13 C HG-EX OP EF21 OPE RATIO…

- 178 -
NOTE( 注記 ) #01....TYPE XL XL 仕様
#02....FOR EN EN 用
#03....TYPE XL(EN) XL 仕様(EN)
REF.NO NOTE PART NO D E S C R I P T I O N
品 名
Qty
1 400-47559 BASE-CARRY PCB ASM
BASE − CARRY 基板組
1
2 401-23602 POWER_SUPPLY_ASSY_RA-R(ST)
電源供給組 RA(右)ST
1
3
#02
401-23603 POWER SUPPLY ASSY R(EN)
電源供給組(右)EN
1
4 401-49647 ETHER-MAIN PCB ASM
イーサメイン基板組
1
5 400-47557 ETHER-SLAVE PCB ASM
ETHER − SLAVE 基板組
1
6 401-23596 POWER_SUPPLY_ASSY_RA-L(ST)
電源供給組 RA(左)ST
1
7
#02
401-23599 POWER SUPPLY ASSY L(EN)
電源供給組(左)EN
1
8 HM-0013200-00 MOTOR DRIVER
モータドライバ
1
9 HX-0042000-00 5 PHASE STEP DRIVER
5相ステッピングモータドライバ
1
10
#02
HX-0068900-00 5 PHASE STEP DRIVER
5相ステッピングモータドライバ
1
11 400-47845 SMEMA IN CABLE ASM
スメマ IN ケーブル組
1
12 400-47846 SMEMA OUT CABLE ASM
スメマ OUT ケーブル組
1
13 400-91463 ETHER CABLE MAIN-BC ASM
イーサケーブル MAIN − BASECARRY 組
1
14 400-89924 BASE-CARRY PWR CABLE ASM
BASE − CARRY 電源ケーブル組
1
15 400-89944 MT1-2 PULSE CABLE ASM
モータ1−2パルスケーブル組
1
16 400-47825 MT3-5 PULSE CABLE ASM
モータ3−5パルスケーブル組
1
17 400-47826 MT6-8 PULSE CABLE ASM
モータ6−8パルスケーブル組
1
18 400-47847 SV-L CABLE ASM
ソレノイドバルブ L ケーブル組
1
19 400-47848 SV-R CABLE ASM
ソレノイドバルブ R ケーブル組
1
20 401-20276 CARRY MTR L PWR CABLE ASM
搬送モータ L 電源ケーブル組
1
21 400-48074 CENTER MOTOR ASM
センタモータ組
1
22
#01
400-48075 JOINT MOTOR ASM
ジョイントモータ組
1
23 400-48075 JOINT MOTOR ASM
ジョイントモータ組
1
24 400-47807 IN-MOTOR CABLE ASM
IN モータリレーケーブル組
1
25
#01
400-89913 IN-MOTOR CABLE ASM
IN モータリレーケーブル組
1
26 400-47776 COUT-R SENSOR ASM
COUTR センサ組
1
27 400-47805 CENT-MOTOR(L) CABLE ASM
CENT モータ(L)リレーケーブル組
1
28
#01
400-89911 CENT-MOTOR(L) CABLE ASM
CENT モータ(L)リレーケーブル組
1
29 401-20277 CARRY MTR R PWR CABLE ASM
搬送モータ R 電源ケーブル組
1
30 400-47808 JOINT-MOTOR CABLE ASM
ジョイントモータリレーケーブル組
1
31
#01
400-89914 JOINT-MOTOR CABLE ASM
ジョイントモータリレーケーブル組
1
32
#01
400-90065 COUT-R SENSOR ASM
COUT − R センサ組
1
33 400-47806 CENT-MOTOR(R) CABLE ASM
CENT モータ(R)リレーケーブル組
1
34
#01
400-89912 CENT-MOTOR(R) CABLE ASM
CENT モータ(R)リレーケーブル組
1
35 400-47907 SBR2 RELAY CABLE ASM
センサブロック R 2中継束線組
1
36 400-47809 OUT-MOTOR CABLE ASM
OUT モータリレーケーブル組
1
37
#01
400-89915 OUT-MOTOR CABLE ASM
OUT モータリレーケーブル組
1
38 400-47849 SV WIRE ASM
ソレノイドバルブワイヤー組
1
39
#02
400-48260 SV WIRE ASM(EN)
SV ワイヤー組 (EN)
1
40 400-47843 AWC-L ENC CABLE ASM
AWC − L エンコーダケーブル組
1
41
#01
400-89844 AWC-L ENC CABLE ASM XL
AWC − L エンコーダケーブル組 XL
1
42 400-47841 BU-L ENC CABLE ASM
BU − L エンコーダケーブル組
1
43
#01
400-89920 BU-L ENC CABLE ASM
BU − L エンコーダケーブル組
1
44 400-47904 SBL1 CABLE ASM
センサブロック L 1束線組
1
45 400-89945 MT9-10 PULSE CABLE ASM
モータ9−10パルスケーブル組
1
46
#02
400-89950 MT9-10 PULSE CABLE ASM(EN)
モータ9−10パルスケーブル組(EN)
1
47 400-47902 SBL CABLE ASM
センサブロック L 束線組
1
48
#01
400-89925 SBL CABLE ASM
センサブロック L 束線組
1
49 400-48077 AWC MOTOR ASM
幅調モータ組
2
50 400-47833 AWC-L MOTOR CABLE ASM
幅調モータ L 中継ケーブル組
1
51
#02
400-47837 AWC-L MOTOR CABLE ASM(EN)
AWC モータ L 中継ケーブル組(EN)
1
52
#01
400-89842 AWC-L MOTOR CABLE ASM XL
AWC − L モータケーブル組 XL
1
53
#03
400-89953 AWC-L MOTOR CABLE ASM(EN) XL
AWC モータ L 中継ケーブル組(EN)XL
1
54 400-47831 BU-L MOTOR CABLE ASM
バックアップモータ L 中継ケーブル組
1
55
#02
400-47835 BU-L MOTOR CABLE ASM(EN)
BU モータ L 中継ケーブル組(EN)
1
56
#01
400-89916 BU-L MOTOR CABLE ASM
バックアップモータ L 中継ケーブル組
1
57
#03
400-89951 BU-L MOTOR CABLE ASM(EN)
BU モータ L 中継ケーブル組(EN)
1
58 400-48076 BACK UP MOTOR ASM
バックアップモータ組
2
59 E9433-729-0A0 BU ENC ASM.
BU ENC 組
2
60 400-47844 AWC-R ENC CABLE ASM
AWC − R エンコーダケーブル組
1
61
#01
400-89845 AWC-R ENC CABLE ASM XL
AWC − R エンコーダケーブル組 XL
1
62 400-91848 MT11-12 PULSE CABLE ASM
モータ11−12パルスケーブル組
1
63
#02
400-93167 MT11-12 PULSE CABLE ASM(EN)
モータ11−12パルスケーブル組(EN)
1
64 400-47842 BU-R ENC CABLE ASM
BU − R エンコーダケーブル組
1
65
#01
400-89921 BU-R ENC CABLE ASM
BU − R エンコーダケーブル組
1
66 400-47834 AWC-R MOTOR CABLE ASM
幅調モータ R 中継ケーブル組
1
67
#02
400-47838 AWC-R MOTOR CABLE ASM(EN)
AWC モータ R 中継ケーブル組(EN)
1
68
#01
400-89843 AWC-R MOTOR CABLE ASM XL
AWC − R モータケーブル組 XL
1
69
#03
400-89954 AWC-R MOTOR CABLE ASM(EN) XL
AWC モータ R 中継ケーブル組(EN)XL
1
70 400-47832 BU-R MOTOR CABLE ASM
バックアップモータ R 中継ケーブル組
1
71
#02
400-47836 BU-R MOTOR CABLE ASM(EN)
BU モータ R 中継ケーブル組(EN)
1
72
#01
400-89917 BU-R MOTOR CABLE ASM
バックアップモータ R 中継ケーブル組
1
73
#03
400-89952 BU-R MOTOR CABLE ASM(EN)
BU モータ R 中継ケーブル組(EN)
1
74 400-47910 IN SENS CABLE ASM
インセンサ束線組
1
75 400-89929 BU PIN-L SENSOR CABLE ASM XL
BU PIN − L センサ投光束線組 XL
1
76 400-47912 WAIT-L SENSOR CABLE ASM
WAIT − L センサ束線組
1
77 400-47913 STOP-L SENSOR CABLE ASM
STOP − L センサ束線組
1
78 400-47914 COUT-L SENSOR CABLE ASM
COUT − L センサ束線組
1
79 400-02208 IN_SENSOR_ASM
インセンサ組
1
80
#01
L829E-121-0A0 SUPPORT PIN EMITTER SENSOR ASM
サポートピン EMITTER センサ組
1
81 400-47772 WAIT-L SENSOR ASM
ウエイト L センサ組
1
82
#01
400-90061 WAIT-L SENSOR ASM
WAIT − L センサ組
1
83 400-47774 STOP-L SENSOR ASM
STOPL センサ組
1
84
#01
400-90063 STOP-L SENSOR ASM
STOP − L センサ組
1
85 400-47773 COUT-L SENSOR ASM
COUTL センサ組
1
86 400-90062 COUT-L SENSOR ASM
COUT − L センサ組
1
87 400-47906 SBL2 RELAY CABLE ASM
センサブロック L 2中継束線組
1
88 400-47908 SBL2 CABLE ASM
センサブロック L 2束線組
1
89 400-47915 BU ORG-L SENSOR CABLE ASM
BU ORG − L センサ束線組
1
90 400-47916 BU LK-L SENSOR CABLE ASM
BU LK − L センサ束線組
1
91 400-47917 TPN-L SENSOR CABLE ASM
TPIN − L センサ束線組
1
92 400-47918 AWC-L SENSOR CABLE ASM
AWC ORG − L センサ束線組
1
93 400-02124 BU ORG SENSOR ASM
バックアップテーブル原点センサ組
1
94
#02
400-02241 BU LOCK SENSOR ASM
BU ロックセンサ組
1
95 400-02122 T.PIN SENSOR ASM
T ピンセンサ組
1
96 400-02120 AWC ORG SENSOR ASM
自動幅調原点センサ組
1
97 400-47905 SBR1 CABLE ASM
センサブロック R 1束線組
1
98 400-47903 SBR CABLE ASM
センサブロック R 束線組
1
99
#01
400-89926 SBR CABLE ASM
センサブロック R 束線組
1
100 400-47920 OUT SENSOR CABLE ASM
OUT センサ束線組
1
101 400-89931 BU PIN-R SENSOR CABLE ASM XL
BU PIN − R センサ投光束線組 XL
1
102 400-47922 WAIT-R SENSOR CABLE ASM
WAIT − R センサ束線組
1
103 400-47923 STOP-R SENSOR CABLE ASM
STOP − R センサ束線組
1
104 400-47924 COUT-R SENSOR CABLE ASM
COUT − R センサ束線組
1
105 400-47909 SBR2 CABLE ASM
センサブロック R 2束線組
1
106 400-47925 BU ORG-R SENSOR CABLE ASM
BU ORG − R センサ束線組
1
107 400-47926 BU LK-R SENSOR CABLE ASM
BU LK − R センサ束線組
1
108 400-47927 TPN-R SENSOR CABLE ASM
TPIN − R センサ束線組
1
109 400-47928 AWC-R SENSOR CABLE ASM
AWC OR
G − R センサ束線組
1
110 400-02210 OUT SENSOR ASM
アウトセンサ組
1
111 400-47775 WAIT-R SENSOR ASM
ウエイト R センサ組
1
112
#01
400-90064 WAIT-R SENSOR ASM
WAIT − R センサ組
1
113 400-47777 STOP-R SENSOR ASM
STOPR センサ組
1
114
#01
400-90066 STOP-R SENSOR ASM
STOP − R センサ組
1

- 179 -
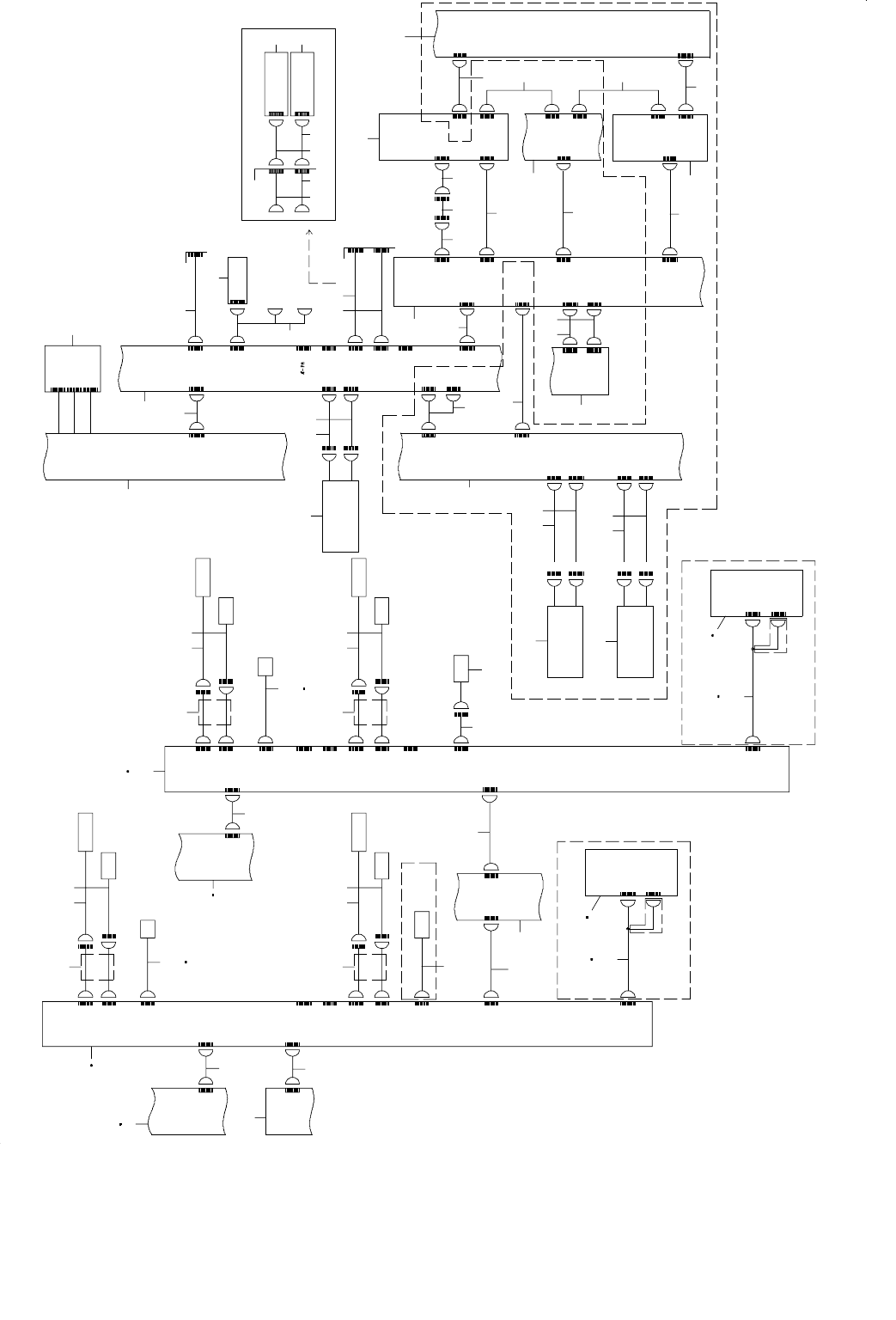
90.SYSTEM DIAGRAM (OPERATION/CPU/MONITOR)
SYSTEM DIAGRAM(OPERATION / CPU / MONITOR)
XY-7
8-2A
POWER UNIT(L)
CN030
10-1A
MOUSE/KEYBOARD
SELECTOR
EX
9-4B
PWRL030
OPEF13
CHG-EX
OPEF21
OPERATION
PCB(F)
CN13
CN21
CN7
CN8
CN12
OPEF-7
OPEF-12
OP CN8
CN22
CN19
CN2
CN1
CN15
CN718
OPEF-14
CN14
CN24
HOD OPTION
(EN ONL Y)
CN8
HOD BOX
XY-7
3-4D
XY-RELAY PCB
CN7
CN9
10-2C
XY-9
KEY CHANGE SW
(EN ONLY)
8-2C
POWER UNIT(R)
CN030
10-3A
PWRR030
OPER13
EMG SW_FR
MNLT_L
MINIPATLITE
OPERATION
PCB(R)
CN7
CN8
CN13
CN12
CN22
CN19
CN2
CN1
OPER-12
OPER10
CN801
CN801
OPER-14
CN14
CN10
SIGNAL TOWER
EMG SW_RR
CN15
CN24
HOD OPTION
(EN ONLY)
CN8
HOD BOX
FRONT
KEYBOARD WITH TRACBALL
(SPACER ASM)
CV-MS R
CV-KB R
CV-MS F
CV-KB F
REAR MONITOR OPTION
MS R
KB R
MS F
KB F
MS2
KB2
MS1
KB1
9-5B
RS PC
SELECTOR
MOUSE/KEYBOARD
KB/MS PC
9-1B
CV-MS F
CV-KB F
MS F
KB F
9-5C
COM
ATX POWER
5-2B
BUTTERY UNIT
CN55
CN123
CN125
1-4C
CPU BOARD
LAN
CN13
COM1
CN1
HDD I/F
IDE
LPT
USB1
USB2
FDD
MS1
KB1
DVI1
12-4A
MOUSE
KB
EXT 1
RS-PC
7-3B
IP-X5
PCB
NTSC1
NTSC2
12-3C
DVI OUT2
(CN6)
AVI2
(CN4)
AVI1
(CN3)
(CN1)
INPS
RS232 TO
MONITOR(CN12)
SUPER
IMPOSE
BOARD
RS232 TO
MONITOR(CN12)
DVI OUT1
(CN5)
DVI I N
(CN2)
EXT 1
RS-PC
USB2
USB1
COVER
CPU
COM2
(RS1)
F
LCD
RS232C
FRONT MONITOR
RS232C
VIDEO
DC12V
RS232C
ATX-5
9-4B
ATX POWER
CN10
CN8
12-5C
REAR MONITOR
DC12V
RS232C
VIDEO
R LCD RS232C RS2
R-LCD
ATX-8
ATX-10
F-LCD
F LCD RS232C
RS1
9-4C
RS1
MOUSE/KEYBOARD
SELECTOR
RS2
SSD
HDD-CP
HDD LAMP
HDD
HLC
COVER
1 2
3
18
19
4
5
20
21
22
23
24
6
7
25
11
12
29
31
8
9
10
32
33
32
33
9
10
46
47
50
51
48
39
38
36
37
13
14
40
15
46
47
3
52
27
27
28
54
53
45
45
44
41
42
16
54
55
34
57
58
56
17
13
17
49
34
35 43
3
30
OP
CN7L
COVER OPEN SW_LF
OPEF-2
OP CN1
COVER OPEN SW_RF
CN7R
OP
22
21
26
MINIPATLITE
MNLT_R
COVER OPEN SW_LR
CN7L
OP
22
21
20
MINIPATLITE
MNLT_L
OPEF-7
OP C N8
COVER OPEN SW_RR
MNLT_R
MINIPATLITE
26
21
22
OP
CN7R
OPEF-2
OP C N1
KEYBOARD WITH TRACBALL
(SPACER ASM)
48
REAR
KEYBOARD WITH TRACBALL
(SPACER ASM)
48
HDD LAMP
NOTE1
PARTS NUMBER FOR EN:( )
PARTS NUMBER FOR XL:[ ]
PARTS NUMBER FOR XL-EN:([ ])
CN5
ISM COOPERATION OP
BARCORD READER(R)
BARCORD READER(F)
COVER
60
59
60
59
61 61

- 180 -
NOTE( 注記 ) #01....FOR EN EN 用
#02....FOR ISM COOPERATION OP ISM COOPERATION OP 用
REF.NO NOTE PART NO D E S C R I P T I O N
品 名
Qty
1 401-23596 POWER_SUPPLY_ASSY_RA-L(ST)
電源供給組 RA(左)ST
1
2
#01
401-23599 POWER SUPPLY ASSY L(EN)
電源供給組(左)EN
1
3 400-03281 MOUSE/KEYBOARD SELECTOR
マウス/キーボード切換器
1
4 400-47520 OPERATION PCB FRONT ASM
オペレーション基板前面組
1
5
#01
400-47543 OPERATION PCB FRONT ASM (EN)
オペレーション基板前面組(EN)
1
6 401-23602 POWER_SUPPLY_ASSY_RA-R(ST)
電源供給組 RA(右)ST
1
7
#01
401-23603 POWER SUPPLY ASSY R(EN)
電源供給組(右)EN
1
8 401-19361 XY-RELAY PCB ASM
XY − RELAY 基板組
1
9 400-48060 HOD ASM
HOD 組
1
10
#01
400-48061 HOD ASM(EN)
HOD 組(EN)
1
11 400-47542 OPERATION PCB REAR ASM
オペレーション基板背面組
1
12
#01
400-47544 OPERATION PCB REAR ASM (EN)
オペレーション基板背面組(EN)
1
13 400-48006 ATX PSU
ATX 電源
1
14 400-48007 BATTERY UNIT
バッテリユニット
1
15 401-07372 CPU BOARD
CPU ボード
1
16 401-22813 SUPER INPAUSE BOARD
スーパーインポーズボード
1
17 401-58158 15INCH LCD MONITOR
15インチ LCD モニタ
1
18 400-89883 OPERATION PWR CABLE (F) ASM XL
オペレーション電源ケーブル組(F)XL
1
19 400-47823 CONSOLE SELECT CABLE ASM
コンソール切換ケーブル組
1
20 401-20274 C OPEN-MINI SIG RLY CABLE(L)ASM
C オープン_ミニパト中継ケーブル L 組
1
21 400-02254 COVER OPEN SW CABLE ASM
カバーオープンスイッチケーブル組
1
22 400-48055 MINI PATLITE ASM
ミニパトライト組
1
23 401-20505 EMG SW(F) ASM
EMG SW(F)組
1
24
#01
401-20507 EMG SW(F) ASM(EN)
EMG SW(F)組(EN)
1
25 400-89884 OPERATION PWR CABLE (R) ASM XL
オペレーション電源ケーブル組(R) XL
1
26 401-20275 C OPEN-MINI SIG RLY CABLE(R)ASM
C オープン_ミニパト中継ケーブル R 組
1
27 400-48042 VIDEO CABLE
ビデオケーブル
1
28 400-47528 IP-X5 PCB ASM
IP − X 5基板 組図
1
29 400-02251 OPERATION ON SW CABLE ASM
オペレーションオン SW ケーブル組
1
30 400-89885 OPERATION RLY CABLE (F) ASM XL
オペレーションリレーケーブル組(F)XL
1
31 400-89886 OPERATION RLY CABLE (R) ASM XL
オペレーションリレーケーブル組(R)XL
1
32 400-79872 HOD CABLE ASM
HOD 束線組
1
33
#01
400-79873 HOD CABLE1 ASM
HOD 束線組_1(EN)
1
34 400-27815 F-232C CABLE ASM
F −232 C ケーブル組
1
35 401-19592 F LCD POWER CABLE ASM
フロント LCD 電源ケーブル組
1
36 401-20506 EMG SW(R) ASM
EMG SW(R)組
1
37
#01
401-20508 EMG SW(R) ASM(EN)
EMG SW(R)組(EN)
1
38 400-48045 SIGNAL TOWER LIGHT ASM
シグナルタワーライト組
1
39 400-47822 SIGNAL LIGHT RLY CABLE ASM
シグナルライトリレーケーブル組
1
40 400-48030 UPS 232C CABLE ASM
UPS 通信ケーブル組
1
41 401-19514 HLC LAN CABLE ASM
HLC LAN ケーブル組
1
42 401-32167 ENVIRONMENT SYSTEM 132 ASM
環境ディスク組132(システム&データ)
1
43 401-19593 R LCD POWER CABLE ASM
リア LCD 電源ケーブル組
1
44 400-47492 HDD I/F CABLE ASM
HDD インターフェイスケーブル組
1
45 401-22816 USB CABLE 2M
USB ケーブル2 M
1
46 400-47494 F-KEYBOARD CABLE ASM
F キーボードケーブル組
1
47 400-47493 F-MOUSE CABLE ASM
F マウスケーブル組
1
48 401-32159 PS2 KEYBOARD SP ASM
PS 2キーボード SP 組
1
49 400-89889 OP-232C CABLE (R) ASM XL
232 C ケーブル(R)組 XL
1
50 400-89899 R-KEY BOARD CABLE ASM XL
R −キーボードケーブル組 XL
1
51 400-89898 R-MOUSE CABLE ASM XL
R −マウスケーブル組 XL
1
52 400-03282 MOUSE/KEYBOARD SELECTOR CABLE ASM
マウス/キーボード切換器ケーブル組
1
53 400-48031 PANEL LINK CABLE 1M
パネルリンクケーブル 1 M
1
54 400-02264 OP-232C CABLE ASM
オプション232 C ケーブル組
1
55 400-98948 MONITOR 232C RLY CABLE ASM
モニタ通信中継ケーブル組
1
56 400-48081 PANEL LINK CABLE 5.0M
パネルリンクケーブル 5.0 M
1
57 400-03312 PANEL LINK CABLE
パネルリンク
1
58 400-47852 INPAUSE BOARD PWR CABLE ASM
インポーズ基板電源ケーブル組
1
59
#02
401-73481 USB REPEATER CABLE
USB リピーターケーブル
1
60
#02
401-73482 USB BARCORD READER CABLE(4M)
USB バーコードリーダーケーブル(4 M)
1
61
#02
EZ-1458644-11 READER BAR CODE
バーコードリーダ(GD 4430− BK)
1