FX-3RA-Rev06 - 第189页
- 18 2 - NOTE ( 注記 ) #01....F OR EN EN 用 REF. NO NOT E PART NO D E S C R I P T I O N 品 名 Qty 1 401- 23 596 POW ER_S UPPL Y_A SSY_R A-L (ST ) 電源供給組 RA( 左)ST 1 2 #01 401-2359 9 POWER SUPPLY ASSY L(EN) 電源供給組(左) EN 1 3 4 00 …

- 181 -
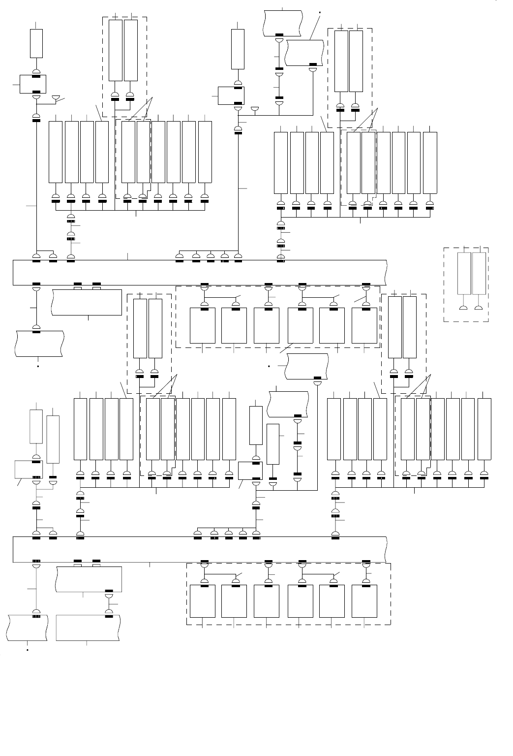
91.SYSTEM DIAGRAM (FEEDER STATION)
SYSTEM DIAGRAM(FEEDER STATION)
PWRL67
9-1A
POWER UNIT(L)
CN023
10-3C
PWRL023
ETHER-SLAVE
PCB(FEEDER_R)
CN1
10-3A
CN1
CN2
CN2
J2
J1
8-1B
ETHER-SLAVE
PCB(FEEDER_L)
LED PCB LF 1
CN1
LED PCB LF 2
CN1
LED PCB LF 3
CN1
LED PCB LR 1
CN1
CN541
FDL15
CN551
CN561
CN541
CN551
FDL17
FDL16
LED PCB LR 2
LED PCB LR 3
CN1
CN1
FPI OPTION
CN561 FLD18
CN18
11-1A
CN21
CN17
CN16
CN21
CN15
CN30
CN27
CN28
CN5
CN20
CN30
CN27
CN28
CN5
CN20
P2
P1
CN19
CN19
CN5
CN20
CN20
CN5
CN1
FEEDER PCB (L)
FDL-1
FDRL19
F-SNS L
CAL F
CAL F(L)
CN491
CN669
CAL PCB
CN1 CN2
ATC-OP
ATC-CL
FROAT-F(RCV)
FROAT-R(RCV)
BANK-UPL
BANK-UPR
ATC S.V
FROAT-F(E)
FROAT-R(E)
SOT-CHK
CAL R
CAL R(L)
CN491
CN669
XYEMGL
CAL PCB
CN1 CN2
CN492
ATC-OP
ATC-CL
FROAT-F(RCV)
FROAT-R(RCV)
BANK-UPL
BANK-UPR
ATC S.V
FROAT-F(E)
FROAT-R(E)
SOT-CHK
SOT CHECK S.V.
FEEDER FLOAT SENSOR(LR-R)
FEEDER FLOAT SENSOR(LR-F)
ATC S.V (LR)
BANK UP SENSOR (LR-R)
BANK UP SENSOR (LR-L)
in the case of "FIXED ELEC BANK",
refer to 10-3D
(EMISSION)
(EMISSION)
FEEDER FLOAT SENSOR(LR-R)
FEEDER FLOAT SENSOR(LR-F)
ATC CLOSE SENSOR(LR)
ATC OPEN SENSOR(LR)
(RECEIVING )
(RECEIVING)
CAL S.V. (LR)
CAL VACUUM SENSOR (LR)
XYEMGL
XY7
10-5C
CN7
XY RELAY PCB
9-2C
SOT CHECK S.V.
FEEDER FLOAT SENSOR(LF-R)
FEEDER FLOAT SENSOR(LF-F)
ATC S.V (LF)
BANK UP SENSOR (LF-R)
BANK UP SENSOR (LF-L)
(EMISSION)
(EMISSION)
in the case of "FIXED ELEC BANK",
refer to 10-3D
FEEDER FLOAT SENSOR(LF-R)
(RECEIVING)
(RECEIVING)
FEEDER FLOAT SENSOR(LF-F)
ATC CLOSE SENSOR(LF)
ATC OPEN SENSOR(LF)
CAL VACUUM SENSOR (LF)
CAL S.V. (LF)
MECH/ELEC TROLY OPTION
ETF FORA SENSOR(LR)(EMISSION)
ETF FOAT SENSOR(LR)(RECEIVING)
E-FROAT(E)
E-FROAT(RCV)
LED PCB RR 3
LED PCB RR 2
LED PCB RR 1
LED PCB RF 3
LED PCB RF 2
LED PCB RF 1
FPI OPTION
CN1
CN1
CN1
CN1
CN1
CN1
10-1A
POWER UNIT(L)
CN067
11-1A
MECH/ELEC TROLY OPTION
ETF FORA SENSOR(LF)(EMISSION)
ETF FOAT SENSOR(LF)(RECEIVING)
E-FROAT(E)
E-FROAT(RCV)
9-2B
POWER UNIT(R)
CN023
10-5C
PWRR023
10-1A
ETHER-SLAVE
PCB(FEEDER_R)
J1
J2
FDR-1
FEEDER PCB (R)
CN1
P1
P2
CN19
CN5
CN20
CN20
CN5
CN19
FDR15
CN541
CN551
CN15
CN16
FDR16
CN561
CN541
FDR17
CN551
CN17
CN561
FLR18
CN18
11-1C
CN21
CN21
CN30
CN27
CN28
CN5
CN20
CN20
CN5
CN28
CN27
CN30
ATC-OP
ATC-CL
FROAT-F(RCV)
FROAT-R(RCV)
BANK-UPL
BA NK -U PR
AT C S.V
FROAT-F(E)
FROAT-R(E)
SOT-CHK
ATC-OP
ATC-CL
FROAT-F(RCV )
FROAT-R(RCV )
BANK-UPL
BANK-UPR
ATC S.V
FROAT-F(E)
FROAT-R(E)
SOT-CHK
SOT CHECK S.V.
FEEDER FLOAT SENSOR(RR-R)
FEEDER FLOAT SENSOR(RR-F)
ATC S.V (RF)
BANK UP SENSOR (RR-R)
BANK UP SENSOR (RR-L)
(EMISSIO N)
(EMISSIO N)
in the case of "FIXED ELEC BANK",
refer to 10-3D
FEEDER FLOAT SENSOR(RR-R)
FEEDER FLOAT SENSOR(RR-F)
ATC CLOSE SENSOR(RR)
ATC OPEN SENSOR(RR)
(RECEIVING)
(RECEIVING)
CAL R
CAL R(R)
SOT CHECK S.V.
FEEDER FLOAT SENSOR(RF-R)
FEEDER F LOAT SENSOR(RF-F)
ATC S.V (RF)
BANK UP SENSOR (RF-R)
BANK UP SENSOR (RF-L)
(EMISSION)
(EMISSION)
in the case of "FIXED ELEC BANK",
refer to 10-3D
FEEDER FLOAT SENSOR(RF-R)
FEEDER F LOAT SENSOR(RF-F)
ATC CLOSE SENSOR(RF)
ATC OPEN SENSOR(RF)
(RECEIVING)
(RECEIVING)
CAL F
CAL F(R)
CN491
CN669
CAL PCB
CN1
CN2
CAL S.V. (RF)
ETF FOAT SENSOR(RF)(RECEIVING)
ETF FORA SENSOR(RF)(EMISSION)
E-FROAT(RCV)
E-FROAT(E)
MECH/ELEC TROLY OPTION
CAL S.V. (LR)
CAL PCB
CN1 C N2
CN669
CN491
XYEMGR XYEMGR
PWRL67
10-3A
POWER UNIT(R)
CN067
11 -1 C
XY7
10-3C
XY RELAY PCB
CN7
12-1B
ETF FOAT SENSOR(RR)(RECEIVING)
ETF FORA SENSOR( RR)(EMISSION)
MECH/ELEC TROLY OPTION
E-FROAT(E)
E-FROAT(RCV)
1 24
30 30 30 30 30 30
26
27
28
29
4
6
13
8
14
31
9
10
11
12
15 16 17
18
22 23 24 25
11
21
32
10
12
35
36
37
2019
42
43
22 44 45 25
21
BUP SENS SHORT ASM
BUP SENS SHORT ASM
FIXED ELEC BANK
BANK-UPL
BANK-UPR
4646
1
2
2019
30 30 3030 3030
40
41
4
7
6
1615
11
20
15
19
42
43
16 22 44 45 25
21
26
28
27
29
31
11
38
8
2019
10
21
2524232216
18
1715
39
10
35
36
40
41
37
5
3
CN492
F SNS-R
34
33
FDRL21
F-SNS L
14
13
FDRL19
F SNS-R
FDRL21
33
34
NOTE1
PARTS NUMBER FOR EN:( )
PARTS NUMBER FOR XL:[ ]
PARTS NUMBER FOR XL-EN:([ ])
48
47
48
47
NOTE2
NOTE2
NOTE2
NOTE2
NOTE2
NOTE2
NOTE2
NOTE2
NOTE2
NOTE2
NOTE2
NOTE2
NOTE2
NOTE2
NOTE2
NOTE2
NOTE2
NOTE2
NOTE2
NOTE2
NOTE2
NOTE2
NOTE2
NOTE2
NOTE2
FLOAT SENSOR set of Emitter asn Receiver
surfix _1:Emitter
surfix _2:Receiver

- 182 -
NOTE( 注記 ) #01....FOR EN EN 用
REF.NO NOTE PART NO D E S C R I P T I O N
品 名
Qty
1 401-23596 POWER_SUPPLY_ASSY_RA-L(ST)
電源供給組 RA(左)ST
1
2
#01
401-23599 POWER SUPPLY ASSY L(EN)
電源供給組(左)EN
1
3 400-91470 FEEDER PWR CABLE (LR) ASM
フィーダ電源ケーブル(LR)組
1
4 400-47557 ETHER-SLAVE PCB ASM
ETHER − SLAVE 基板組
1
5 400-91922 ETHER CABLE FEEDER LF-LR ASM
イーサケーブルフィーダ LF − LR 組
1
6 400-47560 FEEDER PCB ASM
フィーダ基板組
1
7 400-91471 FEEDER PWR CABLE (RR) ASM
フィーダ電源ケーブル(RR)組
1
8 400-47483 FEEDER CAL(F) CABLE ASM
CAL(F)ケーブル組
1
9 400-89890 CAL BLOCK CABLE(LF) ASM
CAL ブロックケーブル(LF)組
1
10 400-07376 CALBLOCK PCB ASM
CAL ブロック基板組
1
11 400-47986 CAL VACUUM SV ASM
CAL バキューム SV 組
1
12 401-22811 CAL-VCUM SENS ASM
CAL バキュームセンサ組
1
13 400-48176 FEEDER SENSOR RELAY(F) CABLE ASM
フィーダセンサ中継ケーブル(F)組
1
14 401-22895 FEEDER SENS RLY-F CABLE ASM
フィーダセンサ RLY − F ケーブル組
1
15 400-02128 ATC OPEN SENSOR ASM
ATC オープンセンサ組
1
16 400-02127 ATC CLOSE SENSOR ASM
ATC クローズセンサ組
1
17 401-53658 FD-FLOAT(FF) SENS SET ASM
フィーダ浮き(FF)センサセット組
1
18 401-53659 FD-FLOAT(FR) SENS SET ASM
フィーダ浮き(FR)センサセット組
1
19 401-53666 ETF-FLOAT SENS SET ASM
ETF − FLOAT センサセット組
1
20 401-53666 ETF-FLOAT SENS SET ASM
ETF − FLOAT センサセット組
1
21 400-02167 BANK UP(F)SENSOR ASM
バンクアップ(F)センサ組
1
22 400-47485 ATC SV CABLE ASM
ATC SV ケーブル組
1
23 401-53658 FD-FLOAT(FF) SENS SET ASM
フィーダ浮き(FF)センサセット組
1
24 401-53659 FD-FLOAT(FR) SENS SET ASM
フィーダ浮き(FR)センサセット組
1
25 400-47486 SOT CHECK SV CABLE ASM
SOT 検査台 SV ケーブル組
1
26 400-93064 FPI-LED 1 CABLE(F) ASM
FPI − LED 1ケーブル(F)組
1
27 400-93065 FPI-LED 2 CABLE(F) ASM
FPI − LED 2ケーブル(F)組
1
28 400-93066 FPI-LED 1 CABLE(R) ASM
FPI − LED 1ケーブル(R)組
1
29 400-93067 FPI-LED 2 CABLE(R) ASM
FPI − LED 2ケーブル(R)組
1
30 E8626-729-0A0 FPI LED BOARD ASM.
FPI LED 基板組
1
31 400-47484 FEEDER CAL(R) CABLE ASM
CAL(R)ケーブル組
1
32 400-89892 CAL BLOCK CABLE(LR)ASM
CAL ブロックケーブル(LR)組
1
33 400-48177 FEEDER SENSOR RELAY(R) CABLE ASM
フィーダセンサ中継ケーブル(R)組
1
34 401-22894 FEEDER SENS RLY-R CABLE ASM
フィーダセンサ RLY − R ケーブル組
1
35 400-89675 FD EMG RLY CABLE ASM
フィーダ非常停止中継束線組
1
36 400-89885 OPERATION RLY CABLE (F) ASM XL
オペレーションリレーケーブル組(F) XL
1
37 401-19361 XY-RELAY PCB ASM
XY − RELAY 基板組
1
38 400-89877 CAL BLOCK CABLE(RF) ASM
キャルブロックケーブル(RF)組
1
39 400-89878 CAL BLOCK CABLE(RR) ASM
キャルブロックケーブル(RR)組
1
40 401-23602 POWER_SUPPLY_ASSY_RA-R(ST)
電源供給組 RA(右)ST
1
41
#01
401-23603 POWER SUPPLY ASSY R(EN)
電源供給組(右)EN
1
42 401-53660 FD-FLOAT(RF) SENS SET ASM
フィーダ浮き(RF)センサセット組
1
43 401-53661 FD-FLOAT(RR) SENS SET ASM
フィーダ浮き(RR)センサセット組
1
44 401-53660 FD-FLOAT(RF) SENS SET ASM
フィーダ浮き(RF)センサセット組
1
45 401-53661 FD-FLOAT(RR) SENS SET ASM
フィーダ浮き(RR)センサセット組
1
46 400-95637 BUP SENSOR SHORT ASM
BUP センサショート組
1
47 401-22896 FEEDER SENS R CABLE ASM
フィーダセンサ R ケーブル組
1
48 401-22897 FEEDER SENS F CABLE ASM
フィーダセンサ F ケーブル組
1

- 183 -
92.SYSTEM DIAGRAM (MECH TOROLY I/F)
SYSTEM DIAGRAM(MECH TOROLY I / F)
in th e c ase of
"FIXED B ANK",
refer to 11 -5A
in the case of
"FIXED BA NK",
refer to 11 -5A
in the case of
"FIXED BA NK",
refer to 11 -5A
in the case of
"FIXED BANK",
refer to 11- 5A
10-1D
FEEDER PCB (L)
CN3
11-3A
10-3C
POWER UNIT(L)
CN024
CN065
11-3B
10-4C
POWER UNIT(R)
CN024
CN065
11-3C
FG-TAP(RF)
CN352
CN206
CN205
FG-TAP(LF)
PWRL065
PWRL024
CN205
CN206
CN352
CN 3
CN3
CN03
CN350
CN370
CN350
13-1A
ELEC
TOROLY
I/F
M BANK BK31
BK40
COVER (LF)
CN205
CN206
CN352
CN383
CVS OPTION/RFID
12-5B
CN350
COVER (RF)
MBANK
BK31
13-1C
ELEC
TOROLY
I/F
BK40
CN205
CN206
CN352
CN383
12-5C
CVS OPTION/RFID
RFID
ANTENNA
RFID
OUT
IN
CONNECTOR BRACKET OPTION
CN357
CN357 CN507
CN507
CN38
CN37
CN39
CN34
CN40
CN31
CN36
MECH BANK PCB
RFID
ANTENNA
RFID
OUT
IN
CONNECTOR BRACKET OPTION
CN357
CN357 CN507
CN507
MECH BANK PCB
CN31
CN40
CN36
BK36
CN34
CN39
CN37
CN38
BK34
BK39
BK37
BK38
KNOCK PIN S.V.
FEEDER BANK
PCB
CN9
CN10
CN 64 9
CN649
CN10
CN9
KNOCK PIN S.V.
FEEDER BANK
PCB
CN9
CN10
CN649
CN649
CN10
CN9
BK36
BK34
BK39
BK37
BK38
11-1A
FEEDER PCB (L)
13-1A
11-1B
POWER UNIT(L)
CN025
CN066
12-1A
PWRL066
PWRL025 CN205
CN206
CN 35 2
FG-TAP(LR)
CN 35 0
COVER (LR)
M BANK
BK31
BK40
13-3A
ELEC
TOROLY
I/F
CN 20 5
CN206
CN352
CN383
12-5B
CVS OPTION/RFID
RFID
ANTENNA
RFID
MECH BANK PCB
CN36
CN31
CN40
CN34
CN39
CN37
CN38
BK38
BK37
BK39
BK34
BK36
KNOCK PIN S.V.
FEEDER BANK
PCB
CN9
CN10
CN649
CN649
CN507
CN507
CN357
CN357
CONNECTOR BRACKET OPTION
IN
OUT
CN10
CN9
FIXED BANK
CN350
CN205
CN206
CN352
CN357
CN40
CN31
MECH BANK PCB
BK31
BK40
11-1C
POWER UNIT(R)
12-1C
CN066
CN025
PWRR025
PWRR066
FG-TAP(RR)
CN352
CN206
CN205
COVER (RR)
M BANK BK31
BK40
CN350
13-3C
ELEC
TOROLY
I/F
CN205
CN206
CN352
CN383
12-5B
CVS OPTION/RFID
RF ID
AN TE NN A
RF ID
CN40
CN31
IN
OUT
CONNECTOR BRACKET OPTION
CN507
CN507
CN357
CN357
CN38
CN37
CN39
CN34
CN36
MECH BANK PCB
BK36
BK34
BK39
BK37
BK38
CN649 CN649
CN10
CN9
FEEDER BANK
PCB
KNOCK PIN S.V.
CN9
CN10
19 20
21
21
17
5
6
8
7
12
9
10
11
10
10
31
13
6
5
12
9
10
11
10
10
13
31
PWRR024
PWRR065
1
14
15
23
23
17
6
5
8
7
12
9
10
11
10
10
13
31
19
20
25
25
17
6
5
8
7
12
9
10
11
10
10
13
31
27
28
26
1
14
15
2
16
16
17
RYL03
FEEDER PCB (L)
RLYL03
29
FCAN1
4
RCAN1
22
30
RLYL04
FEEDER PCB (L)
RYL04
3
CN370
CN350
CN04
CN3
CN4
CN4
RCAN2
FCAN2
7
8
1
18
FCAN1
29
RLYL03
FEEDER PCB (R)
RYL0 3
2
CN370
CN350
CN03
CN3
CN3
11-3C
CN3
FEEDER PCB (R)
10-3D
FCAN2
FEEDER PCB (L)
CN370
CN4
RCAN2
CN3
CN04
CN350
3
RYL04
RLYL04
30
24
RCAN1
CN4
13-1B
FEEDER PCB (R)
11-1C
1
NOTE1
PARTS NUMBER FOR EN:( )
PARTS NUMBER FOR XL:[ ]
PARTS NUMBER FOR XL-EN:([ ])