FX-3RA-Rev06 - 第196页
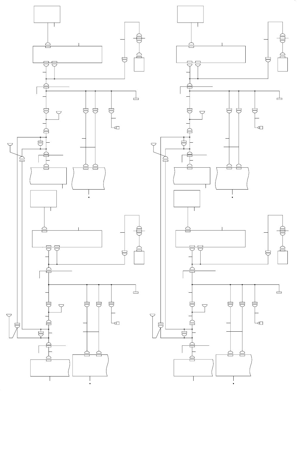
- 18 9 - 95. SYSTEM DIAGRAM (IFS-NX/MECH T OROLY I/F) SYST EM DIA GRA M(IFS − NX / MECH TOROLY I / F) 5 B K31 BK 40 6 M ECH BA NK PC B CN 36 B K36 CN 31 CN4 0 7 KN OCK PI N S. V. 8 16 OU T IN RF ID RFI D ANT ENNA FE EDER…

- 188 -
NOTE( 注記 ) #01....TYPE XL XL 仕様
#02....FOR EN EN 用
REF.NO NOTE PART NO D E S C R I P T I O N
品 名
Qty
1 400-47560 FEEDER PCB ASM
フィーダ基板組
1
2 401-23596 POWER_SUPPLY_ASSY_RA-L(ST)
電源供給組 RA(左)ST
1
3
#02
401-23599 POWER SUPPLY ASSY L(EN)
電源供給組(左)EN
1
4 401-23602 POWER_SUPPLY_ASSY_RA-R(ST)
電源供給組 RA(右)ST
1
5
#02
401-23603 POWER SUPPLY ASSY R(EN)
電源供給組(右)EN
1
6 400-84842 FEEDER CUTTER(F) WIRE ASM
フィーダカッタ(F)ワイヤー組
1
7 400-89894 ETF PWR CABLE(F)ASM
ETF パワーケーブル(F)組
1
8 400-84843 FEEDER CUTTER(R) WIRE ASM
フィーダカッタ(R)ワイヤー組
1
9 400-89896 ETF PWR CABLE(R)ASM
ETF パワーケーブル(R)組
1
10 400-91909 CUTTER RELAY F CABLE ASM
カッタ中継 F ケーブル組
1
11 400-65178 CUTTER RELAY R CABLE ASM
カッタ中継 R ケーブル組
1
12 401-11734 ELEC BANK RELAY WIRE ASM
ELEC バンク中継ワイヤー組
1
13 400-84834 CUT RELAY CABLE ASM
CUT 中継ケーブル組
1
14 400-84835 CUT OPEN SENSOR ASM
CUT オープンセンサ組
1
15 400-84839 CUT CLOSE SENSOR ASM
CUT クローズセンサ組
1
16 400-84836 CUT SV CABLE ASM
CUT SV ケーブル組
1
17 401-11733 ELEC BANK IF CABEL ASM
ELEC バンク IF ケーブル組
1
18 401-12388 ELEC BANK PCB ASM
ELEC バンク基板組
1
19 400-84837 EF ARRANGE CBL 2 ASM
EF ARRANGE ケーブル2組
1
20 400-84841 EF ARRANGE CBL 1 BRACKET ASM
EF ARRANGE ケーブル1ブラケット組
1
21
#01
400-84833 EF ARRANGE CBL 1 ASM
EF ARRANGE ケーブル1組
1
22 400-89673 EF CP ASM
EF CP 組
1
23 400-84826 EF IF CBL 1-5 ASM
EF IF ケーブル 1−5組
1
24 400-84827 EF IF CBL 6-10 ASM
EF IF ケーブル 6−10組
1
25 400-84828 EF IF CBL 11-15 ASM
EF IF ケーブル 11−15組
1
26 400-84829 EF IF CBL 16-20 ASM
EF IF ケーブル 16−20組
1
27 400-84830 EF IF CBL 21-25 ASM
EF IF ケーブル 21−25組
1
28 400-84831 EF IF CBL 26-30 ASM
EF IF ケーブル 26−30組
1
29 400-79659 RFID JOINT CABLE ASM
RFID ジョイントケーブル組
1
30 400-95638 ELEC BANK CABLE ASM
ELEC バンクケーブル組
1
31 400-95639 ELEC BANK PWR CABLE ASM
ELEC バンク電源ケーブル組
1
32 400-47552 ELEC BANK PCB ASM
ELEC バンク基板組
1
33 400-84840 ELEC BANK TOROLY FG WIRE ASM
ELEC バンクトロリー FG ワイヤー組
1

- 189 -
95.SYSTEM DIAGRAM (IFS-NX/MECH TOROLY I/F)
SYSTEM DIAGRAM(IFS − NX / MECH TOROLY I / F)
5
BK31
BK40
6
MECH BANK
PCB
CN36
BK36
CN31
CN40
7
KNOCK PIN
S.V.
8
16
OUT
IN
RFID
RFID
ANTENNA
FEEDER
PCB(R)
1-3C
CN3
POWER
UNIT(R)
CN024
1-3C
CN065
FEEDER
PCB(R)
CN3
CN3
CN03
FCAN1
RYL03
2
3
RLYR03
18
CN350
CN350
CN370
13-1A
ELEC TOROLY
I/F
5
MPC-CAN(F) 3-3C
CAN-MPC
FCAN2
COVER(LF)
MBANK
BK40
BK31
6
7
CN31
CN40
CN36
MECH BANK
PCB
BK36
8
KNOCK PIN
S.V.
FEEDER
PCB(R)
CN4
1-1C
1
CN4 CN4CN4
FEEDER
PCB(R)
9
RCAN1
10
RLY04
RLYR04
CN370
CN350
CN350
19
5
13-3A
ELEC TOROLY
I/F
RCAN2
MPC-CAN(R) 3-3C
CAN-MPC
22
22
PWRR024
PWRR065
FG-TAP
(RF)
15
CN205
CN206
CN352
CN205
CN206
CN352
CN383
2-1C
ELEC TOROLY
I/F
RFID
OUT
IN
RFID
ANTENNA
16
CN025
CN066
2-1C
20 21
PWRR025
PWRR066
23
23
CN205 CN205
CN206
CN206
CN352
CN352
15
FG-TAP
(RR)
2-3C
ELEC TOROLY
I/F
CN383
1-1C
POWER
UNIT(R)
COVER(RR)
MBANK
20 211
RFID
ANTENNA
RFID
IN
OUT
16
POWER
UNIT(L)
1-1B
CN383
2-3A
ELEC TOROLY
I/F
FG-TAP
(LR)
15
CN352
CN352
CN206
CN206
CN205CN205
17
17
PWRL066
PWRL025
12 13
2-1A
CN066
CN025
16
RFID
ANTENNA
IN
OUT
RFID
2-1A
ELEC TOROLY
I/F
CN383
CN352
CN206
CN205
CN352
CN206
CN205
15
FG-TAP
(LF)
PWRL065
PWRL024
14
14
8
KNOCK PIN
S.V.
7
CN40
CN31
BK36
CN36
MECH BANK
PCB
6
BK40
BK31
COVER(LR)
M BANK
3-3B
CAN-MPC
MPC-CAN(R)
RCAN2
13-3A
ELEC TOROLY
I/F
11
CN350
CN350
CN370
RLYL04
RLY04
10
RCAN1
9
FEEDER
PCB(L)
CN4CN4CN4
1
1-1A
CN4
FEEDER
PCB(L)
KNOCK PIN
S.V.
8
BK36
MECH BANK
PCB
CN36
CN40
CN31
7
6
BK31
BK40
COVER(LF)
MBANK
FCAN2
3-3B
CAN-MPC
MPC-CAN(F)
5
13-1A
ELEC TOROLY
I/F
CN370
CN350
CN350
4
RLYL03
3
2
RYL03
FCAN1
CN03CN3
CN3
FEEDER
PCB(L)
CN065
1-3A
CN024
POWER
UNIT(L)
12 131
CN3
1-3A
FEEDER
PCB(L)

- 190 -
NOTE( 注記 ) #01....FOR EN EN 用
REF.NO NOTE PART NO D E S C R I P T I O N
品 名
Qty
1 400-47560 FEEDER PCB ASM
フィーダ基板組
1
2 400-47481 FEEDER IF RELAY(F) CABLE ASM
フィーダ IF 中継ケーブル(F)組
1
3 401-67784 FEEDER IF RELAY-03 CABLE ASM
フィーダ IF RELAY −03ケーブル組
1
4 401-11737 FEEDER PCB(LF) IF CABLE ASM
フィーダ基板(LF)IF ケーブル組
1
5 400-48189 MECH BANK RELAY WIRE ASM
メカバンク中継束線組
1
6 400-48190 MECH BANK IF CABLE ASM
メカバンク IF ケーブル組
1
7 400-82807 MECHANICAL BANK PCB SET
メカバンク基板セット
1
8 400-63859 DRIVE_CYLINDER
ドライブシリンダー
1
9 400-47482 FEEDER IF RELAY(R) CABLE ASM
フィーダ IF 中継ケーブル(R)組
1
10 401-67785 FEEDER IF RELAY-04 CABLE ASM
フィーダ IF RELAY −04ケーブル組
1
11 401-11735 FEEDER PCB(LR) IF CABLE ASM
フィーダ基板(LR)IF ケーブル組
1
12 401-23596 POWER_SUPPLY_ASSY_RA-L(ST)
電源供給組 RA(左)ST
1
13
#01
401-23599 POWER_SUPPLY_ASSY_L(EN)
電源供給組(左)EN
1
14 400-91543 BANK RLY CABLE (LF) ASM
バンク RLY ケーブル(LF)組
1
15 400-48183 BANK(F) FG CABLE ASM
バンク(F)FG ケーブル組
1
16 400-79659 RFID JOINT CABLE ASM
RFID ジョイントケーブル組
1
17 400-91544 BANK RLY CABLE (LR) ASM
バンク RLY ケーブル(LR)組
1
18 401-11738 FEEDER PCB(RF) IF CABLE ASM
フィーダ基板(RF)IF ケーブル組
1
19 401-11736 FEEDER PCB(RR) IF CABLE ASM
フィーダ基板(RR)IF ケーブル組
1
20 401-23602 POWER_SUPPLY_ASSY_RA-R(ST)
電源供給組 RA(右)ST
1
21
#01
401-23603 POWER_SUPPLY_ASSY_R(EN)
電源供給組(右)EN
1
22 400-91546 BANK RLY CABLE (RF) ASM
バンク RLY ケーブル(RF)組
1
23 400-91550 BANK RLY CABLE (RR) ASM
バンク RLY ケーブル(RR)組
1