NPM-D2 - 第333页
Ref No. Remark s R 1 Q'ty 44-B 交 換 台車駆 動部 (切替仕様):NPM-D Feeder Cart D rive Unit(Changing Specification):NPM-D イラスト No. Part No. 品 名 品番 数量 R 2 パーツリスト Kit N o . キット品 番 Kit Name キット名称 N610112809AA Part Nam e 備 考 セクションNo…

44-B
交
換
台車駆
動部
(切替仕様):NPM-D
Feeder Cart Drive Unit(Changing Specification):NPM-D
パーツレイアウト
Ki
t
N
o
.
キット
品番
Kit Name
キット名称
N610112809AA
セクションNo.
PARTS LAYOUT
Section No.
--
O145
( KN610112809AA-09-2 )

Ref
No.
Remarks
R
1
Q'ty
44-B
交
換
台車駆
動部
(切替仕様):NPM-D
Feeder Cart Drive Unit(Changing Specification):NPM-D
イラスト
No.
Part No.
品 名品番 数量
R
2
パーツリスト
Kit N
o
.
キット品
番
Kit Name
キット名称
N610112809AA
Part Name
備 考
セクションNo.
PARTS LIST
Section No.
R
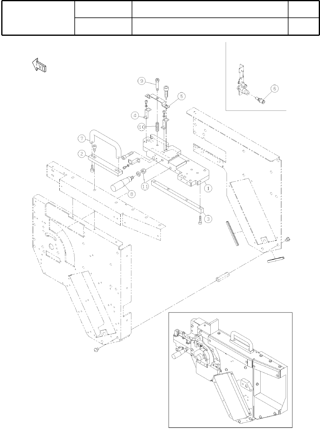
3
BLOCK
1
1 N210091233AA
SHAFT
1
2 N210091107AA
LEVER
1
3 N210103096AE
LEVER
1
4 N210103097AB
PLATE
1
5 N210091110AA
SHAFT
1
6 N210091266AB
WASHER
1
7 N210117347AA
WASHER
1
8 N210117346AB
PLATE
1
9 N210105333AD
GUIDE
1
10 N210103100AB
BRACKET
1
11 KXFB00JJA01
SWITCH(400mm)
1
12 N610076513AA
CAM-FOLLOWER
1
13 N510036568AA CF-SFU-12B
BUSH
1
14 N510037242AA LFF-2010
BUSH
1
15 N510013369AA LFF-2015
WASHER
1
16 N510037241AA LFW-2015
PIN
1
17 N510020590AA MMS3-10
DOWEL-PIN
1
19 N510038675AA 87MST8-30
SPRING
1
20 N510033553AA 6796
CYLINDER
1
21 N510061079AA CDQ2D63-135DCZ-XB10
ROD-END
1
22 N510014419AA SAJK10C
BOLT
1
23 N510037244AA 87MSB10-20
SPACER
10
24 N510037246AA ASF-850E
POST
1
25 N510037245AA 87ETKR8-50
SPEED-CONTROLLER
2
26 N510040089AA AS2201F-02-06S-8-X250
BOLT
2
27 N510017516AA
SSS 003 Hexagon socket button head screw M4X10-10.9 A2J (Trivalent)
BOLT
21
28 N510017569AA
SSS 003 Hexagon socket button head screw M8X10-10.9 A2J (Trivalent)
SPACER
1
30 N510042412AA 3382330-60080
PIN
1
31 N510020607AA MMS5-10
PIN
1
32 N510027277AA MMST8-15
O146
--
( KN610112809AA-09-2 )

44-C
交
換
台車駆
動部
(切替仕様):NPM-D
Feeder Cart Drive Unit(Changing Specification):NPM-D
パーツレイアウト
Ki
t
N
o
.
キット
品番
Kit Name
キット名称
N610112809AA
セクションNo.
PARTS LAYOUT
Section No.
--
O147
( KN610112809AA-09-3 )