KE-2070_KE-2080_KE-2080R-Rev14 - 第167页

- - REF .NO NOT E PA R T NO D E S C R I P T I O N Q ty 1 400 -0 19 5 1 BAN K FPI F P CB A S M. 1 2 400 -0 19 4 1 BASE F EEDER PC B ASM. 1 3 400 -0 19 4 9 BAN K/ FPI -R P CB A SSY 1 4 400 -0 22 4 4 BAN K FR CABLE ASM 1 …

100%1 / 206
- -
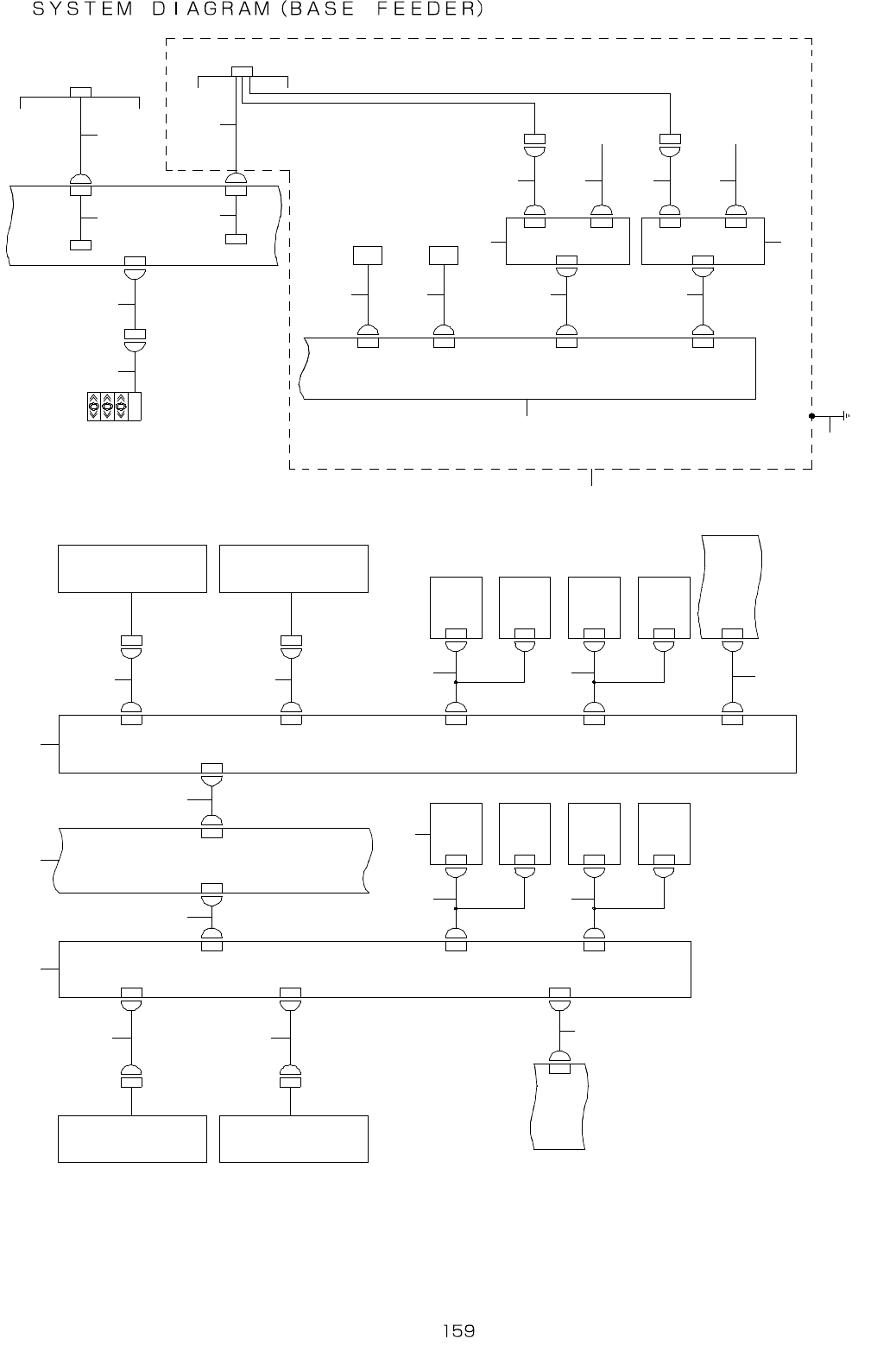
80. SYSTEM DIAGRAM (BASE FEEDER)
1 - 2 C
C H 2 R
C N 1 F
1 - 5 C
1 5 - 2 D
1 5 - 2 D
9-1C
15-1B
I / O C O N T R O L
P C B ( 4 / 5 )
C N 3L S 4 - 3C N1 C N 5 2 1 R
( R 3 - 2 )
L E D P C B
C N 1CN 5 4 1
( R3 - 1 )
L E D P C B
C N 1CN 5 5 1
CN 2
(1 / 2)
C N 5 0 2
( R 2 - 2 )
L E D P C B
C N 1
C N 5 6 1
( R2 - 1 )
L E D P C B
C N 1
C N 5 7 1
CN 3
(1 / 2)
C N 5 0 3
I / O C O N T R O L
P C B ( 3 / 5 )
C N 2 L S 4 - 2 C N 5 2 1 F
C N 1
7-1B
9-3D
(F 1- 1 )
L E D P C B
C N 1C N 5 4 1
(F 1 - 2 )
L E D P C B
C N 1C N 5 5 1
C N2
( 1/ 2 )
C N 5 0 2
( F 2 - 1 )
L E D P C B
C N 1C N 5 6 1
( F 2 - 2 )
L E D P C B
C N 1C N 5 7 1
C N3
( 1/ 2 )
C N 5 0 3
R F I D E
F 1 1 E
C N 0 4 S L
C N 4 S R
C N 4 S L
C N 4 SC H 4 C H 4 S
C N 0 3 M L
C N 3 M R
C N 3 M L
C N 3 MC H 3 C H 3 M
C O N N E C T O R B R A C K E T
( O V E R A L L R E P L A C E M E N T
T A B L E R )
C H 2 C H 2 R
C H 1 C H 1 F
C O N N E C T O R B R A C K E T
( O V E R A L L R E P L A C E M E N T
T A B L E F )
CN7
B A N K / F P I - R
P C B .
B A S E - F E E D E R
P C B ( 2 / 4 )
B A N K / F P I - F
P C B .
FEEDER(FR)
KE-2080-ST(RFID)
R F I D W I R I N G
M P C - 4 C ( 2 / 2 )
CN11
(L)
COVER
MTC I/F
CN6
LS3-6
CN6
FEEDER(RR)
FEEDER(RL)
CN7
CN6
FEEDER(FR)
CN1
LS3-2
13-4B
CN11
COVER
MTC I/F(L)
CN6
CN2CN483
SIGNAL LIGHT
B AS E - FE E D ER
PC B (3 /4 )
LS3-4F CN4F
CN506F
CN507F
CN501F CN4R CN501R
CN506R
CN507R
BK-FL
BK-FR
BK-RL
BK-RR
LS3-4RCN5
9-4A
LS3-6
9-2B
4 5
1
6
7
2
3
8 9
3 2
3 1
3 0
3 4
3 3 3 5
3 6
1 0
1 1
1 2
1 3
1 5
1 8
2 9
1 6
1 9 2 0 2 1 2 2
2 4 2 7 1 72 5
2 3 2 6
2 8
- -
REF.NO NOTE PART NO D E S C R I P T I O N Qty
1 400-01951 BANK FPI F PCB ASM. 1
2 400-01941 BASE FEEDER PCB ASM. 1
3 400-01949 BANK/FPI-R PCB ASSY 1
4 400-02244 BANK FR CABLE ASM 1
5 400-02243 BANK FL CABLE ASM 1
6 400-02088 BANK F CABKE ASM 1
7 400-02089 BANK R CABKE ASM 1
8 400-02245 BANK RL CABLE ASM 1
9 400-02246 BANK RR CABLE ASM 1
10 400-03265 SIGNAL TOWER ASM 1
11 400-02090 SIGNAL LIGHT CABLE ASM 1
12 400-02052 B ASE MTC CABLE ASM 1
13 400-02104 MTC I/F(L) CABLE ASM 1
14 400-02086 FPI R CABLE ASM 1
15
#01
400-73931 KE-2080-ST(RFID) 1
16 400-73032 4 PORT MPC (1)
17 400-73748 RFID S BRANCH MTC I/F CABLE ASM (1)
18 400-73745 RFID MTC I/F(L) CABLE ASM (1)
19 401-22523 RFID BANK F CONTROL BOX CABLE ASM (1)
20 401-22524 RFID BANK R CONTROL BOX CABLE ASM (1)
21 401-22525 RFID M BRANCH CONTROL BOX CABLE ASM (1)
22 401-22526 RFID S BRANCH CONTROL BOX CABLE ASM (1)
23 KK-0000009-50 CONNECTOR (1)
24 400-73749 RFID M BRANCH MTS I/F CABLE ASM (1)
25 400-73746 RFID M BRANCH MTC I/F CABLE ASM (1)
26 KK-0000009-50 CONNECTOR (1)
27 400-73750 RFID S BRANCH MTS I/F CABLE ASM (1)
28 401-22522 RFID CONTROL BOX FG CABLE (60) ASM 1
29 400-02052 B ASE MTC CABLE ASM 1
30 E8626-729-0A0 FPI LED BOARD ASM. 1
31 400-02250 FPI LED CABLE ASM B 1
32 400-02087 FPI F CABLE ASM 1
33 400-02250 FPI LED CABLE ASM B 1
34 400-02249 FPI LED CABLE ASM A 1
35 400-02249 FPI LED CABLE ASM A 1
- -
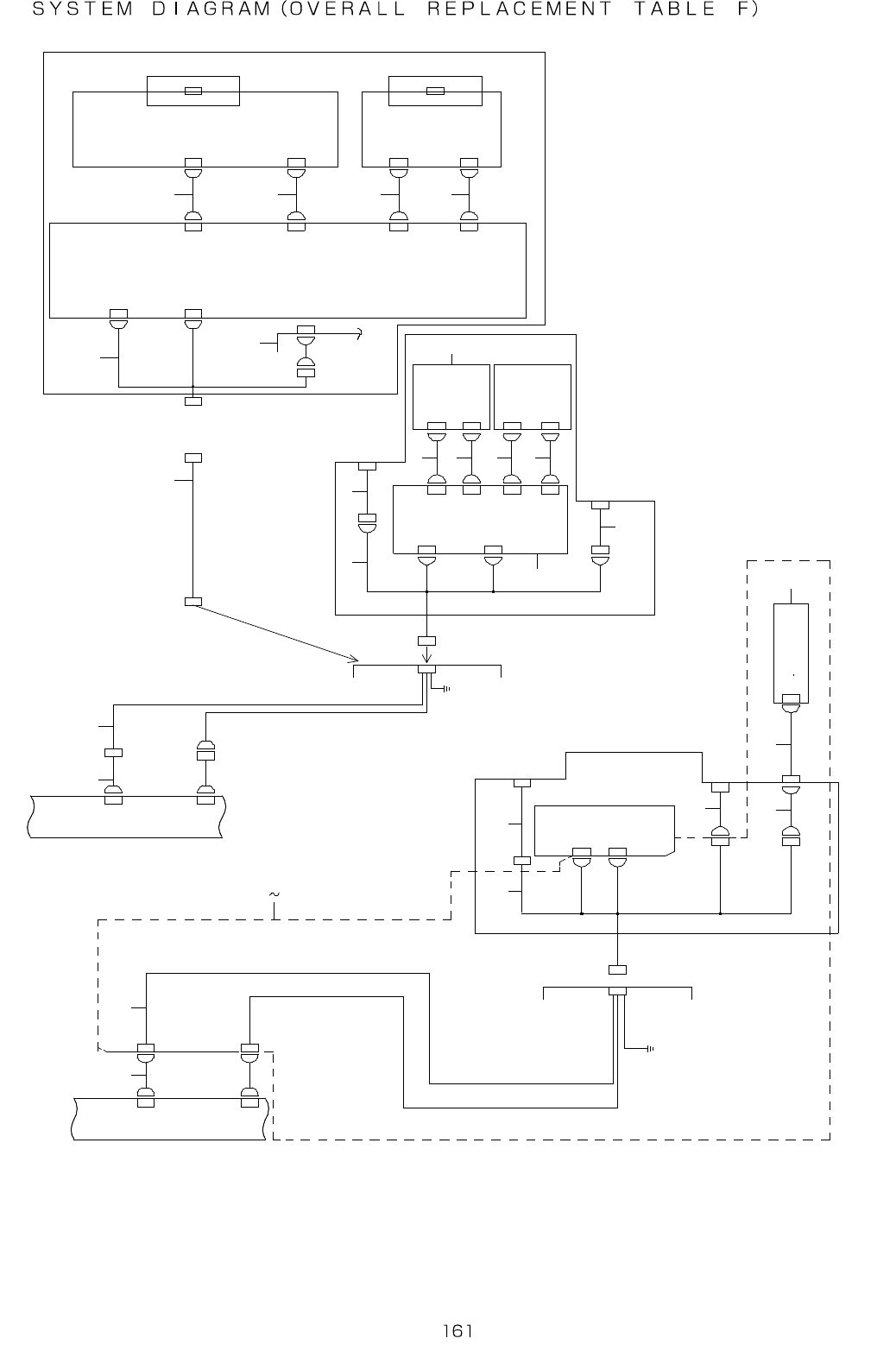
81. SYSTEM DIAGRAM (OVERALL REPLACEMENT TABLE F)
I C F U L L
IC F U L L
11-1A
10-1B
POWER UNIT(6/13)
10-2A
7-1D
8 5 M M PI T C H 8 0
C O J I S C A N ,
JNT F/R
R F I D W I R I N G
K E - 2 0 8 0 - S T ( R F I D )
S P A R E C H A N G E R T A B L E U N I T ( G X - 6 _ R F I D )
S P A R E C H E N G E R T A B L E U N I T ( G X - 6 _ E N - R F I D )
A N T F / R
A N TE N N A A R R A Y .
CN F/R
CN04
CONNECTOR BRACKET(OVERALL REPLACEMENT TABLE F)
CN11
CN649
FEEDER I/F PCB (F)
CN661 CN1
CN662 CN2
CN507
CONECTOR
REALY
CN020
CN04
COVER
CN025
POWERUNIT(5/13)
CN00
CN01
F.G.
CN10CN10CN04
CN04
O L D - T Y P E O V E R A L L
R E P L A C E M A N T
A D A P T E R
I C F U L L
CONECTOR
REALY
CN020
CN10
CN9
CN10
CN9
CN10-2
CN9-2
CN10-1
CN9-1
CN670-2
CN669-2
CN670-1
CN669-1CN2
CN1
CN761
CN760
CN751
CN750CN662
CN661
CN649
(OLD-TYPE OVERALL REPLACEMENT TABLE F)
TABLE (OPTION)
OVERALL REPLACEMENT
BRACKET
CONNECTOR
FEEDER I/F PCB (F)
FEEDER BANK PCB(FR)
FEEDER BANK PCB(FL)
CN761
CN760
CN670-2
CN669-2
CN10-2
CN9-2
CN10
CN9
FEEDER BANK PCB(FR)
CN751CN670-1CN10-1 CN10
CN750CN669-1CN9-1 CN9
FEEDER BANK PCB(FL)
CONNECTORBRACKET(OVERALL REPLACEMENT TABLE F)
CN04
CN11
CN649
FEEDER I/F PCB (F)
CN661 CN1
CN662 CN2
COVER
CN025
CN507
CN00
CN01
F.G.
1 9
2 4
1
1 8
2
1 2
1 3
1 4 1 5 1 6 1 7
3
4
7 8 9 1 0
5
6
2 5
2 8
2 9
2 6
2 7
2 3
2 0 2 2
1 1