KE-2070_KE-2080_KE-2080R-Rev14 - 第151页
- - REF.NO N O TE PART NO D E S C R I P T I O N Qty 1 400-02 055 BREAKER I NPUT CABL E ASM 1 2 400-02 067 BREAKER O UT CABLE ASM 1 3 400-02 064 MAI N SW O U T PU T CABL E ASM 1 4 400-02 062 MT C POW ER CABL E L ASM 1 5…

- -
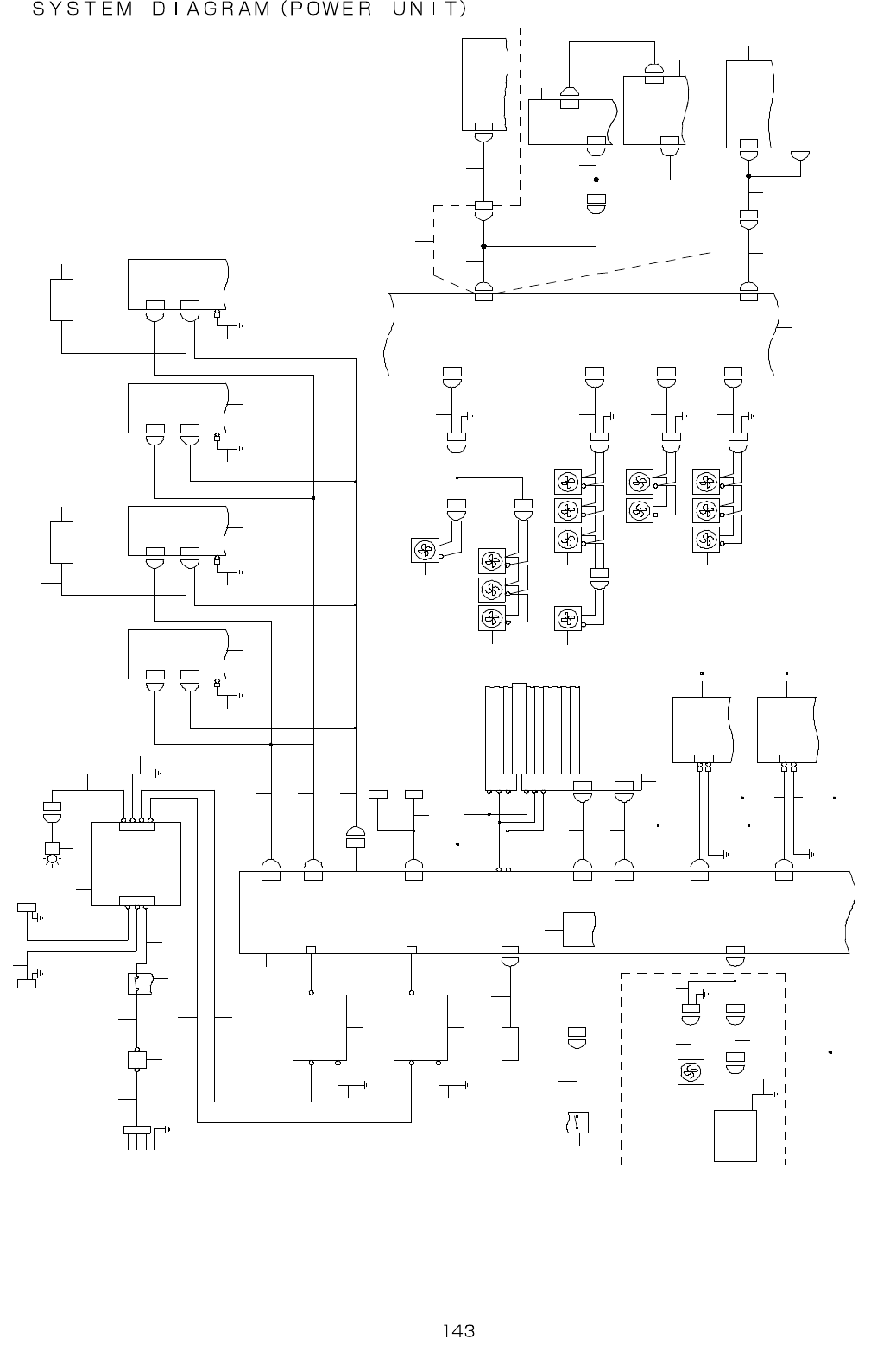
72. SYSTEM DIAGRAM (POWER UNIT)
1 6 - 5 B
C & N K H 2 0 B T 1 0 3 / 1 7
S W I T C H I N G H U B
( 1 / 2 )
4 - 3 A
6 - 4 B(1 /2 )
F G
I E E E 1 3 9 4 B O A R D
R F I D W I R I N G
KE-2080-ST(RFID)
DC_ IN
( V A C U U M P O M P O P T I O N )
V A C U U M P O M P U N I T 7 0
V A C U U M P O M P U N I T 8 0
R L C D P W R
C N 0 1 4
C N 0 1 4
C N 0 1 4
1 9 - 4 B
R E A R L C D
M O N I T O R ( 1 / 2 )
R E G 2
M R - R B 1 2
R E G 1
M R - R B 1 2
C N 0 6 3
C N 0 6 4
Y L M O T O R F A N
C O V E R T O P F A N
C N 0 0 6
R 1 E
Y R M O T O R F A N
C N 1 3 C N 1 3
C N 0 8 0
C N 0 6 8
1 3 - 2 C
C N 0 0 5
A W C D R I V E R ( 1 / 2 )
F 6 E
T B
1 3 - 2 B
B U D R I V E R ( 1 / 2 )
T B
R 9 ER 8 E
M T S P W R ( R )M T S P W R ( L )
C N 0 6 C N 0 7
C N 0 6 0P W R L A M P
C N 0 1 5
2 - 3 C
X R
X R S E R V O
A M P ( 1 / 4 )
M R - J 3 - 7 0 B - R J 0 2 4
F 2 E
E
C N P 2
C N P 1
(1 /4 ) 9 - 2 A
(1 /5 )
(1 /4 )
(1 /3 )
(1 /2 )
(1 /2 )
(1 /3 )
(1 /5 ) 2 - 2 A
7 - 1 A
7 - 1 B
7 - 1 B
7 - 1 A
2 - 3 A
1 6 - 2 A
2 - 3 D2 - 3 C2 - 3 D
1 9 - 4 A
1 6 - 2 B
1- 1 A
1 - 1C
1 - 2 D
1 - 4 B
R 5 E
C P U
O U T M O T E R D R I V E R
1 4 - 4 C
C N 0 3 1C N 0 3 1 C N 6 5 5 ( R )
I N M O T E R D R I V E R
1 4 - 4 B
C N 6 5 5 ( L )
C P C I B A C K
B O A R D
F R O N T L C D
M O N I T O R ( 1 / 2 )
C N 0 1 5
B A S E F A N R
C N 0 6 7
C N 0 0 9
R 4 E
C N 0 0 7
R 2 E
C N 0 8C N 0 0 8
R 3 E
C N 0 7
T B 2
T B 1
B A S E - F E E D E R
X Y R E L A Y
L I G H T C T R L
I / O C T R L
S A F E T Y
I P - X 3 R
B U S - B R I D G E
P O S I T I O N B O A R D
Y R
Y R S E R V O
A M P ( 1 / 4 )
M R - J 3 - 2 0 0 B - R J 0 2 4
F 3 E
E
C N P 2
C N P 1
X L
X L S E R V O
A M P ( 1 / 4 )
M R - J 3 - 7 0 B - R J 0 2 4
F 4 E
E
C N P 2
C N P 1
C N 0 0 1
C N 0 5
C N 0 0 3
F 1 E
C N 0 3
M A I N
S W ( 2 / 2 )
T B 2
A C 2 0 0 V
I N P U T
Y L
B A S E F A N L
C N 0 6 6
C O N T R O L U N I T T O P F A N
C N 0 6 4C N 0 6 5
Y L S E R V O
A M P ( 1 / 4 )
M R - J 3 - 2 0 0 B - R J 0 0 2 4
PO W E R
UN I T ( 1 / 1 3 )
C N 0 2 7
C N 0 2 4
CN 0 1 0
P O W ER
U N I T( 2 / 1 3 )
C N 0 6
C N 0 9
H O U R M E T E R C N 0 1 0
C N 2
C N 1
R E M O R T S W
U P S
( 1 / 2 )
C N 2 7
C N 2 4
F 5 E
E
C N P 2
C N P 1
C N 0 9 9
C N 0 0 2
T B 1
C N 0 9 6
R 7 E
T F 2 ( A C T R A N S )
R 6 E
T F 1 ( D C T R A N S )
A C I N P U T
U N I T
T B 1
M A I N
S W ( 1 / 2 )
N F B 1
3 0 A
P E
F G
L 3
L 2
L 1
2
1
3
5 3
5 4
4
5
6
9
7
8
1 1 1 2
1 5 1 7
1 6 1 8
1 9
1 0
7 1
1 4
6 1 6 2
6 3
6 4
3 0 5 7 3 1 5 8
2 8 5 5 2 9 5 6
2 42 3
5 1 5 2
2 5
8 5
2 2 2 02 1
3 3
3 5
3 7
3 9
3 4
3 6
3 8
3 2
6 9
6 8
4 2
4 3 4 6
4 5
4 7
5 0
4 4 4 8 4 94 0
7 0
7 7
7 4
7 2
7 6
7 3
2 6 5 9 2 7 6 0
1 3
4 1
1 6 - 3 C
F G
6 5
V A C U U M
P O M P
6 6
C N 0 6 9
6 7
9 - 4 B
R F I D P W R
X 5
M P C - 4 C
( 1 / 2 )
DC_INPUT
DC_INPUT
E T H E R N E T
7 8
8 1
7 9
8 0
F - L C D P W R
D C 1 2 V
7 5
8 2
V C S ( O C S ) M O N I TO R P W R
1 7 - 4 A
8 4
8 3

- -
REF.NO NOTE PART NO D E S C R I P T I O N Qty
1 400-02055 BREAKER INPUT CABLE ASM 1
2 400-02067 BREAKER OUT CABLE ASM 1
3 400-02064 MAIN SW OUTPUT CABLE ASM 1
4 400-02062 MTC POWER CABLE L ASM 1
5 400-02063 MTC POWER CABLE R ASM 1
6 E9221-729-0A0 PWR ON LIGHT ASM. 1
7 400-02061 POWER ON LAMP RELAY CABLE ASM 1
8 400-02056 INPUT UNIT FG CABLE ASM 1
9 400-00481 AC INPUT UNIT 1
10 400-02101 UPS SW CABLE ASM 1
11 400-02060 TF2 INPUT CABLE ASM 1
12 400-02059 TF1 INPUT CABLE ASM 1
13 400-49760 POWER UNIT ST 1
14 400-95745 UPS 1
15 400-40378 TRANSFORMER(PSU) 1
16 400-02057 TF1 FG CABLE ASM 1
17 400-40379 TRANSFORMER(SERVO) 1
18 400-02058 TF2 FG CABLE ASM 1
19 400-02115 HOURMETER ASM 1
20 400-45489 XY CTRL PWR CABLE ASM 1
21 400-45391 XY SV PWR CABLE ASM L 1
22 400-45392 XY SV PWR CABLE ASM R 1
23 400-02328 BACKBOARD MONITOR CABLE ASM 1
24 400-02329 BACKBOARD SIGNALCABLE ASM 1
25 400-03283 VME BACK PCB ASM 1
26 HX-0042000-00 5 PHASE STEP DRIVER 1
27 HX-0042000-00 5 PHASE STEP DRIVER 1
28 400-45419 BU DRV PWR CABLE ASM 1
29 400-45421 BU DRV FG CABLE ASM 1
30 400-45423 AWC DRV PWR CABLE ASM 1
31 400-45425 AWC DRV FG CABLE ASM 1
32 400-44539 SERVO AMP 2000W 1
33 400-45388 YL DRV FG CABLE ASM 1
34 400-44538 SERVO AMP 750W 1
35 400-45387 XL DRV FG CABLE ASM 1
36 400-44539 SERVO AMP 2000W 1
37 400-45390 YR DRV FG CABLE ASM 1
38 400-44538 SERVO AMP 750W 1
39 400-45389 XR DRV FG CABLE ASM 1
40 400-02106 YL FAN CABLE ASM 1
41 400-45561 TOP FAN RELAY CABLE ASM 1
42 E9247-729-HA0 YL MOTOR FAN ASM 1
43 L804E-821-0A0 COVER TOP FAN ASM 1
44 400-02054 CTRL UNIT TOP FAN RELAY 1
45 E9249-729-HA0 CTRL UNIT TOP FAN ASM. 1
46 E9250-729-HA0 YR MOTOR FAN ASM 1
47 E9252-729-HA0 BASE FAN (L) ASM. 1
48 400-02107 BASE FAN(L) CABLE ASM 1
49 400-02108 BASE FAN(R) CABLE ASM 1
50 400-02326 BASE FAN(R)ASM 1
51 400-02327 PS CTRL POWER CABLE ASM 1
52 400-02330 CPCI CTRL POWER CABLE ASM 1
53 HA-0053200-00 CIRCUIT PROTECTOR 1
54 HA-0053800-00 SWITCH 1
55
#01
400-45420 BU DRV PWR CABLE ASM EN 1
56
#01
400-45422 BU DRV FG CABLE ASM EN 1
57
#01
400-45424 AWC DRV PWR CABLE ASM EN 1
58 #01 400-45426 AWC DRV FG CABLE ASM EN 1
59
#01
HX-0068900-00 5 PHASE STEP DRIVER 1
60
#01
HX-0068900-00 5 PHASE STEP DRIVER 1
61
#02
400-60925 VACUUM PUMP UNIT 70 1
62
#03
400-60926 VACUUM PUMP UNIT 80 1
63 400-54705 VAC FAN CABLE ASM (1)
64 400-45490 VAC PUMP PWR RELAY CABLE ASM (1)
65 400-99547 VACUUM PUMP ASM (1)
66 400-99553 VAC PUMP FG CABLE ASM (1)
67 401-03162 VAC PUMP PWR CONVERSION CABLE ASM (1)
68 400-54885 REGENERATIVE RESISTOR 1
69 400-54885 REGENERATIVE RESISTOR 1
70 400-69579 POWER UNIT 2077 1
71 HA-0053800-00 SWITCH 1
72 400-25669 LCD DSP 1
73 400-25669 LCD DSP 1
74 400-02322 R-LCD POWER CABLE ASM 1
75 400-45442 F-LCD PWR CABLE ASM 1
76 400-73931 KE-2080-ST(RFID) 1
77 401-22519 RFID CONTROL BOX POWER (60) CABLE ASM (1)
78 400-73032 4 PORT MPC (1)
79 401-22517 MPC RJ45 CABLE (60) ASM (1)
80 401-22518 MPC POWER CABLE (60) ASM (1)
81 400-73033 SWITCHING HUB (1)
82 400-99344 F-LCD/VCS MONITOR PWR CABLE ASM 1
83 400-54887 XL_MOTOR_RB_CABLE_ASM 1
84 400-54888 XR_MOTOR_RB_CABLE_ASM 1
85 400-45448 I/O PMD PWR CABLE ASM 1

- -
73. SYSTEM DIAGRAM (XY MOTOR/SSC NET)
O N L Y K E - 2 0 8 0
L S 0 - 9
L S 0- 7
L S 0- 3
L S 0 - 2
L S 0 - 1
4 - 5 C4 - 5 C4 - 5 B4 - 5 A
3 - 2 C
3 - 2 A
3 - 2 B
1 - 4 B
1 - 3 B
1 - 4 B
1 - 3 B
2 - 4 A
2 - 5 A
2 - 4 A
2 - 5 A
CN 1 3 L S 0 - 1 3 Y R C N 2 LC N 2 L
CN 1 2 L S 0 - 1 2 Y L C N 2 LC N 2 L
C N 1 1 L S 0 - 1 1 X R C N 2 LC N 2 L
C N 1 0 L S 0 - 1 0 X L C N 2 LC N 2 L
Y R S E R V O
A M P ( 2 / 4 )
M R - J 3 - 2 0 0 B - R J 0 2 4
Y L S E R V O
A M P ( 2 / 4 )
M R - J 3 - 2 0 0 B - R J 0 2 4
X R S E R V O
A M P ( 2 / 4 )
M R - J 3 - 7 0 B - R J 0 2 4
X L S E R V O
A M P ( 2 / 4 )
M R - J 3 - 7 0 B - R J 0 2 4
Y B E A R C A B L E S ( E )
X Y B E A R C A B L E S
C N 8
C N 6
CN 1 4 2
M A G N E T I C
S C A L E Y
S E N S O R
U N I T
C N 1 3 4 L S 0 - 8
C N 1 4 1
M A G N E T I C
S C A L E Y
S E N S O R
U N I T
C N 1 3 3
L S 0 - 6
C N 5
X Y BE A R C A B L ES ( E )
CN 1 7 6
M A G N E T I C
S C A L E X
S E N S O R
U N I T
C N 1 7 5 L S 0 - 5
C N 1 4 0
Y R O R G S E N S O R
L S 0 - 9
C N 1 3 6
Y L O R G S E N S O R
L S 0 - 7
+ Y L I M I T ( F E E DE R)
S E N S O R
CN 1 3 9
C N 1 32
C N C O V E R
Z T D C N 1 A
Z T C C N 2 A
Z T C C N 1 A
Z T B C N 2 A
Z T B C N 1 A
Z T A C N 2 A
Z T A C N 1A
I D
2
Z T C S E R V O
A M P ( 1 / 5 )
M R - M D 1 0 0
C N 2 A
C N 1 A
I D
0
C N 2 A
C N 1 A
Z T A S E R V O
A M P ( 1 / 5 )
M R - M D 1 0 0
M R - J 3 B U S 0 1 5 M
ID
3
Z T D S E R V O
A M P ( 1 / 5 )
M R - M D 1 0 0
C N 2 A
C N 1 A
C N 2 A
C N 1 A
ID
1
Z T B S E R V O
A M P ( 1 / 5 )
M R - M D 1 0 0
M R - J 3 B U S 1 M
M R - J 3 B U S 0 1 5 MM R - J 3 BU S0 1 5M
L S 0 - 4 - 2 M C C N 2 C H
3 - 2 B
2 - 3 D
I D
3
Y R S E R V O
A M P ( 3 / 4 )
M R - J 3 - 2 0 0 B - R J 0 2 4
C N 2 A
C N 1 A
Y B E A R C A B L E S
2 - 3 D
I D
2
C N 2 A
C N 1 A
Y L
Y L S E R V O
A M P ( 3 / 4 )
M R - J 3 - 2 0 0 B - R J 0 2 4
M R - J 3 B U S 0 1 5 M
CN 1 4 3
CN 1 3 7
CN 1 3 8
C N 1 3 0
C N 1 3 1
CN 1 5 6 C N 1 2 7
L S 0 - 3
L S 0 - 2
LS 0 - 1
C N 9
C N 7
C N 3
C N 2
C N 1
Y N E A R S E N S O R
- Y L I M I T S E N S O R
+ Y L I M I T ( TR A Y )
S E N S O R
- X L I M I T S E N S O R
+ X L I M I T S E N S O R
X N E A R S E N S O R
1 - 2 C
2 - 3 C2 - 3 C
1 2 - 4 C
1 -2 C
2 C H
X R
I D
1
X R S E R V O
A M P ( 3 / 4 )
M R - J 3 - 7 0 B - R J 0 2 4
C N 2 A
C N 1 A
C N 2 A
C N 1 A1 C H
C N 4 - 2 2 C H
Y R
X L
ID
0
X L S E R V O
A M P ( 3 / 4 )
M R - J 3 - 7 0 B - R J 0 2 4
X Y R E L A Y
P C B ( 2 / 5 )
L S 0 - 4 - 1C N 4 - 1 M C C N 1 C H 1 CH
P O S I T I O N
B O A R D ( 1 / 2 )
M R - M C - 1 2 1 - S0 1
M R - J 3 B U S 1 M
M R - J 3 B U S 0 1 5 MM R - J 3 BU S0 1 5M
321
4
5 6 7 8 9 1 0 1 1 1 2
1 3
1 4 1 5
3 4 3 5
1 6 1 7 1 8 1 9 2 0 2 1 2 2 2 3
2 5 2 6 2 7 2 8 2 9
3 9
4 0 4 2
4 1
3 0 3 1
3 2 3 3
2 4 3 6
3 7 3 8
4 5 5 3
4 4 5 2
4 7
4 9 5 7
5 5
5 0 5 8
4 8
4 6
4 3 5 1
5 4
5 6