KE-2070_KE-2080_KE-2080R-Rev14 - 第153页
- - REF.NO NOT E P A RT NO D E S C R I P T I O N Q ty 1 40 0 - 44 5 3 1 MAGNE TIC SC ALE X SENSOR UNIT 1 2 40 0 - 44 5 3 2 MAGNE TIC SC ALE Y SENOR UNIT 1 3 40 0 - 44 5 3 2 MAGNE TIC SC ALE Y SENOR UNIT 1 4 40 0 - 02 2…

- -
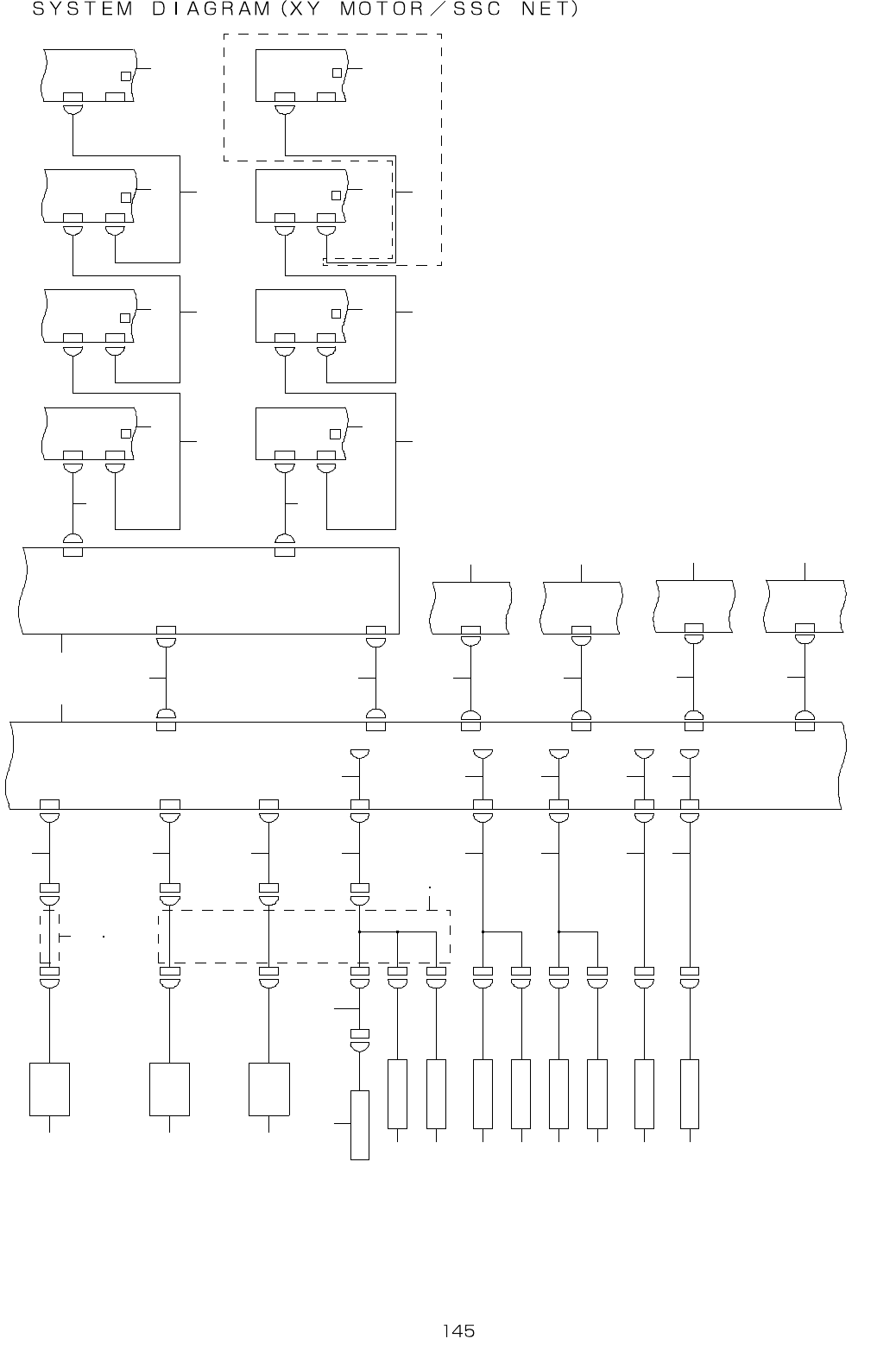
73. SYSTEM DIAGRAM (XY MOTOR/SSC NET)
O N L Y K E - 2 0 8 0
L S 0 - 9
L S 0- 7
L S 0- 3
L S 0 - 2
L S 0 - 1
4 - 5 C4 - 5 C4 - 5 B4 - 5 A
3 - 2 C
3 - 2 A
3 - 2 B
1 - 4 B
1 - 3 B
1 - 4 B
1 - 3 B
2 - 4 A
2 - 5 A
2 - 4 A
2 - 5 A
CN 1 3 L S 0 - 1 3 Y R C N 2 LC N 2 L
CN 1 2 L S 0 - 1 2 Y L C N 2 LC N 2 L
C N 1 1 L S 0 - 1 1 X R C N 2 LC N 2 L
C N 1 0 L S 0 - 1 0 X L C N 2 LC N 2 L
Y R S E R V O
A M P ( 2 / 4 )
M R - J 3 - 2 0 0 B - R J 0 2 4
Y L S E R V O
A M P ( 2 / 4 )
M R - J 3 - 2 0 0 B - R J 0 2 4
X R S E R V O
A M P ( 2 / 4 )
M R - J 3 - 7 0 B - R J 0 2 4
X L S E R V O
A M P ( 2 / 4 )
M R - J 3 - 7 0 B - R J 0 2 4
Y B E A R C A B L E S ( E )
X Y B E A R C A B L E S
C N 8
C N 6
CN 1 4 2
M A G N E T I C
S C A L E Y
S E N S O R
U N I T
C N 1 3 4 L S 0 - 8
C N 1 4 1
M A G N E T I C
S C A L E Y
S E N S O R
U N I T
C N 1 3 3
L S 0 - 6
C N 5
X Y BE A R C A B L ES ( E )
CN 1 7 6
M A G N E T I C
S C A L E X
S E N S O R
U N I T
C N 1 7 5 L S 0 - 5
C N 1 4 0
Y R O R G S E N S O R
L S 0 - 9
C N 1 3 6
Y L O R G S E N S O R
L S 0 - 7
+ Y L I M I T ( F E E DE R)
S E N S O R
CN 1 3 9
C N 1 32
C N C O V E R
Z T D C N 1 A
Z T C C N 2 A
Z T C C N 1 A
Z T B C N 2 A
Z T B C N 1 A
Z T A C N 2 A
Z T A C N 1A
I D
2
Z T C S E R V O
A M P ( 1 / 5 )
M R - M D 1 0 0
C N 2 A
C N 1 A
I D
0
C N 2 A
C N 1 A
Z T A S E R V O
A M P ( 1 / 5 )
M R - M D 1 0 0
M R - J 3 B U S 0 1 5 M
ID
3
Z T D S E R V O
A M P ( 1 / 5 )
M R - M D 1 0 0
C N 2 A
C N 1 A
C N 2 A
C N 1 A
ID
1
Z T B S E R V O
A M P ( 1 / 5 )
M R - M D 1 0 0
M R - J 3 B U S 1 M
M R - J 3 B U S 0 1 5 MM R - J 3 BU S0 1 5M
L S 0 - 4 - 2 M C C N 2 C H
3 - 2 B
2 - 3 D
I D
3
Y R S E R V O
A M P ( 3 / 4 )
M R - J 3 - 2 0 0 B - R J 0 2 4
C N 2 A
C N 1 A
Y B E A R C A B L E S
2 - 3 D
I D
2
C N 2 A
C N 1 A
Y L
Y L S E R V O
A M P ( 3 / 4 )
M R - J 3 - 2 0 0 B - R J 0 2 4
M R - J 3 B U S 0 1 5 M
CN 1 4 3
CN 1 3 7
CN 1 3 8
C N 1 3 0
C N 1 3 1
CN 1 5 6 C N 1 2 7
L S 0 - 3
L S 0 - 2
LS 0 - 1
C N 9
C N 7
C N 3
C N 2
C N 1
Y N E A R S E N S O R
- Y L I M I T S E N S O R
+ Y L I M I T ( TR A Y )
S E N S O R
- X L I M I T S E N S O R
+ X L I M I T S E N S O R
X N E A R S E N S O R
1 - 2 C
2 - 3 C2 - 3 C
1 2 - 4 C
1 -2 C
2 C H
X R
I D
1
X R S E R V O
A M P ( 3 / 4 )
M R - J 3 - 7 0 B - R J 0 2 4
C N 2 A
C N 1 A
C N 2 A
C N 1 A1 C H
C N 4 - 2 2 C H
Y R
X L
ID
0
X L S E R V O
A M P ( 3 / 4 )
M R - J 3 - 7 0 B - R J 0 2 4
X Y R E L A Y
P C B ( 2 / 5 )
L S 0 - 4 - 1C N 4 - 1 M C C N 1 C H 1 CH
P O S I T I O N
B O A R D ( 1 / 2 )
M R - M C - 1 2 1 - S0 1
M R - J 3 B U S 1 M
M R - J 3 B U S 0 1 5 MM R - J 3 BU S0 1 5M
321
4
5 6 7 8 9 1 0 1 1 1 2
1 3
1 4 1 5
3 4 3 5
1 6 1 7 1 8 1 9 2 0 2 1 2 2 2 3
2 5 2 6 2 7 2 8 2 9
3 9
4 0 4 2
4 1
3 0 3 1
3 2 3 3
2 4 3 6
3 7 3 8
4 5 5 3
4 4 5 2
4 7
4 9 5 7
5 5
5 0 5 8
4 8
4 6
4 3 5 1
5 4
5 6

- -
REF.NO NOTE PART NO D E S C R I P T I O N Qty
1 400-44531 MAGNETIC SCALE X SENSOR UNIT 1
2 400-44532 MAGNETIC SCALE Y SENOR UNIT 1
3 400-44532 MAGNETIC SCALE Y SENOR UNIT 1
4 400-02227 X PLUS LMT SENSOR ASM 1
5 400-02228 X MINUS LMT SENSOR ASM 1
6 400-02229 X ORG RANGE SENSOR ASM 1
7 400-02070 YL+ LMT SENSOR(FEEDER)ASM 1
8 400-02069 YL+ LMT SENSOR(TRAY)ASM 1
9 400-02068 Y MINUS LMT SENSOR ASM 1
10 400-45414 Y NEAR SENSOR ASM 1
11 400-02171 YL ORG SENS ASM 1
12 400-02172 YR ORG SENS ASM 1
13 400-45409 X SENSOR RELAY CABLE ASM 1
14 400-58385 XY BEAR CABLES ASM 1
15
#01
400-59779 XY BEAR CABLES ASM(E) 1
16 400-45405 X LINEAR SENSOR CABLE ASM 1
17 400-45406 YL LINEAR SENSOR CABLE ASM 1
18 400-45407 YR LINEAR SENSOR CABLE ASM 1
19 400-45408 X SENSOR CABLE ASM 1
20 400-45410 Y POS LMT SENSOR CABLE ASM 1
21 400-45411 Y NEG LMT SENSOR CABLE ASM 1
22 400-45412 YL ORG SENSOR CABLE ASM 1
23 400-45413 YR ORG SENSOR CABLE ASM 1
24 400-44538 SERVO AMP 750W 1
25 400-44848 XY RELAY CABLE4 1
26 400-44849 XY RELAY CABLE5 1
27 400-44851 XY RELAY CABLE7 1
28 400-44850 XY RELAY CABLE6 1
29 400-44852 XY RELAY CABLE8 1
30 400-45415 XL L-ENC CABLE ASM 1
31 400-45416 XR L-ENC CABLE ASM 1
32 400-45417 YL L-ENC CABLE ASM 1
33 400-45418 YR L-ENC CABLE ASM 1
34 400-58384 Y BEAR CABLES ASM 1
35
#01
400-59779 XY BEAR CABLES ASM(E) 1
36 400-44538 SERVO AMP 750W 1
37 400-44539 SERVO AMP 2000W 1
38 400-44539 SERVO AMP 2000W 1
39 400-44557 XY RELAY PCB ASM 1
40 400-45393 DI 1CH CABLE ASM 1
41 400-44540 16AXIS 2CH SERVO CONTROLLER 1
42 400-45394 DI 2CH CABLE ASM 1
43 400-44539 SERVO AMP 2000W 1
44 401-18620 OPTICAL FIBER CABLE 1M 1
45 400-44541 OPTICAL FIBER CABLE 0.15M 1
46 400-44538 SERVO AMP 750W 1
47 400-44541 OPTICAL FIBER CABLE 0.15M 1
48 400-44539 SERVO AMP 2000W 1
49 400-44541 OPTICAL FIBER CABLE 0.15M 1
50 400-44538 SERVO AMP 750W 1
51
#03
401-55289 4AXIS SERVO AMP 1
52 400-48070 OPTICAL FIBER CABLE 7M 1
53 400-44541 OPTICAL FIBER CABLE 0.15M 1
54
#03
401-55289 4AXIS SERVO AMP 1
55 400-44541 OPTICAL FIBER CABLE 0.15M 1
56 #03 401-55289 4AXIS SERVO AMP 1
57
#02
400-44541 OPTICAL FIBER CABLE 0.15M 1
58
#04
401-55289 4AXIS SERVO AMP 1

- -
74. SYSTEM DIAGRAM (XY MOTOR)
Y B E A R C A B L E S ( E )
F 8 E
F 1 2E
F 1 3 E
F 1 4 E
C N 1 6 8C N 1 6 8
C N 1 6 4C N 1 6 4
Y R C N M T R
Y M O T O R S W ( 2 / 2 )
Y R C N E N C
Y R C N P 3
Y R C N 2
Y L C N M T R
Y M O T O R S W ( 1 / 2 )
3 - 2 C
Y L C N E N C
X R C N M T R
X R C N E N C
X L C N M T R
X L C N E N C
C N 1 6 7
C N 1 5 5
C N 1 6 6
C N 1 5 4
C N 1 6 5
C N 1 5 2
2 - 3 A
Y L S E R V O
A M P ( 4 / 4 )
M R - J 3 - 2 0 0 B - R J 0 2 4
Y L S E R V O
M O T O R
H F - R P 1 5 3 D - S 1
Y L C N P 3
Y L C N 2
C N P 3
C N 2
Y B E A R C A B L E S
2 - 4 A
X L
X L S E R V O
A M P ( 4 / 4 )
M R - J 3 - 7 0 B - R J 0 2 4
X L S E R V O
M O T O R
H F - K P 7 S D - S 1
C N 1 6 2
C N 1 5 3
C N1 6 1
C N1 5 1
X L C N P 3
X L C N 2
C N P 3
C N 2
Y R S E R V O
M O T O R
H F - R P 1 5 3 D - S 1
C N P 3
C N 2
2 - 4 A
2 - 5 A
Y R
Y R S E R V O
A M P ( 4 / 4 )
M R - J 3 - 2 0 0 B - R J 0 2 4
Y L
X R
X R S E R V O
A M P ( 4 / 4 )
M R - J 3 - 7 0 B - R J 0 2 4
X R S E R V O
M O T O R
H F - K P 7 3 D - S 1
X R C N P 3
X R C N 2
C N P 3
C N 2
2 21 681
2 3 9 1 0
2 8 7 1 1 1 2
1 3 1 4
6
1 5
2 1 2 7
1 7
1 8
1 9
2 0
2 3
2 4
2 5
2 6
4 5