KE-2070_KE-2080_KE-2080R-Rev14 - 第161页
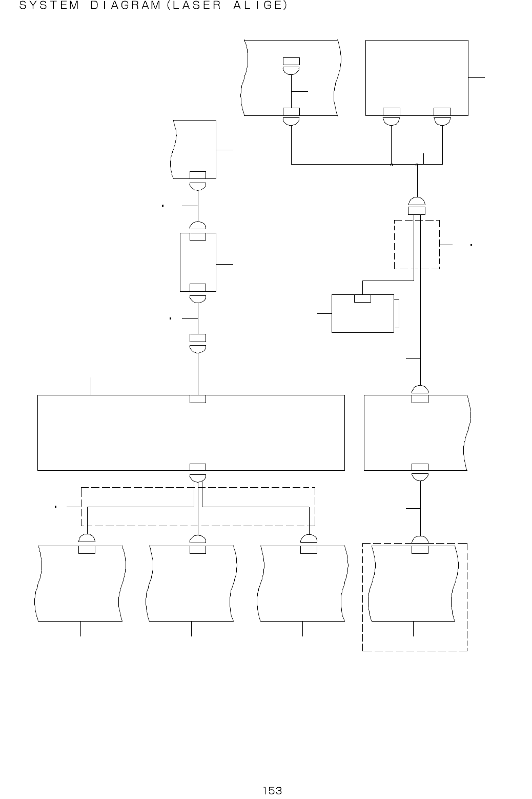
- - REF.NO NOTE PART NO D E S C R I P T I O N Qty 1 #06 401-55289 4AXIS SERVO A M P 1 2 #06 401-55289 4AXIS SERVO AMP 1 3 #06 401-55289 4AXIS SERVO AMP 1 4 #05 401-55289 4AXIS SERVO AMP 1 5 400-45434 LNC60 I/F CABLE AS…

- -
77. SYSTEM DIAGRAM (LASER ALIGE)
1 - 2 C
7 - 5 C
7 - 4 C
7 - 4 C
7 - 3 C
I E E E 1 3 9 4 a
B O A R D ( 2 / 2 )
C N 1
C N 1C N 2L N C 6 0
I E E E 1 3 9 4 a
R E P E A T E R
C N1
O N L Y K E - 2 0 8 0
5 - 4 C
C N 5
Z T D S E R V O
A M P ( 4 / 5 )
M R - M D 1 0 0
5 - 3 C
C N 5
Z T C S E R V O
A M P ( 4 / 5 )
M R - M D 1 0 0
5 - 2 C
C N 5
Z T B S E R V O
A M P ( 4 / 5 )
M R - M D 1 0 0
L N C 6 0
5 - 1 C
C N 5
Z T A S E R V O
A M P ( 4 / 5 )
M R - M D 1 0 0
1 3 - 3 C
2 - 2 D
7 - 2 A
X Y R E L A Y P C B ( 3 / 5 )
L A S E N S O R
B E A R C A B L E
L A S E N S O R B E A R
C A B L E ( E )
F M L A
L A
L S 0 - 16 L S 0 - 1 6 C N1 6 C N 1 6
C N 8 4 8
M C M
M C MR
C N 5
H E A D M A I N P C B ( 1 /3 )
C N 2 4
1 2 3 4
5 6
1 1
7 8
2 0
9 1 0
2 1
1 9
1 2
1 3
1 4 1 5
1 8
1 7
1 6

- -
REF.NO NOTE PART NO D E S C R I P T I O N Qty
1
#06
401-55289 4AXIS SERVO AMP 1
2
#06
401-55289 4AXIS SERVO AMP 1
3
#06
401-55289 4AXIS SERVO AMP 1
4
#05
401-55289 4AXIS SERVO AMP 1
5 400-45434 LNC60 I/F CABLE ASM 1
6
#02
400-80203 LNC60 I/F CABLE ASM 1
7 400-44517 1394 ROBOT CABLE ASM 1
8
#01
400-80215 1394 ROBOT CABLE(E) 1
9 400-44516 1394 RELAY CABLE ASM 1
10
#04
400-48033 1394 CABLE 4.5M 1
11 400-45547 LNC60 1
12
#02
400-03264 FMLA SENSOR 1
13
#02
E9345-721-0A0 CABLE ASM. 1
14
#03
400-80206 LA SENSOR BEAR CABLE ASM 1
15
#01
400-80214 LA SENSOR BEAR CABLE ASM(E) 1
16
#02
400-80207 LA SENSOR RELAY CABLE ASM 1
17
#02
400-44846 XY RELAY PCB ASM OPE - CN16 CABLE ASM 1
18
#02
E9610-729-0A0 MCMR 1
19
#02
400-86176 ICT ENC CABLE ASM 1
20 400-48078 IEEE1394 REPEATER BOARD 1
21
#06
401-50021 IEEE1394 BOARD 1

- -
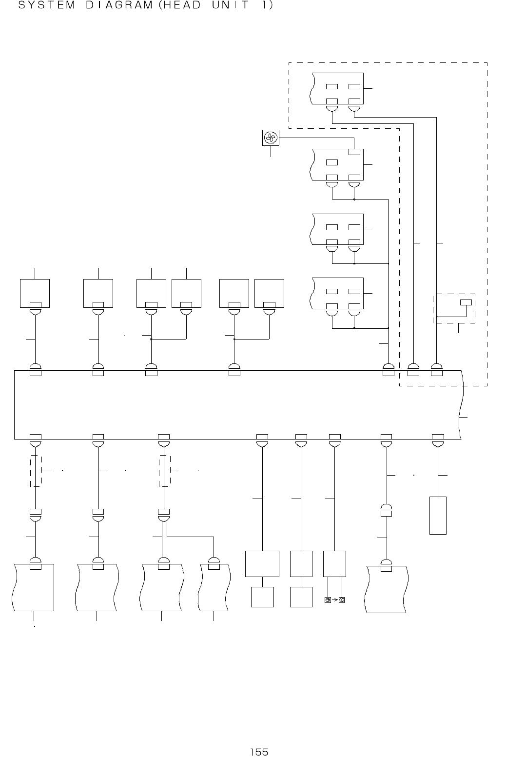
78. SYSTEM DIAGRAM (HEAD UNIT 1)
H E A D
F A N
8 - 4 C
1 0 - 1A
4 - 3 C
C N 0 1 8 C N 0 1 8
1 3 - 4 A
1 - 2 C
1 - 2 C
1 7 - 1 A
1 - 2 C
1 - 2 C
6 - 2 C6 - 2 B6 - 2 B
6 - 2 A
C N 8 0 8 C N 8
9 - 1 C
X Y B E A R C A B L E S( E )
X Y B E A R C A B L E S
P O W E R U N I T
( 4 / 1 3 )
C N 2 4 6
XY B E A R C A B L E S ( E )
X Y B E A R C A B L E S
X Y B E A R C A B L E S
XY B E A R C A B L E S ( E )
X Y B E A R C A B L E S
O N L Y K E - 2 0 8 0
C N 1 9C N 1 9
Z T D S E R V O
A M P ( 5 / 5 )
M R - M D 1 0 0
Z T C S E R V O
A M P ( 5 / 5 )
M R - M D 1 0 0
Z T B S E R V O
A M P ( 5 / 5 )
M R - M D 1 0 0
C N 13C N 1 3
C N 4 B C N 4 A
C N 4 D C N 4 C
C N 4 B C N 4 A
C N 4 D C N 4 C
C N 4 B C N 4 A
C N 4 D C N 4 C
C N 4 B C N 4 A
C N 4 D C N 4 C
Z T A S E R V O
A M P ( 5 / 5 )
M R - M D 1 0 0
O C C - C
L I G H T
P C B
O C C - A
L I G H T
P C B
O C C- C
L I GH T
P C B
A M P
B A D
M A R K
S E N S O R
A M P
H E I G H T
S E N S O R
A M P
L S 4 - 5C N 5
C N 2C N 8 0 2
XY B E A R C A B L E S ( E )
C N 8 0 7C N 7
C N 8 2 0 C N 2 0
C N 8 0 9
C N 9
C N 8 5 2 C N 1 2 ( C N 5 2 )
L I G H T C T R L
P C B ( 2 / 3 )
C N 4 7 9L S 2 - 1C N 1
C N 8 0 5
C N 4 7 8L S 5 - 4
C N 5
I P - X 3 R P C B
( 2 / 2 )
C N 4
O C C 2 ( R )
O C C 1 ( R )
O C C 2 ( L )
O C C 1 ( L )
C N 8 2 4C N 4
O C C- A
L I GH T
P C B
O C C R
O C C L
C N 8 2 3C N 3
C N 8 0 6C N 6
S A F E T Y
P C B ( 2 / 4 )
L S 1 - 7C N 7
C N 8 0 1
C N 2 4 5
H E A D M A I N P C B ( 1 / 2 )
C N 1
I / O C O N T R O L
P C B ( 2 / 5 )
f o r O P o pt i o n
H / S - 3 5
C N 8 1 1C N 1 1
C N 10C N 8 1 0
E 2 S - W 2 3
T 7 S L O W
D O W N S E N S O R
2 0 2 1 1 2 3
4 5 6
8 9 2 5 2 6 2 7 2 8
2 2 1 0 1 1
7
2 9 3 0
1 2
1 3 1 4
1 5 2 3 1 6
1 7 2 4 1 8 1 9
3 1
3 2
3 3
3 4
3 5
3 9
3 6
3 72 9 3 0
3 8
4 0