KE-2070_KE-2080_KE-2080R-Rev14 - 第171页
- - REF.NO N O TE PART NO D E S C R I P T I O N Qty 1 400-02 315 BANK RL Y CABL E ASM F 1 2 400-45 436 BANK CABLE ASM 1 3 400-45 437 BANK CABLE AD APTER ASM 1 4 E93 88 -725-0 A0 F EEDER BANK RELAY CABLE 3 ASM. 1 5 E93 …

- -
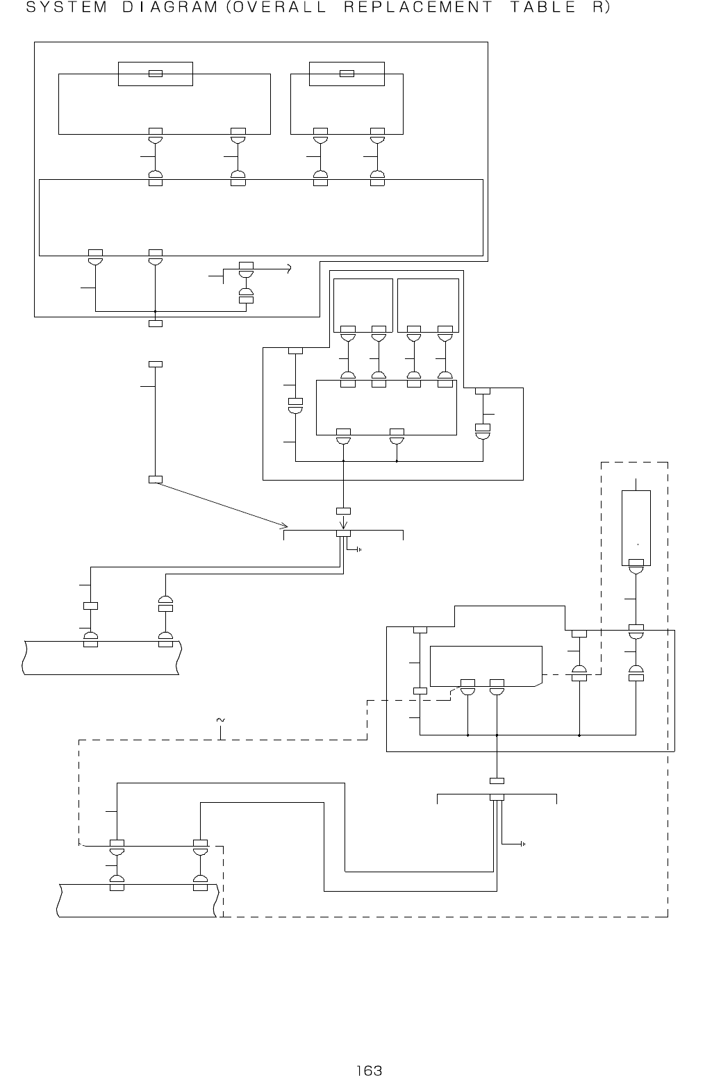
82. SYSTEM DIAGRAM (OVERALL REPLACEMENT TABLE R)
I C F U LL
I C FU L L
13-2A
11-1B
POWER UNIT(8/13)
11-2A
10-2B
POWER UNIT(7/13)
8 5 M M P I T C H 8 0
C O J I S C A N ,
JNT F/R
RF I D W I R I N G
K E - 2 0 8 0 - S T ( RF I D )
S P A R E C H A N G ER T A B L E U N I T ( G X - 6 _ R F I D )
S P A R E C H E N G ER T A B L E U N I T ( G X - 6 _ E N - R F I D)
A N T F / R
A N T E N N A A R R A Y .
CN F/R
CN04
CONNECTORBRACKET(OVERALL REPLACEMENT TABLE R)
CN11
CN649
E86187210A0
FEEDER I/F PCB (F)
CN661 CN1
CN662 CN2
CN507
CONECTOR
REALY
CN021
CN04
COVER
CN026 CN02
CN03
F.G.
CN10CN10CN04
CN04
O L D - T Y P E O V E R A L L
R E P L A C E M A N T
A D A P T E R
IC F U L L
CONECTOR
REALY
CN021
CN10
CN9
CN10
CN9
CN10-2
CN9-2
CN10-1
CN9-1
CN670-2
CN669-2
CN670-1
CN669-1CN2
CN1
CN761
CN760
CN751
CN750CN662
CN661
CN649
(OLD-TYPE OVERALL REPLACEMENT TABLE R)
TABLE (OPTION)
OVERALL REPLACEMENT
BRACKET
CONNECTOR
FEEDER I/F PCB (F)
FEEDER BANK PCB(FR)
FEEDER BANK PCB(RL)
CN761
CN760
CN670-2
CN669-2
CN10-2
CN9-2
CN10
CN9
FEEDER BANK PCB(RR)
CN751CN670-1CN10-1 CN10
CN750CN669-1CN9-1 CN9
FEEDER BANK PCB(RL)
CONNECTOR BRACKET(OVERALL REPLACEMENT TABLE R)
CN04
CN11
CN649
FEEDER I/F PCB (F)
CN661 CN1
CN662 CN2
COVER
CN026
CN507
CN02
CN03
F.G.
1 6 1 8
1 9
2 3
2 2
2 6
2 5
1 4
2 1
752 4
2 0
96
4
8
2
1 5
3
1
2 7
1 2
1 3
1 11 0

- -
REF.NO NOTE PART NO D E S C R I P T I O N Qty
1 400-02315 BANK RLY CABLE ASM F 1
2 400-45436 BANK CABLE ASM 1
3 400-45437 BANK CABLE ADAPTER ASM 1
4 E9388-725-0A0 FEEDER BANK RELAY CABLE 3 ASM. 1
5 E9379-721-0A0 FEEDER BANK CABLE 6 ASM. 1
6 E9378-721-0A0 FEEDER BANK CABLE 5 ASM 1
7 E9385-721-0A0 FEEDER BANK DC CABLE 6 ASM. 1
8 E9395-725-0A0 IC FULL RELAY CABLE 3 ASM. 1
9 E9384-721-0A0 FEEDER BANK DC CABLE 5 ASM. 1
10 E9379-721-0A0 FEEDER BANK CABLE 6 ASM. 1
11 E9385-721-0A0 FEEDER BANK DC CABLE 6 ASM. 1
12 E9530-729-0A0 BANK CABLE ASM. 1
13 E9395-721-0A0 IC FULL RELAY CABLE 3 ASM. 1
14 E9532-729-0A0 CUTTER POWER SOURCE CABLE ASM. 1
15 400-02315 BANK RLY CABLE ASM F 1
16
#01
400-73973 SPARE CHANGER TABLE UNIT (RFID) 1
17 #02 400-73976 SPARE CHANGER TABLE UNIT (EN_RFID) 1
18
#01
400-73931 KE-2080-ST(RFID) 1
19 400-73665 ANTENNA ARRAY 8.5MM PITCH / 80 POSITION (1)
20 400-73741 RFID BANK CABLE ASM (1)
21 400-73753 RFID BANK CABLE ASM (1)
22 400-75356 BANK F/R JOINT PARTS CABLE ASM (1)
23 400-75358 JOINT PARTS ANTENNA ARRAY F/R CABLE ASM (1)
24 E9384-721-0A0 FEEDER BANK DC CABLE 5 ASM. 1
25 E9395-721-0A0 IC FULL RELAY CABLE 3 ASM. 1
26 E9532-729-0A0 CUTTER POWER SOURCE CABLE ASM. 1
27 E9378-721-0A0 FEEDER BANK CABLE 5 ASM 1

- -
83. SYSTEM DIAGRAM (CARRY MOTOR)
FG
CN492
16-2B
11-2A
7-1B
9-4B
CN656
12-3D
POWER UNIT(9/13)
CN655 CN028 CN004 CN6 01 CN1
1-2D
CN660
5PHASE DRIVER(2/2)
CN659
A U T O W I D T H
A D J U S T M E N T
M O T O R
BU UP ENCODER(L)
CN632 CN32
CN658
BU UP MOTOR(L)
CN634 CN34CN657
CENTER MOTOR(L)
1-2D
5PHASE DRIVER(2/2)
FG
5PHASE DRIVER
CN2CN672
T H E R M A L
S E N S O R
P C B ( B A S E
F R A M E )
CN627CN27
C A L
V A C U U M
S E N S O R
CN669CN630CN30
C A L
P C B
CN2CN1
CAL S. V
CN491CN628CN28
B A N K
U P
S E N S O R ( R )
CN436 CN643 CN43
B A N K
U P
S E N S O R ( F )
CN435 CN642 CN42
LS3-1 CN1CN626CN26
LS3-3 CN3CN623CN23
B A S E F E E D E R
P C B ( 4 / 4 )
14-2A
LS1-4 CN4CN611CN11
LS1-6 CN6CN635CN35
SAFETY PCB ASM(3/4)
CN36
CN671
CN636
CN633 CN33
CN631 CN31
C A R R Y
P C B ( 2 / 2 )CN1
1
5 1 0 1 2
2
1 3
6 7
1 1
1 4 1 5
1 6 1 7
2 6
2 7 2 9
2 8
4 3 3 3 4 8 9
1 8 1 9 2 0 3 2
2 1 2 3 3 0
2 2
2 5
3 12 4
3