KE-2070_KE-2080_KE-2080R-Rev14 - 第173页
- - REF.NO N O TE PART NO D E S C R I P T I O N Qty 1 E9 431-729-0 A0 CENT MO TOR A SM. 1 2 400-0 2173 C ENT M OTOR CABLE ASM 1 3 400-0 2100 C ENT M OTOR P W R C ABL E ASM 1 4 400-0 2093 C ENT M OTOR P UL SE C A BL E A…

- -
83. SYSTEM DIAGRAM (CARRY MOTOR)
FG
CN492
16-2B
11-2A
7-1B
9-4B
CN656
12-3D
POWER UNIT(9/13)
CN655 CN028 CN004 CN6 01 CN1
1-2D
CN660
5PHASE DRIVER(2/2)
CN659
A U T O W I D T H
A D J U S T M E N T
M O T O R
BU UP ENCODER(L)
CN632 CN32
CN658
BU UP MOTOR(L)
CN634 CN34CN657
CENTER MOTOR(L)
1-2D
5PHASE DRIVER(2/2)
FG
5PHASE DRIVER
CN2CN672
T H E R M A L
S E N S O R
P C B ( B A S E
F R A M E )
CN627CN27
C A L
V A C U U M
S E N S O R
CN669CN630CN30
C A L
P C B
CN2CN1
CAL S. V
CN491CN628CN28
B A N K
U P
S E N S O R ( R )
CN436 CN643 CN43
B A N K
U P
S E N S O R ( F )
CN435 CN642 CN42
LS3-1 CN1CN626CN26
LS3-3 CN3CN623CN23
B A S E F E E D E R
P C B ( 4 / 4 )
14-2A
LS1-4 CN4CN611CN11
LS1-6 CN6CN635CN35
SAFETY PCB ASM(3/4)
CN36
CN671
CN636
CN633 CN33
CN631 CN31
C A R R Y
P C B ( 2 / 2 )CN1
1
5 1 0 1 2
2
1 3
6 7
1 1
1 4 1 5
1 6 1 7
2 6
2 7 2 9
2 8
4 3 3 3 4 8 9
1 8 1 9 2 0 3 2
2 1 2 3 3 0
2 2
2 5
3 12 4
3

- -
REF.NO NOTE PART NO D E S C R I P T I O N Qty
1 E9431-729-0A0 CENT MOTOR ASM. 1
2 400-02173 CENT MOTOR CABLE ASM 1
3 400-02100 CENT MOTOR PWR CABLE ASM 1
4 400-02093 CENT MOTOR PULSE CABLE ASM 1
5 E9432-729-0A0 BU MOTOR ASM. 1
6 400-02174 BU MOTOR CABLE ASM 1
7
#01
400-02175 BU MOTOR CABLE ASM(EN) 1
8 400-02098 BU MOTOR PULSE CABLE ASM 1
9
#01
400-02099 BU MOTOR PULSE CABLE ASM 1
10 E9433-729-0A0 BU ENC ASM. 1
11 400-02095 BU ENC CABLE ASM 1
12 E9434-729-0A0 WIDTH ADJUST MOTOR ASM. 1
13 400-02094 AWC ENC CABLE ASM 1
14 400-02176 AWC MOTOR CABLE ASM 1
15
#01
400-02177 AWC MOTOR CABLE ASM(EN) 1
16 400-02096 AWC MOTOR PULSE CABLE ASM 1
17
#01
400-02097 AWC MOTOR PULSE CABLE ASM 1
18 400-45438 CENT-PM CTRL CABLE ASM 1
19 400-02078 CRY SAFE CABLE ASM 1
20 400-02075 CRY BASE CABLE ASM 1
21 400-02179 CAL BLOCK CABLE ASM 1
22 400-02125 CAL VCUM SV ASM 1
23 400-02180 CAL VCUM CABLE ASM 1
24 E8609-721-0A0 CAL BLOCK CIRCUIT BOARD ASM. 1
25 400-02126 CAL VCUM SENSOR ASM 1
26 400-02167 BANK UP(F)SENS ASM 1
27 400-02168 BANK UP(F)CABLE ASM 1
28 400-02169 BANK UP(R)SENS ASM 1
29 400-02170 BANK UP(R)CABLE ASM 1
30 400-02119 BASE TEMP CABLE ASM 1
31 E8621-729-0A0 TEMPERATURE SENSOR PWB ASM. 1
32 400-02081 TEMP VAC CABLE ASM 1
33 400-02085 CARRY MOTOR AC CABLE ASM 1
34
#01
400-02276 CARRY M PWR CABLE ASM(EN) 1

- -
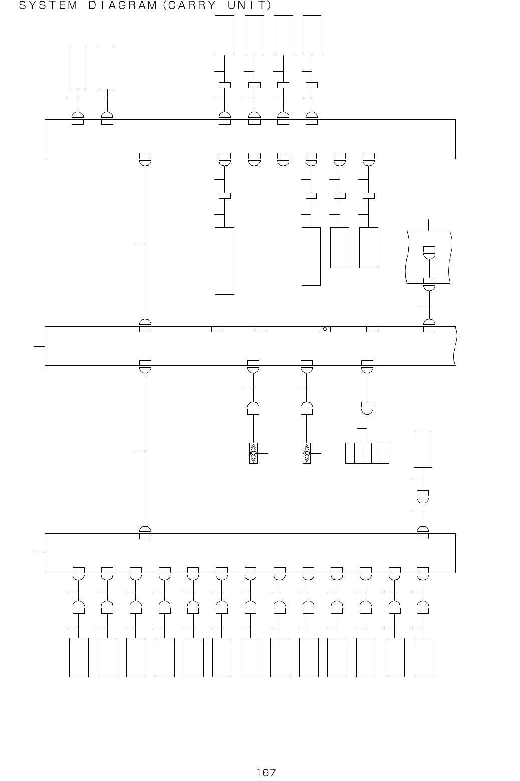
84. SYSTEM DIAGRAM (CARRY UNIT)
LS0-15
14-1A
2-2D
XY RELAY PCB(3/5)
CN15CN15LS0-15CN637
CN433CN419RCN19
F E E D E R F L O A T
S E N S O R ( R F )
( R E C E I V I N G )
CN431CN415RCN15
F E E D E R F L O A T
S E N S O R ( F R )
( R E C E I V I N G )
CN430CN414RCN14
F E E D E R F L O A T
S E N S O R ( F F )
( E M I S S I O N )
CN432CN418RCN18
F E E D E R D E T E C T
S E N S O R
( E M I S S I O N )
CN434
CN420R CN20
F E E D E R D E T E C T
S E N S O R
( R E C E I V I N G )
CN429
CN413R CN13
M A I N A I R P R E S S U R E
S E N S O R
E 9 8 1 9
CN08
CN412R CN12
CN411R CN11
CN410R CN 10
A U T O W I D T H A D J U S T M E N T
O R I G I N S E N S O R
E 9 8 1 9
CN445
CN409R CN9
A T C
C L O S E S E N S O R
CN403RCN3
A T C
O P E N S E N S O R
CN402RCN2
CA R R Y
SE N S O R
RE L A Y
PC B ( R )
CN621 CN421 CN1
BA C K U P PI N
SE N S O R
(E M I S S I O N )
CN443CN420LCN20
FE E D E R F L O A T
SE N S O R ( R R )
(R E C E I V I N G )
CN426 CN415L CN15
F E E D E R F L O A T
S E N S O R ( R F )
( E M I S S O N )
CN428 CN419L CN19
F E E D E R F L O A T
S E N S O R ( F R )
( E M I S S O N )
CN427
CN418L CN18
F E E D E R F L O AT
S E N S O R ( F F )
( R E C E I V I N G )
CN425 CN414L CN14
CN442 CN407L CN7
B U L O C K
S E N S O R
CN446 CN405L CN5
B A C K U P P I N
S E N S OR
( R E C EI V IN G )
CN444 CN408L CN8
B U O R I G I N
S E N S O R ( L )
(CN409L) CN409L CN9
CN441 CN416L CN16
CN440 CN417L CN17
CN439 CN404L CN4
O U T S E N S O R
R I G H T
CN438 CN403L CN3
I N S E N S O R
L E F T
CN437 CN402L CN2
C A R R Y
S E N S O R
R E L A Y
P C B ( L )
BU LOCK
ATC
SHAPE Y
SHAPE X
STOPPER
S.V.
N O N - S T O P
S I G N A L
L I G H T ( R ) MPTL_R
N O N - S T O P
S I G N A L
L I G H T ( F ) MPTL_F
CN37
C N 3
( C N 3 9 )
TB
CN670 CN612 CN12
C N 2
( C N 3 8 )
CN23
CN21
13-3A
CN24
CN671
CN624
CN625 CN25
CN631 CN31
C A R R Y
PC B ( 1 /2 )
CN1
W A I T S E N S O R
S T O P S E N S O R
( L )
C . O U T S E N S O R
( L )
T P I N S E N O R
( L )
F E E D E R F L O A T
S E N S O R ( R R )
( E M I S S I O N )
1
2 4
3 6
7 9
8 1 0
1 1 1 3
1 2 1 4
1 5 1 7
1 6
2 8
1 9 2 1
2 0 2 2
2 3 2 5
2 4 2 6
2 7
5 1 5 2 5 4
5 3
5 85 7
4 3
4 2
5 5
5 63 4
3 5
3 0
3 6
3 7 3 9
3 8 4 0
4 1
3 2 3 3
4 4 4 6 4 8 5 0
4 5 4 7 4 9 3 1
1 8
5
2 9
NOTE1
NOTE1
NOTE1
NOTE1
NOTE1
NOTE1
NOTE1
NOTE1
NOTE1
NOTE1
NO T E 1
FL O A T S E N S O R a n d D E T E C T S E N S O R i s a s e t of E m i t t e r a n d R e c e i v e r .
Su f f i x _ 1 : E m i t t e r
Su f f i x _ 2 : R e c e i v e r