KE-2070_KE-2080_KE-2080R-Rev14 - 第179页
- - R EF.NO NO TE PART N O D E S C R I P T I O N Qty 1 400-44846 X Y RE L A Y PCB ASM OPE - CN16 CABLE ASM 1 2 # 0 3 400-45440 O P EP A NE PWR CABL E ASM 1 3 # 0 2 400-80205 O P EP A NE PWR CABL E ASM 1 4 400-02105 M T…

- -
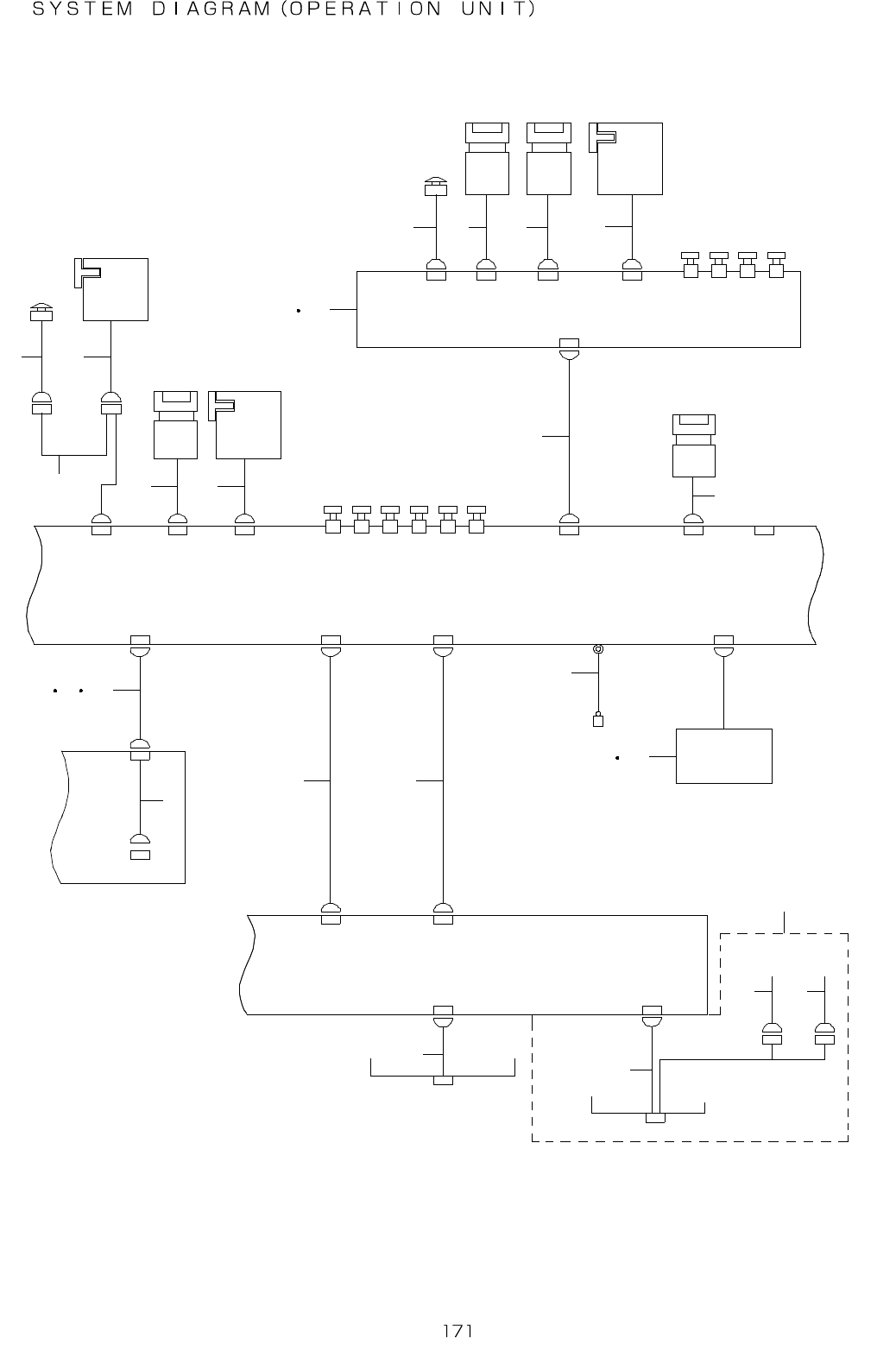
86. SYSTEM DIAGRAM (OPERATION UNIT)
1 4 - 1A
CN2CN02
KEY CHANGE SW
CN18CN718
KE-2080-ST(RFID)
R F I D W I R I N G
CN04SR
CN03MR
CN04SR
CN03MR
9-4D
9-4C
MT C I /F (R )
COVER
CN12
LS4-1
CN7
S F S W 0 0 7
S F S W
7 0 5 / 9 2 8
SAFETY SW
C N 1 6C N 1 6 L S 0 - 1 6
X Y R E L A Y P C B ( 5 / 5 )
L S 0 - 1 6
M T C I/ F (R )
CN25
(NON-STOP OPERATION)
FEEDER SW(F)
CN719CN19
LS4-6CN6
CN1LS4-1
SW9
SW10
SW5
SW6
SW1
SW2
14-3B
9-3C
I / O C O N T R O L
P C B ( 5 / 5 )
COVER
C O V E R O P E N
S W ( F )
LS4-4CN4 CN1CN701
CN1CN741
CN7CN7
EMG SW_FR
CN705
CYCLE SW
SERVO FREE SW
STOP SW
START SW
ORIGIN SW
ON LINE SW
CN5
CN15CN715
CN3
CN11CN711
CN703
O P E R A T IO N
P C B ( 2 / 3)
HOD BOX
CN12
OPE-E1
19-4A
10
F G - T A P
F R O N T
FEEDER SW(R)
(NON-STOP OPERATION)
EMG SW_RR
SW PCB
OPERATION
KEY CHANGE SW
CN5 CN745
CN7CN7
START SW
STOP SW
SERVO FREE SW
CYCLE SW
CN2 CN742
SW6
SW5
SW10
SW9
CN6 CN746
S F S W
0 0 5 / 9 2 8
C O V E R O P E N
S W ( R )
1
2 3 2 4
5 6
4
7
1 6 1 7
2 1
2 2 2 3
2 0
1 8
8 1 0
9 2 5
1 1
1 4
1 2 1 3
2 7 1 5
1 9
2 6

- -
REF.NO NOTE PART NO D E S C R I P T I O N Qty
1 400-44846 XY RELAY PCB ASM OPE - CN16 CABLE ASM 1
2
#03
400-45440 OPEPANE PWR CABLE ASM 1
3
#02
400-80205 OPEPANE PWR CABLE ASM 1
4 400-02105 MTC I F(R) CABLE ASM 1
5 400-02197 RS232C CABLE ASM 1
6 400-02203 OP S P CABLE ASM 1
7 400-02207 OP FG CABLE ASM 1
8 400-02205 F EMG SWITCH CABLE ASM. 1
9 400-02252 FEEDER SWITCH CABLE ASM 1
10 400-02254 COVER OPEN SW CABLE ASM 1
11 400-02204 R OP SWITCH CABLE ASM 1
12 400-01956 OPERATION SW PWB ASM. 1
13
#01
400-01957 OPERATION SW PWB ASM.(EN) 1
14 4002206 R EMG SWITCH CABLE ASM 1
15 4002251 OPRATION ON SW CABLE ASM 1
16 E9649-729-000 HOD ASM. 1
17 #01 E9662-729-000 HOD (EN) 1
18 400-66604 SAFETY SWITCH RELAY CABLE ASM 1
19 400-02254 COVER OPEN SW CABLE ASM 1
20 #04 400-73931 KE-2080-ST(RFID) 1
21 400-73744 RFID MTC I/F(R) CABLE ASM (1)
22 400-73746 RFID M BRANCH MTC I/F CABLE ASM (1)
23 400-73748 RFID S BRANCH MTC I/F CABLE ASM (1)
24
#01
400-02198 OP POWER CABLE ASM 1
25 400-02254 COVER OPEN SW CABLE ASM 1
26 400-02251 OPERATION ON SW CABLE ASM 1
27 400-02252 FEEDER SWITCH CABLE ASM 1

- -
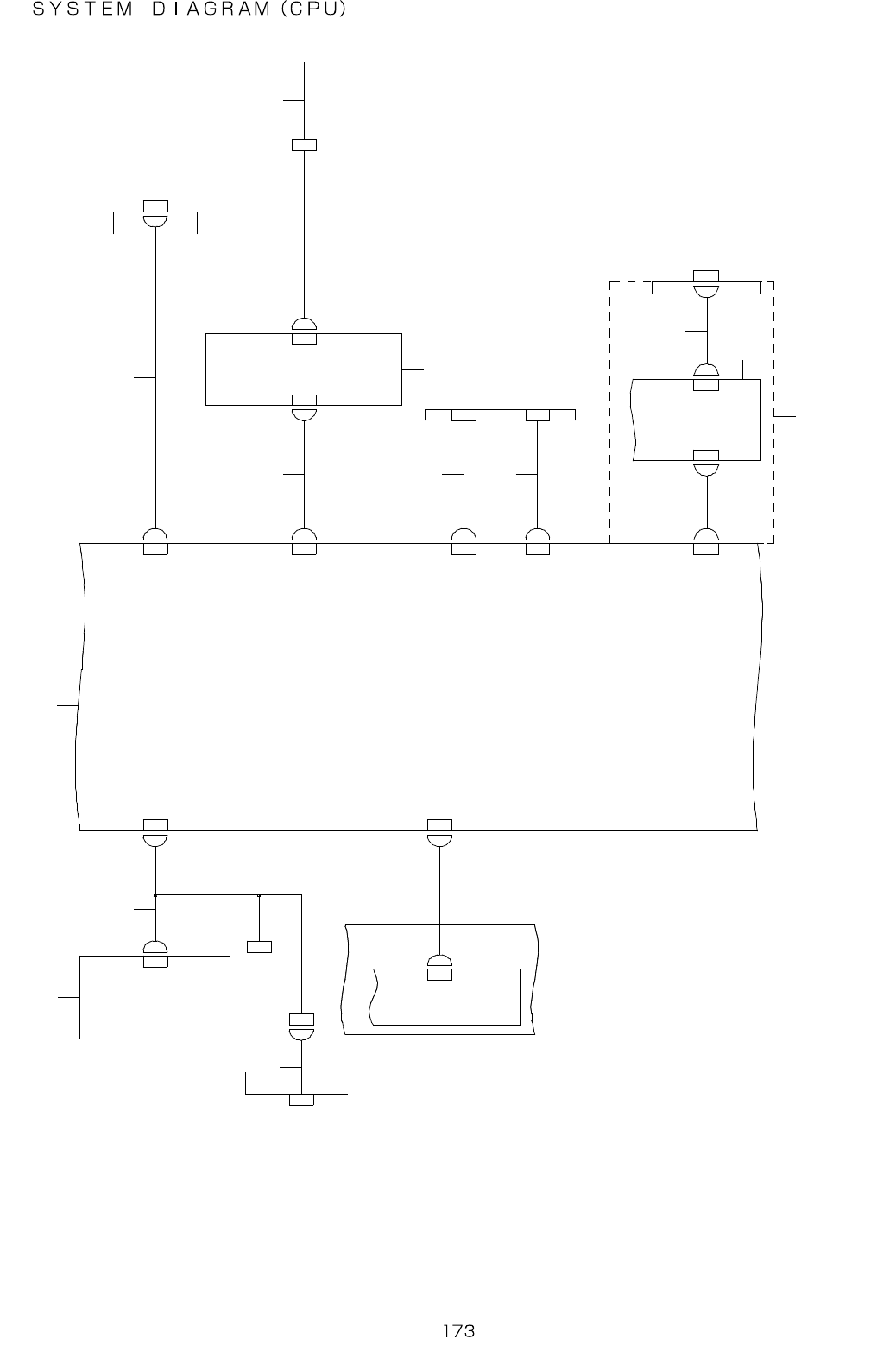
87. SYSTEM DIAGRAM (CPU)
17-3A
13-2B
1-2C
KE-2080-ST(RFID)
C O V E R
R F I D W I R I N G
1 - 5 C
X 2L A N
S W I T C H I N G H U B
( 2 / 2 )
L A N
L A NX 1
L A N
L A N
C O V E R
C H 2U S B C H 2
C H 1U S B C H 1
1 - 2 C
FDD I/F
C P U
B O A R D ( 2 / 3 )
HDD HDD I/F LPT
SSD
PRINTER
FDD
FDD
CN13
COVER
COM1
POWER UNIT(10/13)
1-2C
CABLE
ACCESSORY
(2/2)
UPS
COVER
ACCESS LAMP
HARD DISK
19-2A
HDD COPY
FDD PWR
2
3
4
7
9
8
5 6
1 2
1 3
1
1 0
1 1
1 4