KE-2070_KE-2080_KE-2080R-Rev14 - 第181页
- - REF.NO NOT E P A RT NO D E S C R I P T I O N Q ty 1 40 0 - 45 4 4 3 C DD/FDD PWR CA BLE A SM 1 2 #02 401-32223 E NV S Y S ASM(13 2 M ES) 1 3 40 0 - 47 4 9 2 H DD I/F CA B L E AS M 1 4 #02 401-07372 C PU BOA RD 1 5 …

- -
87. SYSTEM DIAGRAM (CPU)
17-3A
13-2B
1-2C
KE-2080-ST(RFID)
C O V E R
R F I D W I R I N G
1 - 5 C
X 2L A N
S W I T C H I N G H U B
( 2 / 2 )
L A N
L A NX 1
L A N
L A N
C O V E R
C H 2U S B C H 2
C H 1U S B C H 1
1 - 2 C
FDD I/F
C P U
B O A R D ( 2 / 3 )
HDD HDD I/F LPT
SSD
PRINTER
FDD
FDD
CN13
COVER
COM1
POWER UNIT(10/13)
1-2C
CABLE
ACCESSORY
(2/2)
UPS
COVER
ACCESS LAMP
HARD DISK
19-2A
HDD COPY
FDD PWR
2
3
4
7
9
8
5 6
1 2
1 3
1
1 0
1 1
1 4

- -
REF.NO NOTE PART NO D E S C R I P T I O N Qty
1 400-45443 CDD/FDD PWR CABLE ASM 1
2
#02
401-32223 ENV SYS ASM(132 MES) 1
3 400-47492 HDD I/F CABLE ASM 1
4
#02
401-07372 CPU BOARD 1
5 400-44522 USB RELAY CABLE 1
6 400-44522 USB RELAY CABLE 1
7 400-02311 PRINTER I F CABLE ASM 1
8 E9619-729-000 FDD 1
9 400-02321 FDD I F CABLE ASM 1
10 L835E-221-0A0 HDD ACCESS LAMP ASM 1
11
#01
400-73931 KE-2080-ST(RFID) 1
12 400-73780 FX1R RFID LAN CABLE (1.65M) ASM (1)
13 400-73779 FX1R RFID LAN CABLE (2.15M) ASM (1)
14 400-73033 SWITCHING HUB 1

- -
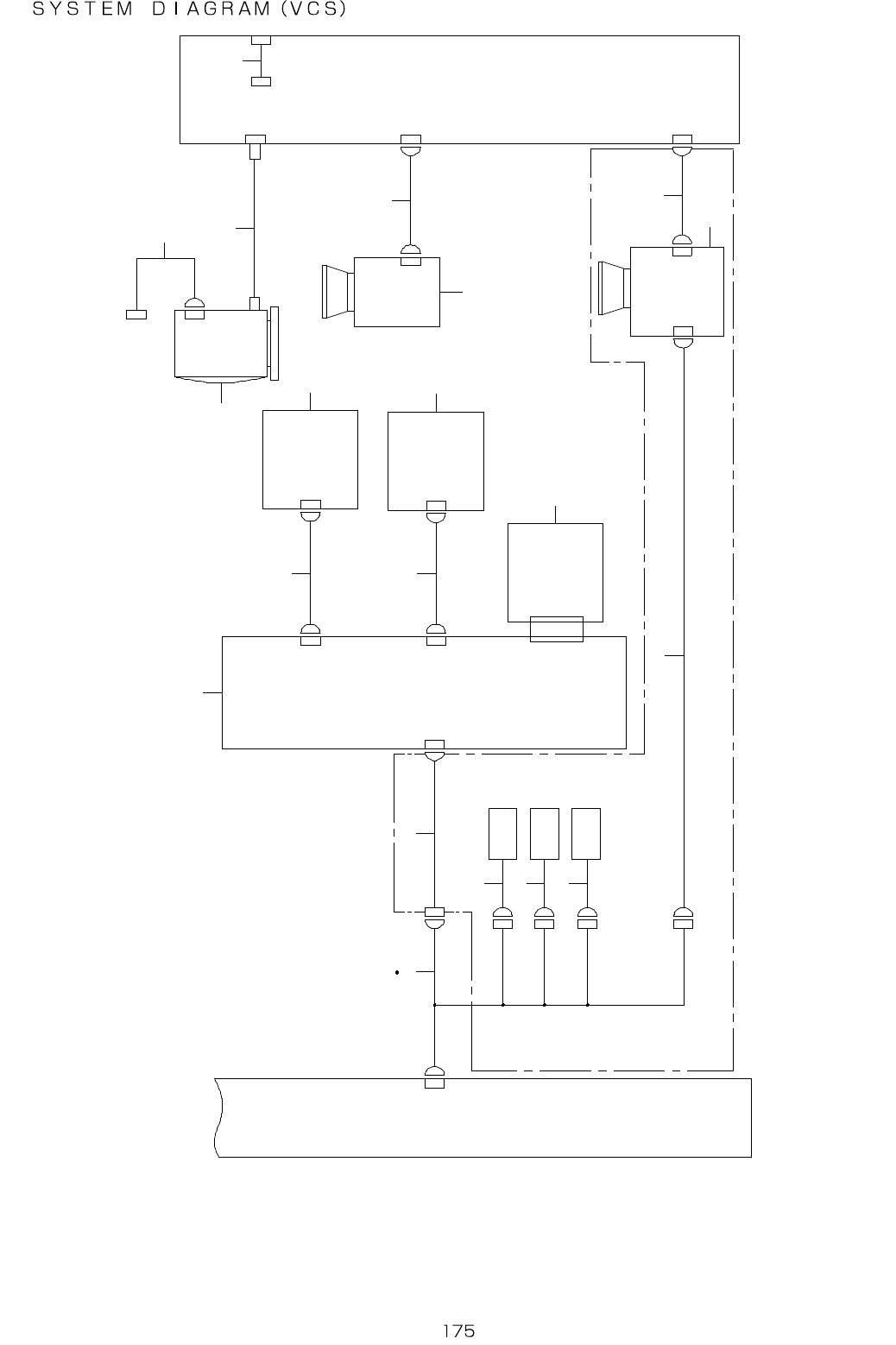
88. SYSTEM DIAGRAM (VCS)
6P
CN6 C N6
LS5-2 CN2
LS5-5
LS2-2
13-4D
V C S ( O C S )
M O N I T O R
IN
CN2
VCS(L) CN5
LS5-1 CN1VCS(L)
VCS SENSOR_OP
VCS SENSOR_ST
VCS CHANGE SV
CN470
CN475
CN474
CN476
CN477
CN471
CN472 CN481
CN491CN473
HIGH-RESOLUTION CAMERA OPTION
VCS OP
VCS OP PWR
VCS ST
7-1A
L I G H T C T R L
P C B ( 3 / 3 )
BOTTOM LIGHT PCB
B A C K
L I G H T
P C B
S I D E
L I G H T
U N I T
C O A X I A L
L I G H T P C B
V CS C A M E R A
( ST A N D S RD )
V C S C A M E R A
( H I G H R E S O L U T I O N )
IP-X3R B PCB
2 3
4
5 6 7
1 1
1 2
1 3
8
1
1 9
2 1
1 0
1 7
1 4
1 5
2 0
9
1 6
1 8
MONI PWR
VCS(OCS) MONITOR PWR
1-5D