KE-2070_KE-2080_KE-2080R-Rev14 - 第188页
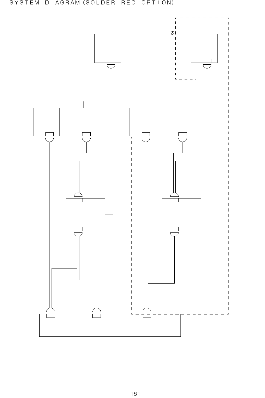
- - 91. SYSTE M D I A G RAM ( S OL DE R REC OPTIO N ) C N 1 O C C - A L I G H T P C B A S M ( O P A S S _ R ) C N 1 O C C - C L I G H T P C B A S M C N 1 O P A S S ( R ) O C C 2 ( R ) O C C - A L I G H T P C B A S M ( …

- -
REF.NO NOTE PART NO D E S C R I P T I O N Qty
1 400-03318 KEY BOARD 1
2 400-26196 ADD OP RS232C CABLE ASM 1
3 E9646-729-000 TRUCK BALL 1
4 400-02302 KEYBOARD CABLE ASM 1
5 400-02301 MOUSE CABLE ASM 1
6 400-02304 R-KEYBOARD CABLE ASM 1
7 400-02303 R-MOUSE CABLE ASM 1
8 400-03281 MOUSE/KEYBOARD SELECTOR 1
9 400-03282 MOUSE/KEYBOARD SELECTOR CABLE ASM 1
10 400-27815 F-232C CABLE ASM 1
11 400-28017 PANEL-LINK F CABLE 1
12 400-28018 PANEL-LINK R CABLE 1
13 400-25669 LCD DSP 1
14 400-25669 LCD DSP 1
15 400-02260 F 232C CABLE ASM 1
16 400-02263 OP-232C CABLE(R)ASM 1
17 400-26382 RS232C CHANGE PCB ASM 1
18 400-02253 CHANGE BOX CABLE ASM 1
19 400-26197 ADD CHANGE BOX CABLE ASM 1
20 400-03281 MOUSE/KEYBOARD SELECTOR 1
21 400-26414 ADD OP RS232C CABLE 2 ASM 1
22 400-03318 KEY BOARD 1
23 E9646-729-000 TRUCK BALL 1

- -
91. SYSTEM DIAGRAM (SOLDER REC OPTION)
C N 1
O C C - A L I G H T P C B
A S M ( O P A S S _ R )
C N 1
O C C - C L I G H T
P C B A S M
C N 1
O P A S S ( R )
O C C 2 ( R )
O C C - A L I G H T P C B
A S M ( S T D )
O C C 1 ( R )
H / S - 3 6 H / S - 3 8C N 3 8C N 3 6
C N 1
O C C - A L I G H T P C B
A S M ( O P A S S _ L )
C N 1
O C C - C L I G H T
P C B A S M
C N 1
G X - 6 2 0 8 0 ( E )
C N 8 2 4C N 4
H E A D R E L A Y P C B
A S M ( 2 / 2 )
H / S - 3 5
O P A S S ( L )
O C C 2 ( L )
O C C - A L I G H T P C B
A S M ( S T D )
H / S - 3 7C N 3 7C N 3 5
H E A D R E L A Y P C B
A S M ( 1 / 2 )
O C C 1 ( L )
C N 8 1 1
C N 8 2 3
H E A D M A I N
P C B A S M
C N 1 1
C N 3
5
1
3 6
2
7
4

- -
REF.NO NOTE PART NO D E S C R I P T I O N Qty
1 400-66952 OCC LIGHT L CABLE ASM 1
2 400-66947 HEAD RELAY PCB ASM 1
3 400-66953 OCC OPASS L CABLE ASM 1
4
#01
400-66954 OCC LIGHT R CABLE ASM 1
5 400-90481 HEAD MAIN PCB ASM 1
6
#01
400-66955 OCC OPASS R CABLE ASM 1
7 400-01982 OCC A LIGHT P.C.B ASM 1