KE-2070_KE-2080_KE-2080R-Rev14 - 第189页
- - RE F .NO N O TE PART NO D E S C R I P T I O N Q t y 1 400-66952 OCC LIGHT L CA BLE ASM 1 2 400-66947 HEAD RE L A Y PC B ASM 1 3 400-66953 OCC OP ASS L CA BLE AS M 1 4 #01 400-66954 O CC LIGHT R CABLE A SM 1 5 400-9…

- -
91. SYSTEM DIAGRAM (SOLDER REC OPTION)
C N 1
O C C - A L I G H T P C B
A S M ( O P A S S _ R )
C N 1
O C C - C L I G H T
P C B A S M
C N 1
O P A S S ( R )
O C C 2 ( R )
O C C - A L I G H T P C B
A S M ( S T D )
O C C 1 ( R )
H / S - 3 6 H / S - 3 8C N 3 8C N 3 6
C N 1
O C C - A L I G H T P C B
A S M ( O P A S S _ L )
C N 1
O C C - C L I G H T
P C B A S M
C N 1
G X - 6 2 0 8 0 ( E )
C N 8 2 4C N 4
H E A D R E L A Y P C B
A S M ( 2 / 2 )
H / S - 3 5
O P A S S ( L )
O C C 2 ( L )
O C C - A L I G H T P C B
A S M ( S T D )
H / S - 3 7C N 3 7C N 3 5
H E A D R E L A Y P C B
A S M ( 1 / 2 )
O C C 1 ( L )
C N 8 1 1
C N 8 2 3
H E A D M A I N
P C B A S M
C N 1 1
C N 3
5
1
3 6
2
7
4

- -
REF.NO NOTE PART NO D E S C R I P T I O N Qty
1 400-66952 OCC LIGHT L CABLE ASM 1
2 400-66947 HEAD RELAY PCB ASM 1
3 400-66953 OCC OPASS L CABLE ASM 1
4
#01
400-66954 OCC LIGHT R CABLE ASM 1
5 400-90481 HEAD MAIN PCB ASM 1
6
#01
400-66955 OCC OPASS R CABLE ASM 1
7 400-01982 OCC A LIGHT P.C.B ASM 1

- -
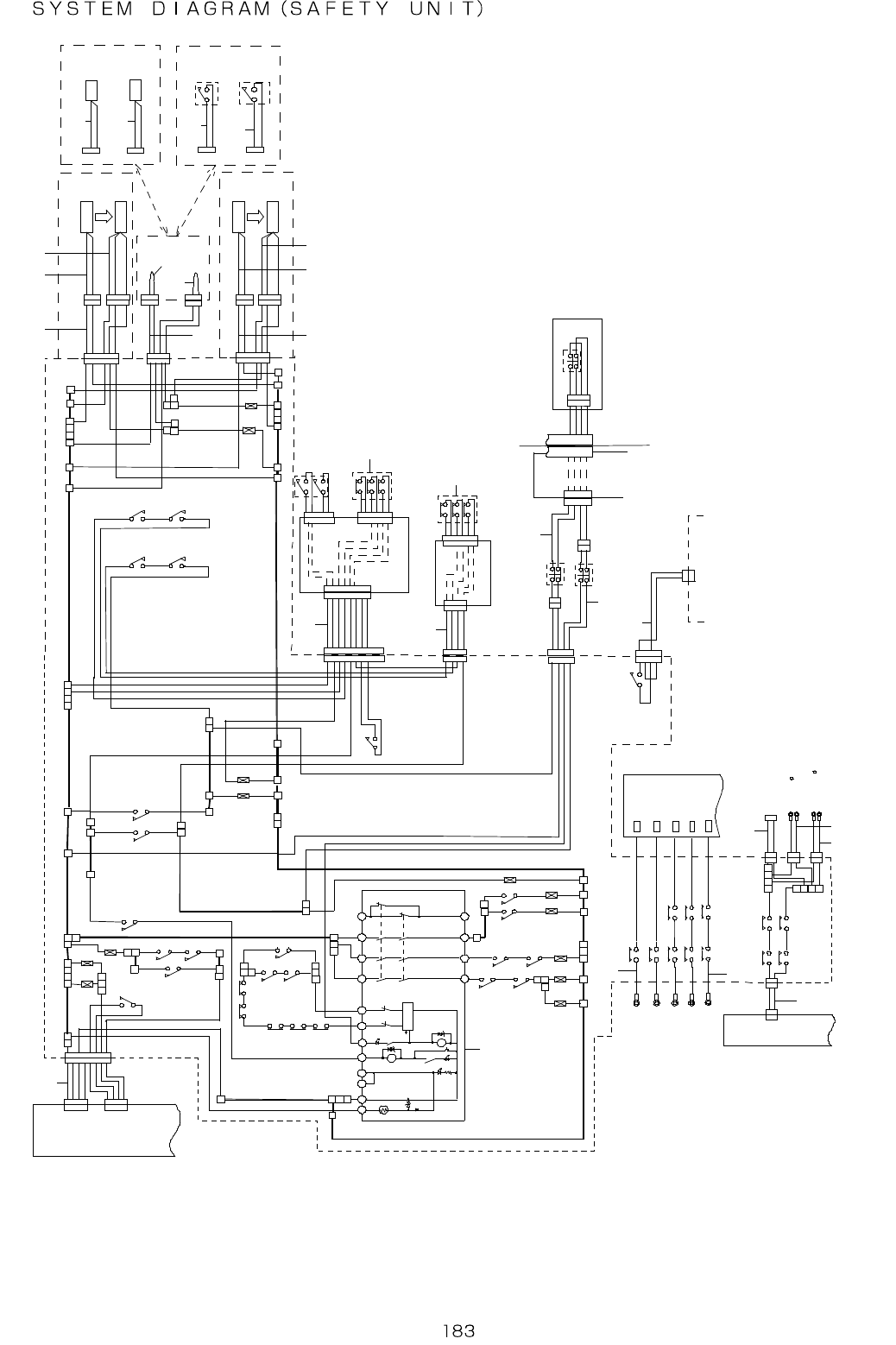
92. SYSTEM DIAGRAM (SAFETY UNIT)
( b l ue )
( b l u e )
(y e l l o w )
R _ A R
F _ A R
S t an d ar d v er s i o n
N o n -s to p o p e r at i o n
v e r si on o nl y ( o pt io n )
No n - s t op o pe ra t i o n
ve r s i o n o n l y ( o p t i o n )
H O D
C O V E R O P E N S W ( F )
C O VE R O P E N S W ( R )
C N 7 0 7
O P E R A TI O N S W P C B
OP E RA TI O N P C B
N o n - s t o p o pe r at i o n v e r s i o n ( o p t i o n )
O v e r a l l F e ed e r E x c ha n g e T r o l l ey v e r si o n ( o p t i o n )
( R B U P )
R _ B U P
F _ B U P
3
1
2
3
1
2
( F B U P )
R B U P
3
1
2
R L B K U P
C O M
N O
3
1
2
FB U P
F L B K U P
N O
C O M
3
1
2
3
1
2
R B UP
F B U P
SW 1 2
6
5
1
4
3
2
6
5
1
4
3
2
K9
S A F E T Y R E L A Y
4
2
3
1
43
21
C N 6 4 4
1
4
2
3
1
4
2
3
2
1
12
CN 7 16
6
5
4
3
1
2
6
5
4
3
1
2
4
3
1
2
4
3
1
2
6
5
4
3
1
2
6
5
4
3
1
2
3 231
3 13 2
3 2
31
2 1
2 2
22
21
K 4
K 2 K1
K 5
C A
2 3
2 4
A
C
AD
A
D
AC
T 2 0
T 1 9
C
AB
3 4
3 3
3 4
3 3
K7
K6
4 4
K1 1
4 3
B
3
1
4
2
K 1 1
5
3
1
6
4
2
T 1 8
T 2 3
1 3
1 4
K1
+ 2 4 V
T 2 1
B
A
C
K 1 2
1
0
T 2 2
B
A
C
C
1
0
K1 3
B
a
a
K 1
K 2
T2 2
K 1
S A
C i r c u i t
C o n tr ol
K1K 2
T H
-
+
T2 1 T11
T 3 2T 3 1
K 1 1
K 5
3 4
3 3
A 2
A 1
A
B
K 2
C B
A
2 3
2 4
2 4
2 3
K 7
K 6
A 2
A 1
A
A 2
A 1
K1
B
K 5
K 5
T 2 6
K 2
K 2
K 2
K 1
65
K 1
K 1
4
3
2
1
43
K 3
K 3
21
C P 1 L T
C P 1LS
C P 1LR
P O W E R U N I T
C P 2 - N
C P 2 - L
BC
A C 2
A C 1
( t o B U U P 5 D R I V E R L )
( t o A W C 5 D R I V E R )
( t o C A R R Y R E LA Y P WB )
C N 9 0 8
1
2
C N 60 1
A C 2
A C 1
C
B
1
2
1
2
C N 9 0 7
C N 9 0 6
1
2
1
2
1
2
1
2
T2 5
3
4
1
2
3
4
1
2
8
4
7
6
1
5
3
2
C N 7 1 4
6
5
1
4
3
2
6
5
1
4
3
2
1
4
3
2
T F 2 - 2 0 0 /T
TF 2 -2 00 / S
T F 2 -2 0 0 / R
C N 9 2 9
C N 7 4 7C N 7 4 4
C N 90 3
8
4
7
6
1
5
3
2
T 2 4
J J
T 1 2
JJ
T 6
CB
T1 1
B
A
C A 4
3
1
2
4
3
1
2
C N 7 9 8 R
3
1
2
3
1
2
C N 9 1 2
C N 7 9 7 R
B
T 5
ACA
C N 9 1 1
C N 91 0
3
1
2
3
1
2
C N 7 9 8 F
4
3
1
2
4
3
1
2
3
1
2
3
1
2
C N 7 9 7 F
CA R R Y
C N 9 0 9
3 43 3
K 9
1
4
3
2
CO V E R
H E M G
1
4
3
2
1
4
3
2
C N 99 1
1
4
3
2
1
4
3
2
2 4
1 2
2 3
1 1
2 4
1 2
2 3
11
O P ER A T I ON P C B
C N 70 2
F _ E M G
1
2
1
2
R _ EM G
1
2
1
2
C N 9 2 8
C N 9 0 4
1
4
3
2
10
5
9
4
8
7
1
6
3
2
1
4
3
2
1
4
3
2
CN 9 02
K 1 3
K 1 3
K 1 2
K 1 2
4 3
4 4
34
33
4 4
4 3
34
33
K 9
4 4
4 3
1 0
5
9
4
1
4
3
2
8
7
1
6
3
2
A 2
A 1
K 4
T1 4
B
J J
A
J J
T 4
J
J
T 2
T 4
T 1 7
T 1 6
K8
2 3
2 4
B
C
A
K 1 0
A CB
4 4
K 9
2 3
2 4
4 3
1
0
C
4 3
4 4
4 4
4 3
A 2
A 1
K 7
K 6
K3
T 9T 8
J JC
K1
K 2
A1
2 414 4 23 4
4 13 3
B CA
T 3
2 31 3
T 7
C
B
A 2
T1 2
CB
1
K 1 0
1
K 8
BC AJJ
K 8
DA
BA
C
D
CB
A
T 1 5
B
T 2T 2
K11
1
0
A
K1 0
T 1 3
CBA
1
K 7
1
K 6
JJCA B
T 1T1
C N 9 0 1
8
7
6
5
1
4
3
2
8
7
6
5
1
4
3
2
1
4
3
2
1
4
3
2
C N 0 2 2
+ 2 4 V
+ 2 4 V R T N
+ 2 4 V R T N
+ 2 4 V
C A R R Y _ S V _ O N 1
S E R V O O N 1
P O W E R M ON I T O R ( -)
P O W E R M ON I T O R ( +) 1
4
3
2
1
4
3
2
C N 0 2 3
1
2
1
2
C N 0 04
C N 9 05
1
2
1
2
K 4
K 4
( f r o m M A I N T R A NS F OR ME R )
T F 1 -3 4 / 0
T F 1 -3 4
B C
S A F ET Y U NI T
A C 1 0 0 V
4
2
3
1
U N I T
P O W E R
34
33
0
4 4
4 3
3 4
3 3
K 8
0
00
T1 0
P O W E R U N I T
K 3
1
2
3
4
5
6
7
8
1 5
1 3
1 4
1 2
1 0
1 1
9
1 6
2 0
2 1
2 4
2 3
1 7
1 8
2 6
2 8
2 5
2 7
2 21 9