CM101 参考手册.pdf - 第77页
CM101-D 参考手册 1.4 其它的规格 Pa ge 1- 27 1.4 其它的规格 1.4.1 对应基板规格 (1/2) 项目 规格 D 尺寸 : 最大 : 460 mm (L) × 360 mm ( W ) / 最小 : 50 mm (L) × 50 mm (W ) 可使用的基板尺寸 M 尺寸 : 最大 : 460 mm (L) × 250 mm ( W ) / 最小 : 50 mm (L) × 50 mm (W ) 可贴装的范…

CM101-D
参考手册
1.3
装置的规格
Page 1-26
1.3.5
特殊基准
(
选项
:
假想后侧基准规格
)
将机器规格之项目,选择了后侧基准时,有如下限制。
将机器反转
180
度来设置,因此包括电源开关的各装置将位于后侧。
芯片照相机将位于后侧,因此通过最佳化来分配元件时,后侧将被优先
。
在
PT200
编制数据时,请设定为后侧基准,并与同一条生产线的其它机器同样进行编制。
将生产数据从
PT200
下载至机器时,将会把生产数据自动变换,变为前侧基准的状态。
(
用软盘读取时也同样
。
)
设置图像
前后反转设置
EJM5B-080E
[
在
PT200
编制的生产数据
] [
转送至
CM101
的生产数据
]
EJM5B-081E
∗
假想后侧基准规格时,机器内的生产数据为从后侧看的状态,因此不相同与
PT200
画面的状态。
数据变换
EJM5B-C-RMC01-A01-00

CM101-D
参考手册
1.4
其它的规格
Page 1-27
1.4
其它的规格
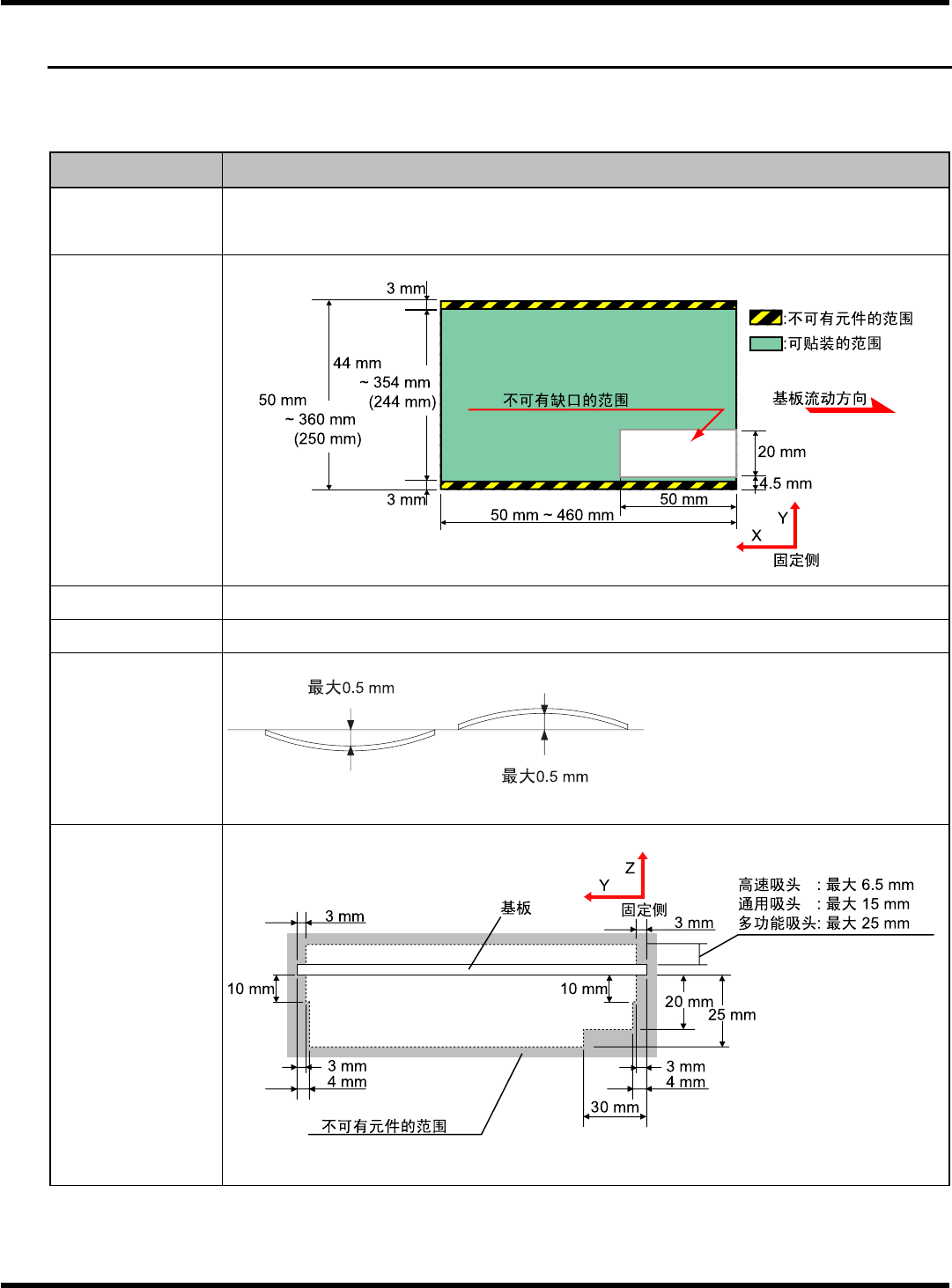
1.4.1
对应基板规格
(1/2)
项目
规格
D
尺寸
:
最大
: 460 mm (L)
×
360 mm (W) /
最小
: 50 mm (L)
×
50 mm (W)
可使用的基板尺寸
M
尺寸
:
最大
: 460 mm (L)
×
250 mm (W) /
最小
: 50 mm (L)
×
50 mm (W)
可贴装的范围
( ): M
尺寸
EJM5B-037C
基板厚度
0.3 mm ~ 4.0 mm
基板质量
最大
2.2
kg
以下
(
实装后的质量
)
基板弯曲的容许精度
4X3C-218C
基板截面
贴装前的基板状态
EJM5B-006C
EJM5B-C-RMC01-A01-00

CM101-D
参考手册
1.4
其它的规格
Page 1-28
(2/2)
项目
规格
标记形状例
基板识别补正按照识别标记和回路图案的位置关系来补正。
识别标记和基板需要一定的对比度
(
二进制对比度图像
)
0.5 mm
≤
a
≤
1.6 mm
EJM4A-115E
∗
上图
3
的三角形为等边三角形。
标记尺寸和背景
在标记背景上,要有一定尺寸以上的与该标记不同的不干涉区域
基板识别标记
EJM4A-116E
不干涉区域
b
≥
0.2 mm
EJM5B-C-RMC01-A01-00