JX-350_保养维修手册.pdf - 第93页

维修调整要领书 4-3 4-3 OCC 同轴/角度照明基板组件的更换 1) 按照 4- 1. OCC 组件更换要领,从 Head 板卸下照明组件。 2) 卸下①带垫片内六角螺钉(× 2 ),更换 OCC 同轴照明基板组件。 3) 卸下②带垫片六角孔螺栓(× 4 ),更换 OCC 角度照明基板组件。 4) 安装时,请按照相反的顺序进行。 5) 更换后,请进行照明滤光器 U 、 OCC 灯光的调整。(参照 4-7 更换后的重新调整一览) 图…

100%1 / 270
维修调整要领书
4-2
4-2 CCD 摄像机、镜头的更换
1) 4-1. OCC 组件更换要领,从 Head 板卸下摄像机组件。
2 请拆下用于固定 CCD 摄像机、镜头的①、②
螺丝,进行更换。
3) 安装时,请按照相反的顺序进行操作。
(①带垫片内六角螺钉(×2)请涂上粘结剂 LOCTITE242,以安装扭矩 1.0N·m 进行固定。)
4) 更换后,请进行焦点调整、MS 参数输入。(参照 4-7 更换后的再调整一览)
4-2-1 CCD 摄像机/镜头
OCC 镜头
SM6030602TN (×2)
CCD 摄像机
SL604122TN
带垫片内六角螺栓 M4×12
SM6020302UZ
内六角螺栓 M2×3
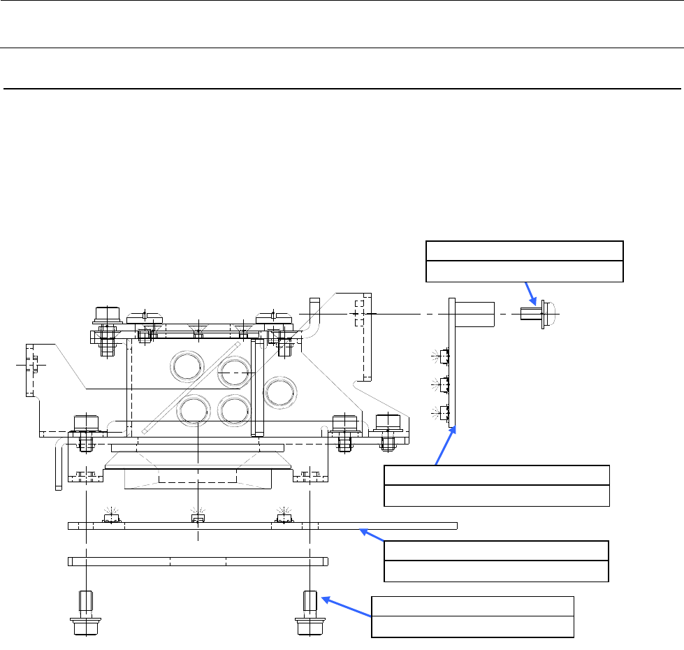
维修调整要领书
4-3
4-3 OCC 同轴/角度照明基板组件的更换
1) 按照 4-1.OCC 组件更换要领,从 Head 板卸下照明组件。
2) 卸下①带垫片内六角螺钉(×2),更换 OCC 同轴照明基板组件。
3) 卸下②带垫片六角孔螺栓(×4),更换 OCC 角度照明基板组件。
4) 安装时,请按照相反的顺序进行。
5) 更换后,请进行照明滤光器 UOCC 灯光的调整。(参照 4-7 更换后的重新调整一览)
4-3-1 OCC 同轴/角度照明电路板的更换
SL4030691SC
带垫片内六角螺钉 M3×6
40047512
OCC C LIGHT电路板组件(同轴)
40047508
OCC A LIGHT电路板组件(角度)
SL6030892TN
带垫片内六角螺栓 M3×8
维修调整要领书
4-4
SL6030892TN
带垫片内六角螺栓 M3×8
40015847
OCC
E1038871000
工作台锁定凸轮螺钉
SM1030501SC
平头螺丝 M3×5
40013949
照明滤光镜 U 支架
40043896
滤光镜
40013948
导板
40043895
光发散器
4-4 滤光镜/光发散器的更换
1 按照 OCC 组件更换要领,从 Head 板卸下照明组件。
2 卸下①带垫片内六角螺钉(×1)、②环(×1③平头螺丝(×2再卸下照明滤光镜U支架、
滤光镜、导板。
3 卸下④平头螺丝(×4),更换滤光镜。
4 安装时,请按照相反的顺序安装。
5 更换后,进行偏光滤光镜、OCC 照明的调整。(参照 4-7 更换后的重新调整一览)
4-4-1 滤光镜的更换