JX-350_保养维修手册.pdf - 第114页
维修调整要领书 5-17 5-12 更换支撑台气缸 1) 请将主机右下后部的台架阀门置于关闭状态。 2) 请拆下①、②固定螺丝,拆下 BU 台 A 组。(图 5-12-1 ) 3) 请拆下③、④安装螺丝,拆下⑤气缸。(也请拔下 φ4 气管)(图 5-12-2 ) 4) 请从⑤气缸拆下⑥空气接头( 2 个)。(图 5-12-2 ) 5) 请按照( 4 )~( 1 )的步骤安装新的气缸。 6) BU 传感器的位置调整请参考 5-13 项。 …

维修调整要领书
5-16
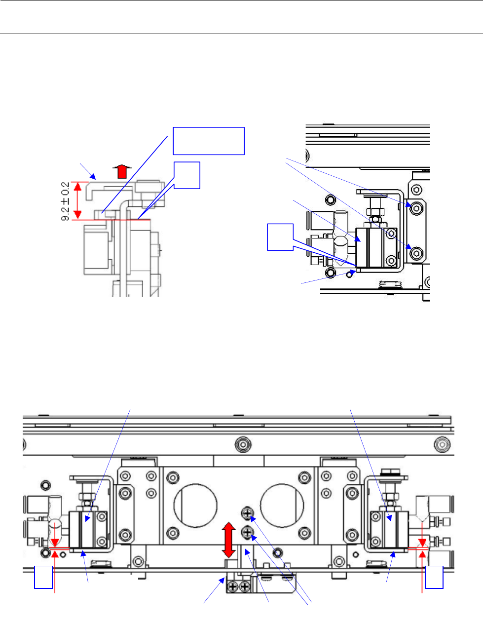
6)请将夹紧杆⑨向上提,在③气缸与⑩托架之间【A】没有空隙的状态下进行调整,使基板导轨安装面
【B】与夹紧杆上面的尺寸为 9.2±0.2mm,拧紧②螺丝。
注)这时,请确认反面一侧的气缸与托架之间没有空隙。
注)规格值:如果不能调整到 9.2±0.2mm 以内,请将反面一侧的②螺丝松开,调整夹紧杆的位置。
7)③气缸与⑩托架之间的空隙【C】为(t0.6mm)时,请调整⑫止动卡具,使得⑪传感器检出,而在
(t0.3mm)时检查不出。
注)止动卡具的调整,请使用⑬螺丝进行调整。
注)请设定空隙使止动卡具与传感器不干扰,左右均等。
③气缸
⑩托架
A
②
螺
丝
C C
③气缸 ③气缸
⑩托架
⑩托架
⑪传感器 ⑫止动卡具 ⑬螺丝
⑨夹紧杆
B
基板导轨

维修调整要领书
5-17
5-12 更换支撑台气缸
1)请将主机右下后部的台架阀门置于关闭状态。
2)请拆下①、②固定螺丝,拆下 BU 台 A 组。(图 5-12-1)
3)请拆下③、④安装螺丝,拆下⑤气缸。(也请拔下 φ4 气管)(图 5-12-2)
4)请从⑤气缸拆下⑥空气接头(2 个)。(图 5-12-2)
5)请按照(4)~(1)的步骤安装新的气缸。
6)BU 传感器的位置调整请参考 5-13 项。
图 5-12-1
图 5-12-2
①固定螺丝
②固定螺丝
③安装螺丝
④安装螺丝
⑤气缸
⑥空气接头

维修调整要领书
5-18
5-13 支撑台 BU 传感器的更换(选购项)
1)请拆下①螺丝,从传感器托架上拆下传感器。
2)请调整传感器与传感器止动卡具之间的距离为 1±0.3mm。
②
40154793 PROXIMITY SENSOR CABLE ASM
②DOWN 传感器
图 5-13-1
图 5-13-2
①螺丝
②UP 传感器
卡具(BU 台侧杆)
传感器