JX-350_保养维修手册.pdf - 第15页
维修调整要领书 1-8 < X 轴> < Y 轴> 磁尺与传感器头的空隙: 0.25±0.1mm 图 1-2-3-3 磁尺 X 磁尺传感器装置 40129630 SL6040892T 装置正面 SM6030502TN SL6041092TN 图 1-2-3-4 磁尺 Y 磁尺传感器装置 40129630 0.25 ± 0.1

维修调整要领书
1-7
1-2-3 磁尺的空隙调整
1) 把 MSC 间隙规(货号 40008106)中的 t0.25mm 夹到磁尺与传感器头的空隙,然后拧紧螺丝。
2) 确认在 XY 轴的全行程中,MSC 间隙规中的 t0.35mm 插不进磁尺与传感器 Head 的空隙,MSC
间隙规中的 t0.15mm 可以插进。
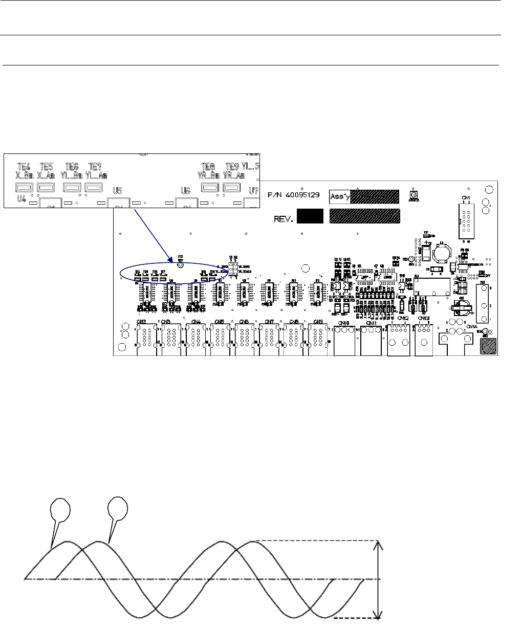
3) 使用下图的 MAGNETIC SCALE 基板(货号 40095130)的测试插孔。
图 1-2-3-1
注) 卸下护罩、传感头,拆卸时应关掉电源之后再进行。
4) 将示波器的测量头分别接到 GND 端子「GND(TE3)」和「XA(TE5)」、「YLA(TE7)」、
「YRA(TE9)」上,测定电压波形,各轴逐一进行。观察此时出现在示波器中的 A 相和 B 相的
波形振幅,确认整个区域 P-P 值为 2.0V±0.5V。
A
B
图 1-2-3-2
5) 如果 P-P 值不是 2.0V±0.5V,则松开固定传感器的螺钉(X 轴为下图的 SL6040892TN,Y 轴为
SM6030502TN、SL6041092TN)。
各自的振幅
1.5~2.5Vpp
(在推荐安装状态下)

维修调整要领书
1-8
< X轴>
< Y轴>
磁尺与传感器头的空隙: 0.25±0.1mm
图 1-2-3-3
磁尺 X
磁尺传感器装置
40129630
SL6040892T
装置正面
SM6030502TN
SL6041092TN
图 1-2-3-4
磁尺 Y
磁尺传感器装置
40129630
0.25±0.1

维修调整要领书
1-9
1-3 极限传感器、原点附近传感器的更换
1) 只更换传感器的时候,没有必要调整位置。
2) 支架也一起更换的时候,需要调整位置。
※ X轴的原点成了磁尺的 Z 相。因此,X 轴上没有原点传感器。
1-3-1 X 轴极限传感器、X 轴原点附近传感器的更换
1) 拧松固定 X 极限传感器支架的螺丝,按照下图的 X 架端 L、R 的距离进行固定。(图 1-3-1-1)
图 1-3-1-1 极限传感器、原点附近传感器的更换
左侧 (X 负侧极限传感器)
X 架端 L 的止动橡胶安装面和传感器
中心的距离: A
85.7mm
中央 (X 原点附近传感器)
X 架端 L 的止动橡胶安装面和传感器
中心的距离: B
96.7mm
右侧 (X 正侧极限传感器)
X 架端 R 的止动橡胶安装面和传感器
中心的距离:C
104.7mm
止动橡胶粘贴面
止动橡胶
X负侧极限传感器
X原点附近传感器
X正侧极限传感器