JX-350_保养维修手册.pdf - 第30页
维修调整要领书 1-23 1-6-3 电缆的装配 1 ) 给各电缆 ( XY 拖链电缆、 1394 机器人电缆、 OPTICAL FIBER CABLE 7M ) 放进电缆拖链的部分 涂敷润滑油,按照 X 轴电缆拖链的 A 向视图配置电缆、空气管。 ※ 请注意插座朝向和空气管不要挠曲。 图 1-6-3-1 Head 装置(后侧) 图 1-6-3-2 向视 A 图 2 ) 将各电缆、空气管穿入后,盖上电缆拖链的盖子。 A 空气管(黑) 空…

维修调整要领书
1-22
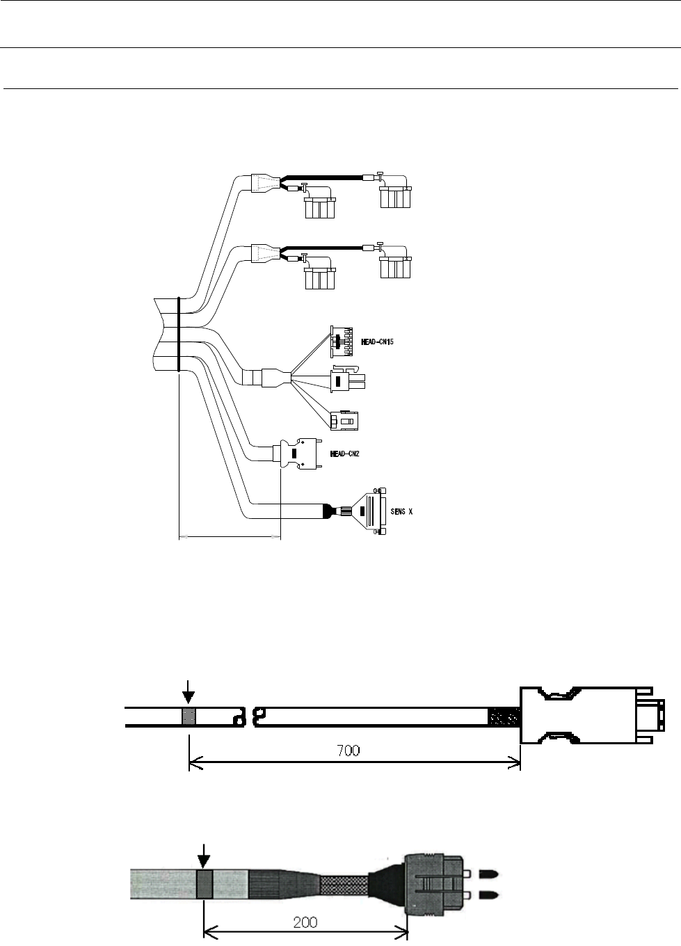
1-6-2 电缆标识(X)的确认
1) 确认 XY 拖链电缆的标识位置。
(位置是离开 HEAD-CN2 插接器端 220mm)
图 1-6-2-1
2) 确认 1394 机器人电缆、OPTICAL FIBER CABLE 7M 的标识位置。
(位置是机器人电缆离开插接器端 700mm 处,光纤电缆离开 200mm 处)
图 1-6-2-2
OPTICAL FIBER CABLE 7M
1394 机器人电缆
在 1394 ROBOT CABLE ASM 上标白色记号
在 OPTICAL FIBER CABLE 7M 上标白色记号
B1B6
ZTD-CNP1
ZTC-CNP1
B1B6
1
H
H
B1B6
ZTB-CNP1
ZTA-CNP1
B1B6
H
H
H
220mm

维修调整要领书
1-23
1-6-3 电缆的装配
1) 给各电缆(XY 拖链电缆、1394 机器人电缆、OPTICAL FIBER CABLE 7M)放进电缆拖链的部分
涂敷润滑油,按照 X 轴电缆拖链的 A 向视图配置电缆、空气管。
※ 请注意插座朝向和空气管不要挠曲。
图 1-6-3-1 Head 装置(后侧)
图 1-6-3-2 向视 A 图
2) 将各电缆、空气管穿入后,盖上电缆拖链的盖子。
A
空气管(黑) 空气管(蓝)
前侧 后侧
电缆拖链 Head 侧出口 M:L规格
XY VEYOR 5 连 CABLES ASM

维修调整要领书
1-24
3) 将各电缆的记号位置对齐“FC_SUPPORT”的上端(出口侧一端),固定电缆的 Head 侧(移动端)。
图 1-6-3-3
4) 将 XY 拖链电缆(XY 拖链电缆 XL)、1394 机器人电缆、OPTICAL FIBER CABLE 7M 推入②的
方向,在 X 电缆拖链的端部位置上沿线束的并排方向画白色记号。把线束朝图中的①方向拉,在
X 电缆拖链的端部位置上沿线束的并排方向画白色记号。
5) 调整线束,使 2 条记号的中间位置成为 X 电缆拖链的端部,再予固定。
图 1-6-3-4
6) 用手推入电缆拖链内部的线束,确认不绷紧。
将记号对齐FC_SUPPORT端。
①
②
请调整到电缆拖链的端部位于XY拖链电缆的记号(白线)中央。