JX-350_保养维修手册.pdf - 第74页
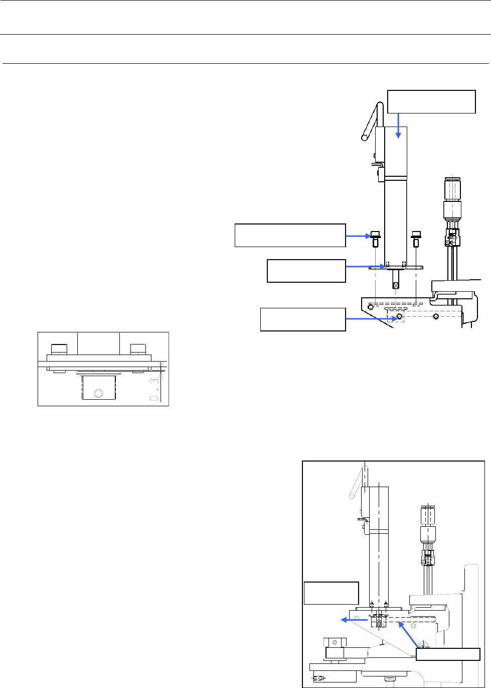
维修调整要领书 2-4 图 2-2-1-1 Z电动机组装部 (俯视图) 图 2-2-1-2 同步皮带 Z 2-2 马达的更换 2-2-1 Z 马达的更换( LNC 贴装头) 更换了Z马达之后,需要进行Z轴原点的位置调整,以及 Z 轴高度有关、激光有关的 MS 参数。 (输入项目请参照 2-8 项。) 1 ) 从伺服放大器基板上拆下马达线束。 2 ) 实施到到 2-1 的第 1 )~第 6 )步,拆下贴装头 阀托架。 3 ) 先松开 Z …

维修调整要领书
2-3
7) 拆下 HMS 固定螺丝。如有 BMR,拆下 BM_ANGLE_BR 固定螺丝(图 2-1-4)。
8) 拆下 LNC60 的编码器及 1394 电缆。
9) 从贴装头提升气缸用的联管节 Y 上拆下 φ4 空气管。
10) 拆下气缸(参照 2-5)。
11) 请用手按住贴装头,同时拆下 M5×20 带垫片螺丝(6 个),向身前平行移动取出,注意不要碰
到其他元件(图 2-1-5)。
12) 装配时请按相反的步骤进行。
13) 更换贴装头后,必须从新输入 MS 参数。输入项目请参照 2-9 项。
※ 装配时请对贴装头安装螺丝(6 个)涂敷 LOCTITE242 粘结剂,以安装扭矩 7.0Nm 进行固定。
※ 各电动机的连接器,请参照位置标签连接。
BM
_
ANGLE
_
BR 固定螺丝
HMS 固定螺丝
M5×20 带垫片螺丝 (×6)
LCN60 连接器部
部
LNC60

维修调整要领书
2-4
图 2-2-1-1 Z电动机组装部(俯视图)
图 2-2-1-2 同步皮带 Z
2-2 马达的更换
2-2-1 Z 马达的更换(LNC 贴装头)
更换了Z马达之后,需要进行Z轴原点的位置调整,以及 Z 轴高度有关、激光有关的 MS 参数。
(输入项目请参照 2-8 项。)
1) 从伺服放大器基板上拆下马达线束。
2) 实施到到 2-1 的第 1)~第 6)步,拆下贴装头
阀托架。
3) 先松开 Z 马达皮带轮的止动螺钉①。
4) 拆下马达的安装螺钉②(3 个),拔出皮带轮同
时卸下马达。
5) 装配请按相反的步骤进行。
6) 请按以下步骤调整皮带张力。
<皮带张力调整步骤>
① 把螺丝插到 Z 马达的螺丝孔,朝箭头方向用杆张力 21.6N
(2.2kgf)的拉力,用安装螺丝固定。
张力计设置值(设计值)
张力计输入值
Weight:0.9g/m、Width:8.0mm、Span:45mm
合适张力:10.5±1N
※ 在 Z 马达安装螺丝(3 个)上涂上锁定漆 242 后,拧紧
固定,转矩为 2.3N m。
※ 固定 Z 马达皮带轮的固定螺丝时,应注意 Z 马达轴的平部和皮带轮固定螺丝的方向。固定螺丝的
紧固转矩为 0.5N m。
图
2-2-1-3 Z 电动机皮带轮的组装方法
② 组装后,请获取 MS 参数的基板上面高度。
①SM8030312TP
止动螺钉 M3 L=3
②SL6031692TN
带垫片内六角螺栓 M3×16
同步皮带 Z
21.6N (2.2kgf)
拉
在将 Z 轴抬到最上面的状态下,如果按左图
所示,在轴标记为 2 点钟方向的位置或者轴
的 D 形切面为图示的位置时将 Z 马达皮带轮
固定,即达到 2)项的条件。

维修调整要领书
2-5
图 2-2-2-1 θ马达的更换
2-2-2 θ 马达的更换
更换马达之后,需要重新输入有关轴原点的 MS 参数。
(输入项目请参照 2-8 项。)
1) 从伺服放大器基板上拆下马达线束。
实施到到 2-1 的第 1)~第 6)步,拆下
贴装头阀托架。
2) 先松开 T 皮带轮的止动螺钉①(小螺钉
(×2))。
3) 拆下马达的安装螺钉②(带垫片内六角螺
钉(×2)),拔出皮带轮同时卸下马达。
4) 卸下埋头螺钉③((×2),拆下 TM 法
兰盘。
5) 装配请按相反的步骤进行。
※ 给③埋头螺钉涂敷粘结剂 LOCTITE242
后,请以安装扭矩 0.14N m 进行固定。
6) 请按以下步骤调整皮带张力。
<皮带张力调整步骤>
① 在 θ 马达的 T 链轮前端,用束线箍或皮带等做一个圈,
挂上拉力棒,在拉到 12.7N(1.3kgf)的状态下用安装
螺丝固定。
张力计设置值(设计值)
张力计输入值
Weight:0.9g/m、Width:4.0mm、Span:38.2mm
规格值:4.5~12.5N
※ 在 θ 马达安装螺丝(2 个)上涂上锁定漆 242 后,拧
紧固定,转矩为 2.3N m。
※ 固定 T 皮带轮的固定螺丝时,应注意 θ 马达轴的平部
和皮带轮固定螺丝的方向。
固定螺丝的紧固转矩为 0.5N m。
图
2-2-2-2 θ电动机皮带张力调整
①SM8030312TP
止动螺钉 M3 L=3
③SM1020501SC
埋头螺钉 M2 L=5
40044533
伺服电动机 10W(θ 轴)
②SL6030842TN
带垫片内六角螺栓 M3×8
同步皮带 T
12.7N(1.3kgf)
拉
装配时,要使 T 链轮与 TM 螺母板
间的空隙为 0.3mm