RP-1-Rev00 - 第105页
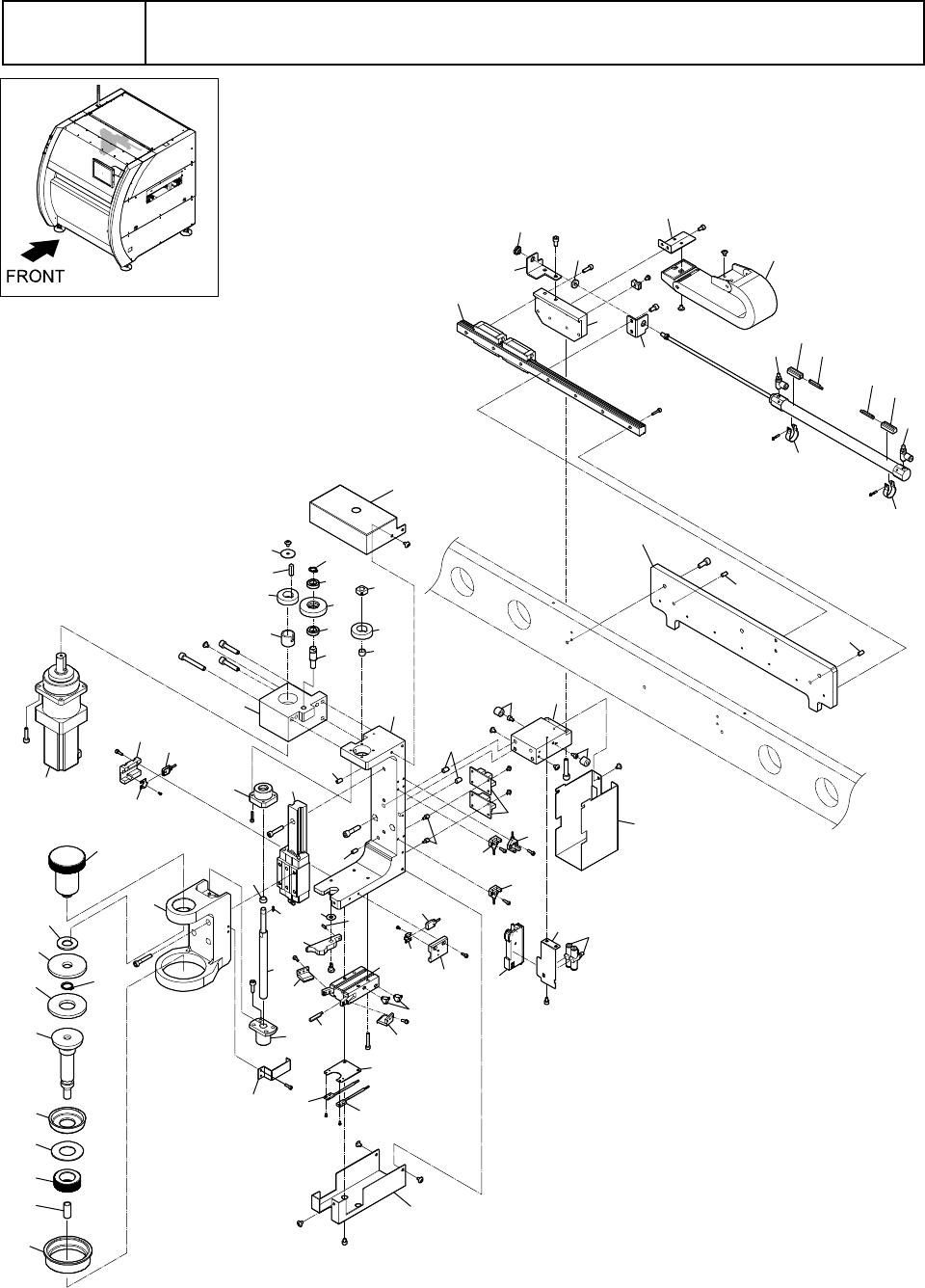
A24 はんだ供給ユニ ット ( オプシ ョン ) Solder supply unit (option) イラスト番 号 Ref.No. 部品コード Parts Code 部品名 Parts Name Serial No. 個数 Q'ty 備考 Remarks 同期 Repl. 1 EZA- 1899 - 202 -A SC MOUNT SC MOUNT 2 2 EZ1- 492 - 030 - 13 センサ - ASSY …

A24
はんだ供給ユニット
(
オプション
)
Solder supply unit (option)
48
51
67
12
12
67
52
53
14
23
14
54
58
68
2
3
68
58
55
57
57
49
50
26
62
13
22
28
29
30
33
34
66
70
73
71
72
74
69
15
15
11
21
21
60
61
56
16
31
18
32
19
1
35
35
4
36
9
9
38
39
40
41
42
43
44
25
64
45
46
37
47
17
59
10
63
65
10
12
24
12
6
5
7
8
27
20
A-84

A24
はんだ供給ユニット
(
オプション
)
Solder supply unit (option)
イラスト番号
Ref.No.
部品コード
Parts Code
部品名
Parts Name
Serial
No.
個数
Q'ty
備考
Remarks
同期
Repl.
1 EZA-1899-202-A
SC MOUNT
SC MOUNT
2
2 EZ1-492-030-13
センサ-
ASSY (IN1-12)
SENSOR ASSY (IN1-12)
1
3 EZ1-492-030-23
センサ-
ASSY (IN1-13)
SENSOR ASSY (IN1-13)
1
4 EZ1-492-032-92
センサ-
ASSY (IN1-15)
SENSOR ASSY (IN1-15)
1
5 EZ1-492-038-12
センサ-
アンプ
ASSY (IN1-16)
AMMPLIFIER ASSY(IN1-16),SENSOR
1
6 EZ1-492-041-72
センサ-
ASSY (S12ORG)
SENSOR ASSY (S12ORG)
1
7 EZ1-492-044-52
センサ-
ASSY (S12CW)
SENSOR ASSY (S12CW)
1
8 EZ1-492-044-62
センサ-
ASSY (S12CCW)
SENSOR ASSY (S12CCW)
1
9 EZ1-492-266-11
センサ- ヘツド
ASSY (IN1-16)
HEAD ASSY, SENSOR (IN1-16)
2
10 EZ1-492-361-12
センサ-
ASSY (IN1-14)
SENSOR ASSY (IN1-14)
1
11 EZ1-855-287-11
サ-ボ モ-タ-
(C13)
MOTOR, SERVO (SGMJV-
01ADAHC01)
1
12 EZ2-022-663-21
ヘイコウピン
(
フアイ
5M6X10)
PIN, PARALLEL (DIA. 5M6X10)
4
13 EZ2-022-680-21
C
ガタ トメワ
(STWS16)
RING, C TYPE RETAINING(STWS16)
1
14 EZ2-022-747-01
フロ-テイング ジヨイント
(FJT5-0.8-3)
JOINT, FLOATING (FJT5-0.8-3)
1
15 EZ2-023-037-01
スリツト
(E39-S64)
SLIT (E39-S64)
2
16 EZ2-592-891-01
C
ガタ トメワ
(STWS10)
RING (STWS10),C TYPE RETAINING
1
17 EZ2-674-572-21
バ-ブ ツギテ
(M-5ALN-4)
JOINT (M-5ALN-4), BAMBOO
2
18 EZ2-680-401-31
ヘイコウ キ-
(KED3-8)
KEY, PARALLEL (KED3-8)
1
19 EZ2-990-379-01
シチユウ
SUPPORT
8
20 EZ3-217-532-11
アツシユク バネ
(UL4-20)
SPRING, COMPRESSION (UL4-20)
1
21 EZ3-854-267-01
ボ-ルベアリング
(6800ZZ)
FLANGELESS BALL BEARING
2
22 EZ4-165-030-01
ナツト
(TNBC-ATM12-R)
NUT (TNBC-ATM12-R)
1
23 EZ4-184-270-61
ケ-ブル ベア
(TKP0180W40R28-13L*)
BARE (TKP0180W40R28-13L+PIA*)
1
24 EZ4-184-296-31
ヘイコウ ピン
(
フアイ
6M6X10 SUS)
PIN (DIA. 6M6X10 SUS),PARALLEL
2
25 EZ4-184-366-11
シリンダ
-
(CDJ2B16-222A-B)
CYLINDER (CDJ2B16-222A-B)
1
26 EZ4-184-367-01
リニア ウエイ
(MES15C2R400)
RAIL (MES15C2R400),LINEAR
1
27 EZ4-284-642-01
スピ-ド コントロ-ラ
(AS1002F-04)
CONTROLLER (AS1002F-04), SPEED
2
28 EZ4-455-419-02
ポツト ホルダ-
HOLDER, POT
1
29 EZ4-455-420-01
ドグ
DOG
1
A-85

A24
はんだ供給ユニット
(
オプション
)
Solder supply unit (option)
イラスト番号
Ref.No.
部品コード
Parts Code
部品名
Parts Name
Serial
No.
個数
Q'ty
備考
Remarks
同期
Repl.
30 EZ4-455-421-01
ポツト オサエ ネジ
SCREW, POT RETAINER
1
31 EZ4-455-422-02
シリンダ ロツク
LOCK, CYLINDER
1
32 EZ4-455-423-03
ベ-ス ブロツク
BLOCK, BASE
1
33 EZ4-455-424-01
ポツト オサエ プレ-ト
PLATE, POT RETAINER
1
34 EZ4-455-425-01
スラスト リング
RING, THRUST
1
35 EZ4-455-426-01
クランプ ブロツク
BLOCK, CLAMP
2
36 EZ4-455-427-02
センサ ブラケツト
BRACKET, SENSOR
1
37 EZ4-455-428-02
ダイケイ ネジ
SCREW, TRAPEZOIDAL
1
38 EZ4-455-429-01
カラ-
1
COLLAR (1)
1
39 EZ4-455-430-01
シヤフト プレ-ト
PLATE, SHAFT
1
40 EZ4-455-431-02
クランプ カバ-
COVER, CLAMP
1
41 EZ4-455-432-01
ギヤ カバ-
COVER, GEAR
1
42 EZ4-455-433-01
ギヤ
(1)
GEAR (1)
1
43 EZ4-455-434-01
ギヤ シヤフト
SHAFT, GEAR
1
44 EZ4-455-435-02
モ-タ ブラケツト
BRACKET, MOTOR
1
45 EZ4-455-436-01
カラ-
2
COLLAR (2)
1
46 EZ4-455-437-01
カラ-
3
COLLAR (3)
1
47 EZ4-455-438-03
センサ ブラケツト
BRACKET, SENSOR
1
48 EZ4-455-439-02
ベ-ス プレ-ト
PLATE, BASE
1
49 EZ4-455-440-01
ジヨイント ブロツク
BLOCK, JOINT
1
50 EZ4-455-441-01
スライド ベ-ス
BASE, SLIDE
1
51 EZ4-455-442-01
シリンダ ブラケツト
BRACKET, CYLINDER
1
52 EZ4-455-443-01
シリンダ ジヨイント
JOINT, CYLINDER
1
53 EZ4-455-444-01
ケ-ブル ベア ブラケツト
BRACKET, CABLE BARE
1
54 EZ4-455-446-01
センサ アンプ ブラケツト
BRACKET, SENSOR AMPLIFIER
1
55 EZ4-455-447-01
リア カバ-
COVER, REAR
1
56 EZ4-456-910-51
サポ-ト ユニツト
(BUM-8)
SUPPORT UNIT (BUM-8)
1
57 EZ4-456-950-01
ウレタン ヤキツケ クツシヨン
(UHBKS12-10-M4)
CUSHION (UHBKS12-10-M4)
2
58 EZ4-457-146-01
スピ-ド コントロ-ラ-
(AS1201F-M5-04A)
CONTROLLER (AS1201F-M5-04A)
2
59 EZ4-457-148-02
センサ ブラケツト
2
BRACKET (2), SENSOR
1
A-86