RP-1-Rev00 - 第115页
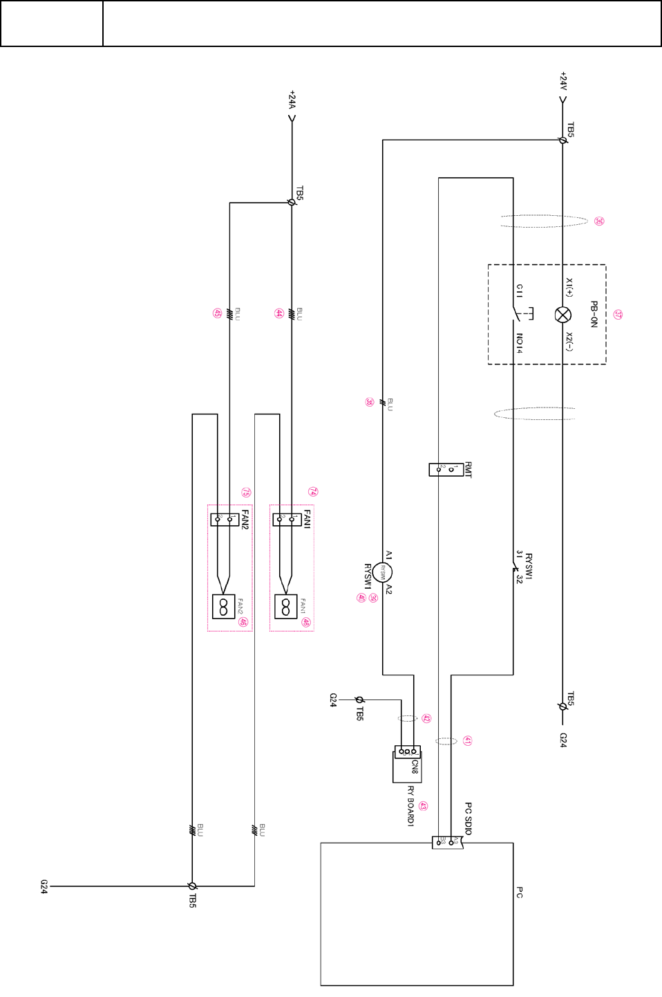
B1-2 主電源配線図 (DC) Main power supply wiring diagram (DC) イラスト番 号 Ref.No. 部品コード Parts Code 部品名 Parts Name Serial No. 個数 Q'ty 備考 Remarks 同期 Repl. 36 EZ1- 968 - 908 - 12 ハ - ネス ( SW 1) HARNESS 1 37 EZ1- 846 - 554 - 11 SW…

B1-2
主電源配線図
(DC)
Main power supply wiring diagram (DC)
B-4

B1-2
主電源配線図
(DC)
Main power supply wiring diagram (DC)
イラスト番号
Ref.No.
部品コード
Parts Code
部品名
Parts Name
Serial
No.
個数
Q'ty
備考
Remarks
同期
Repl.
36 EZ1-968-908-12
ハ-ネス
(SW1)
HARNESS
1
37 EZ1-846-554-11
SW
ケ-ブル
(ZY1C-SS3961-P-ON)
CABLE, SW
1
38 EZ1-968-909-11
ハ-ネス
(DC8)
HARNESS
1
39 EZ1-755-648-11
パワ- リレ
-
(G7J-2A2B-B 24V)
RELAY, POWER (G7J-2A2B-B 24V)
1
40 EZ4-104-008-01
コテイ カナグ
(R99-04 FOR G5F)
BRACKET (R99-04 FOR G5F),FIXED
1
41 EZ1-968-899-13
ハ-ネス
(SDIO PC)
HARNESS
1
42 EZ1-968-893-11
ハ-ネス
(RY1-RYSW1)
HARNESS
1
43 EZA-1923-198-A
RY COMPL
RY COMPL
1
44 EZ1-968-967-12
ハ-ネス
(FAN1)
HARNESS
2
45 EZ1-968-967-22
ハ-ネス
(FAN2)
HARNESS
1
46 EZ1-787-663-11
フアン モ-タ
-
(T-MDS1225-24-G)
MOTOR, FAN (T-MDS1225-24-G)
2
74 EZ1-492-271-12
フアン
ASSY (FAN1)
FAN ASSY (FAN1)
1
75 EZ1-492-271-22
フアン
ASSY (FAN2)
FAN ASSY (FAN2)
1
B-5

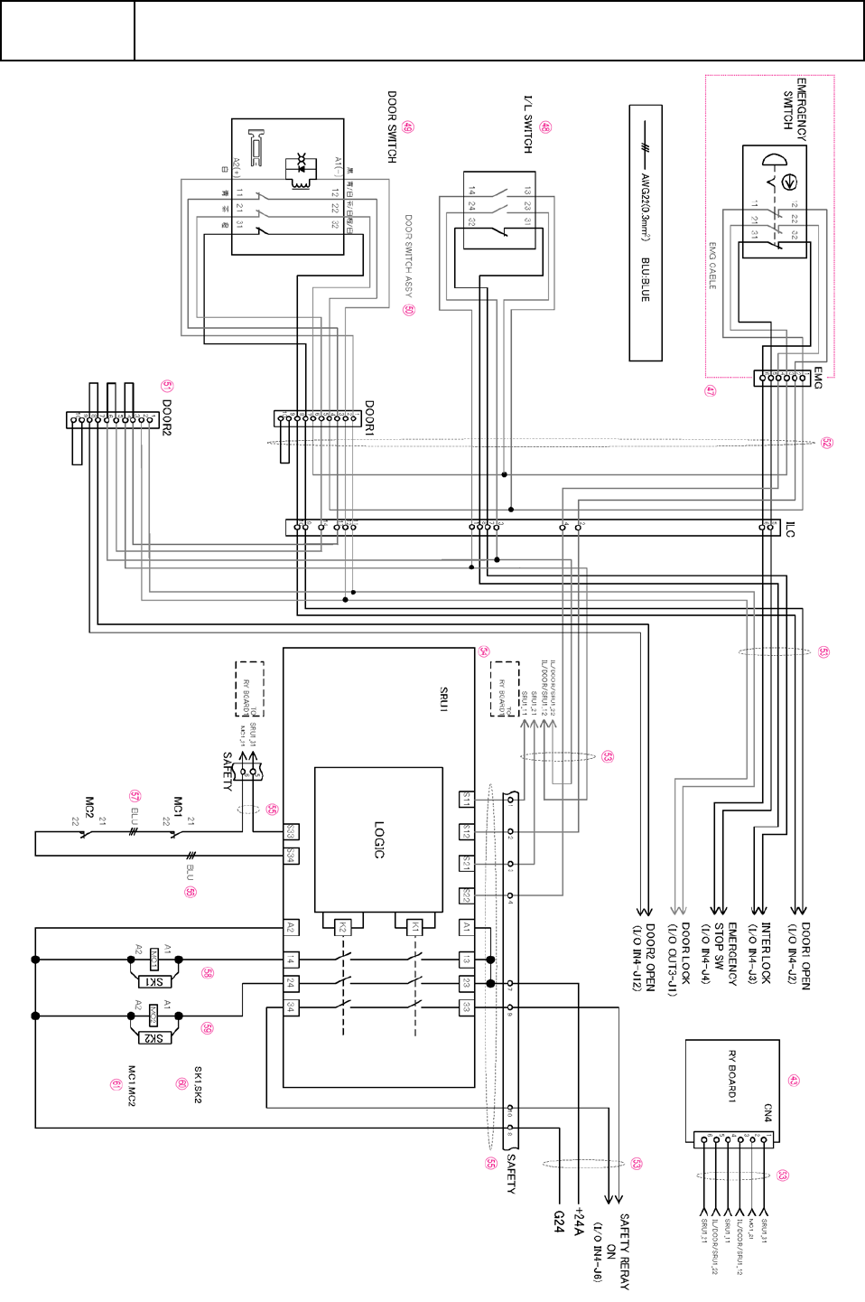
B1-3
安全回路配線図
Safety Control wiring diagram
B-6