RP-1-Rev00 - 第121页
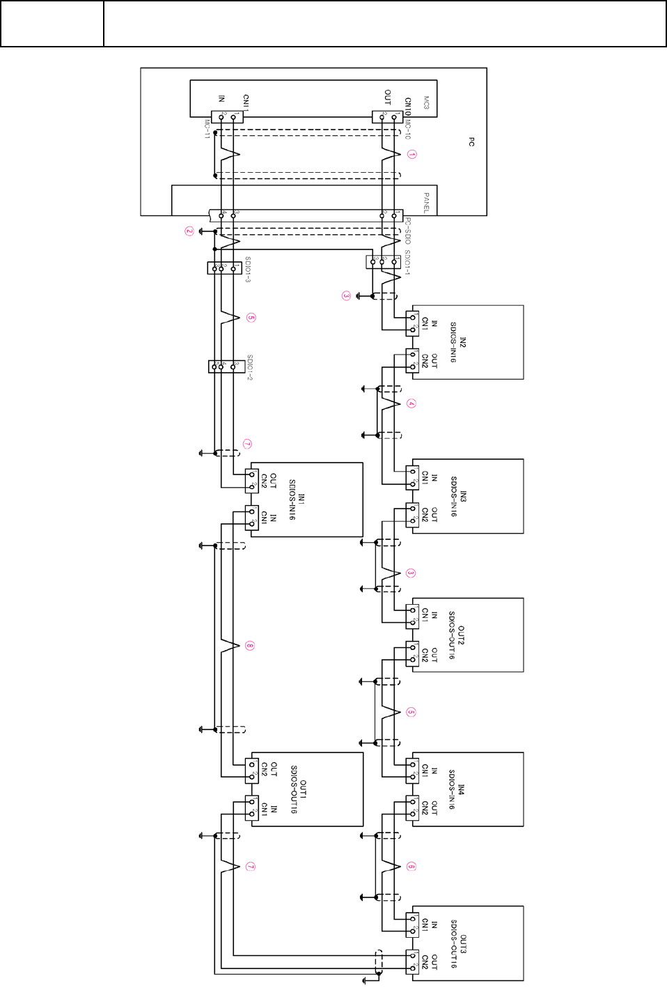
B2-1 I/O リンク配線図 ( 信号 ) W iring diagram I /O link (sig nal) イラスト番 号 Ref.No. 部品コード Parts Code 部品名 Parts Name Serial No. 個数 Q'ty 備考 Remarks 同期 Repl. 1 EZ1- 968 - 9 11 - 11 ハ - ネス (PC SDIO) HARNESS 1 2 EZ1- 968 - 899 - …

B2-1
I/O
リンク配線図
(
信号
)
Wiring diagram I/O link (signal)
B-10

B2-1
I/O
リンク配線図
(
信号
)
Wiring diagram I/O link (signal)
イラスト番号
Ref.No.
部品コード
Parts Code
部品名
Parts Name
Serial
No.
個数
Q'ty
備考
Remarks
同期
Repl.
1 EZ1-968-911-11
ハ-ネス
(PC SDIO)
HARNESS
1
2 EZ1-968-899-13
ハ-ネス
(SDIO PC)
HARNESS
1
3 EZ1-968-927-12
ハ-ネス
(SDIO
ツウシン
1)
HARNESS
1
4 EZ1-968-942-12
ハ-ネス
(SDIO
ツウシン
4)
HARNESS
1
5 EZ1-968-903-12
ハ-ネス
(SDIO
ツウシン
2)
HARNESS
1
6 EZ1-968-942-22
ハ-ネス
(SDIO
ツウシン
5)
HARNESS
1
7 EZ1-968-904-12
ハ-ネス
(SDIO
ツウシン
3)
HARNESS
1
8 EZ1-968-942-32
ハ-ネス
(SDIO
ツウシン
6)
HARNESS
1
B-11

B2-2
I/O
配線図
1
Wiring diagram I/O 1
B-12