Tape feeder module 72mm X FS07_074250 - 第5页
Tape feeder module 72mm X FS07 Page 5 / 13 16.09.2021

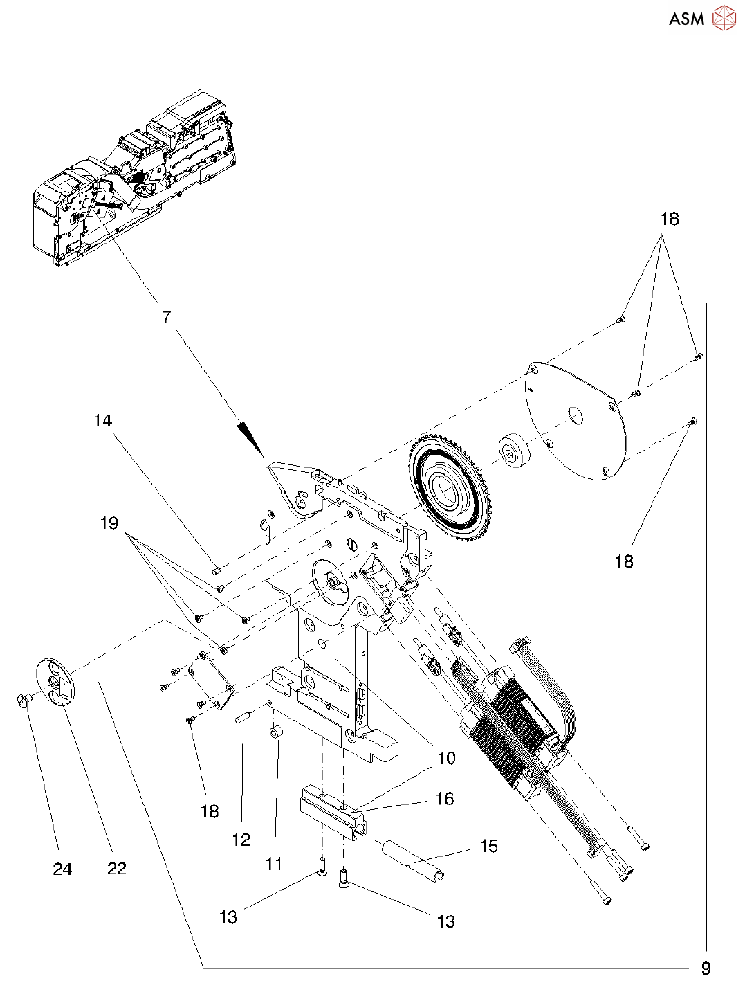
Tape feeder module 72mm X FS07
Page 4 / 13 16.09.2021

Tape feeder module 72mm X FS07
Page 5 / 13 16.09.2021

Tape feeder module 72mm X FS07
Page 6 / 13 16.09.2021