文档中心
/
06_Wiring Diagram_N7205A067E00
06_Wiring Diagram_N7205A067E00 - 第105页
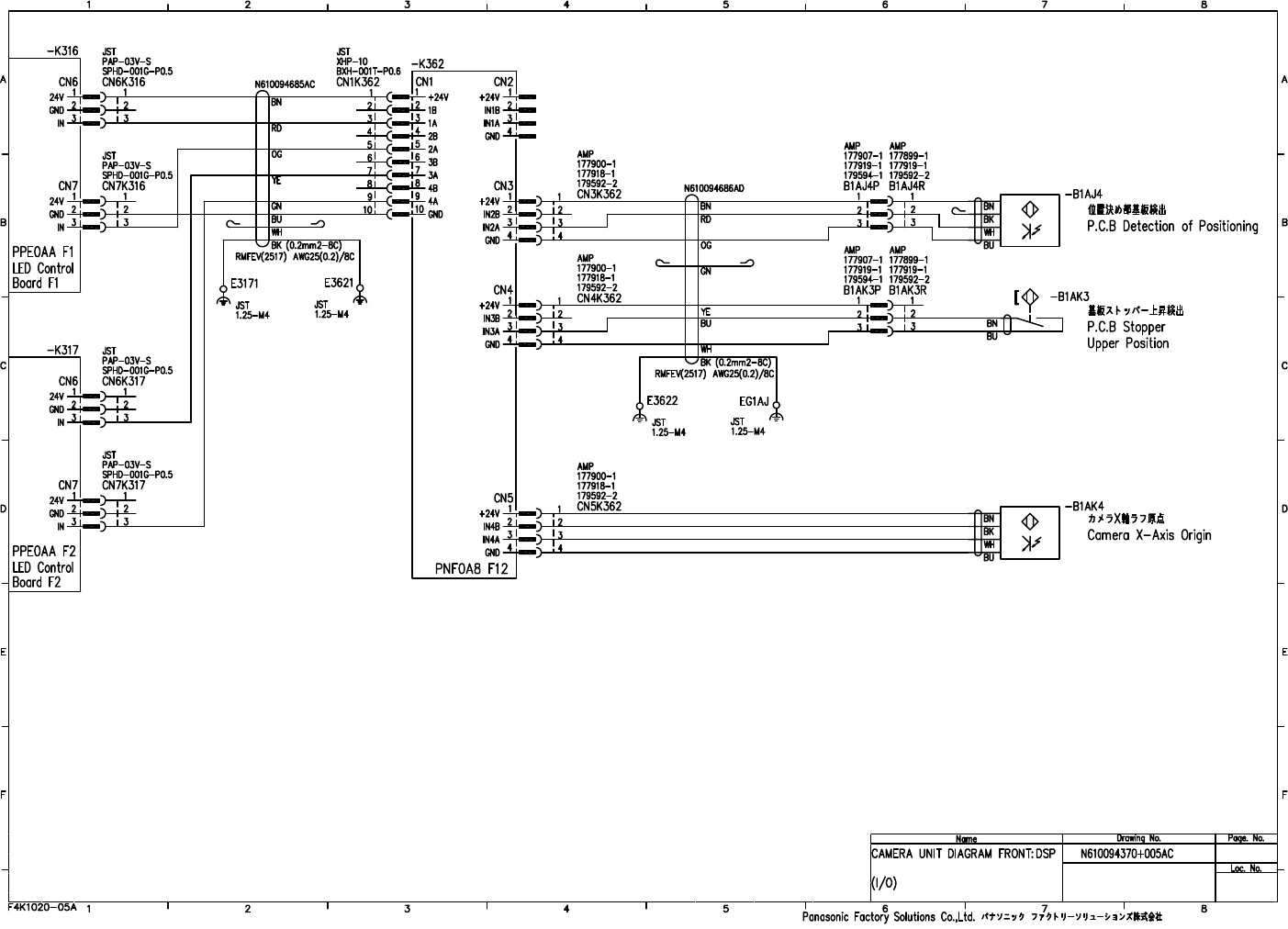
EJP4AE- TP-01W-00 4 . CA M E RA U N I T D IA G RA M 4-2 REA R
目录
100%
显示:宽度
宽度
1 / 169
回到旧版
旧版
?
EJP4AE-
TP-01W-00
4
.
CA
M
E
RA
U
N
I
T
D
IA
G
RA
M
4-2 REA
R
该页面需要启用 JavaScript 才能进行交互式预览。