文档中心
/
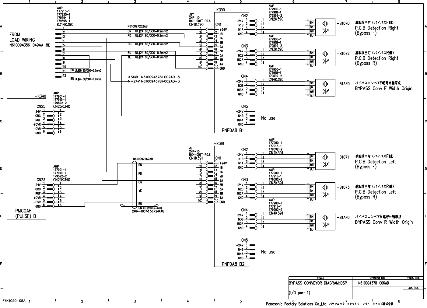
06_Wiring Diagram_N7205A067E00
06_Wiring Diagram_N7205A067E00 - 第149页
在线预览 06_Wiring Diagram_N7205A067E00 PDF 文档。
目录
100%
显示:宽度
宽度
1 / 169
回到旧版
旧版
?
= MEMO
=
该页面需要启用 JavaScript 才能进行交互式预览。