文档中心
/
06_Wiring Diagram_N7205A067E00
06_Wiring Diagram_N7205A067E00 - 第88页
= MEMO =
目录
100%
显示:宽度
宽度
1 / 169
回到旧版
旧版
?
= MEMO
=
EJP4AE-
TP-01W-00
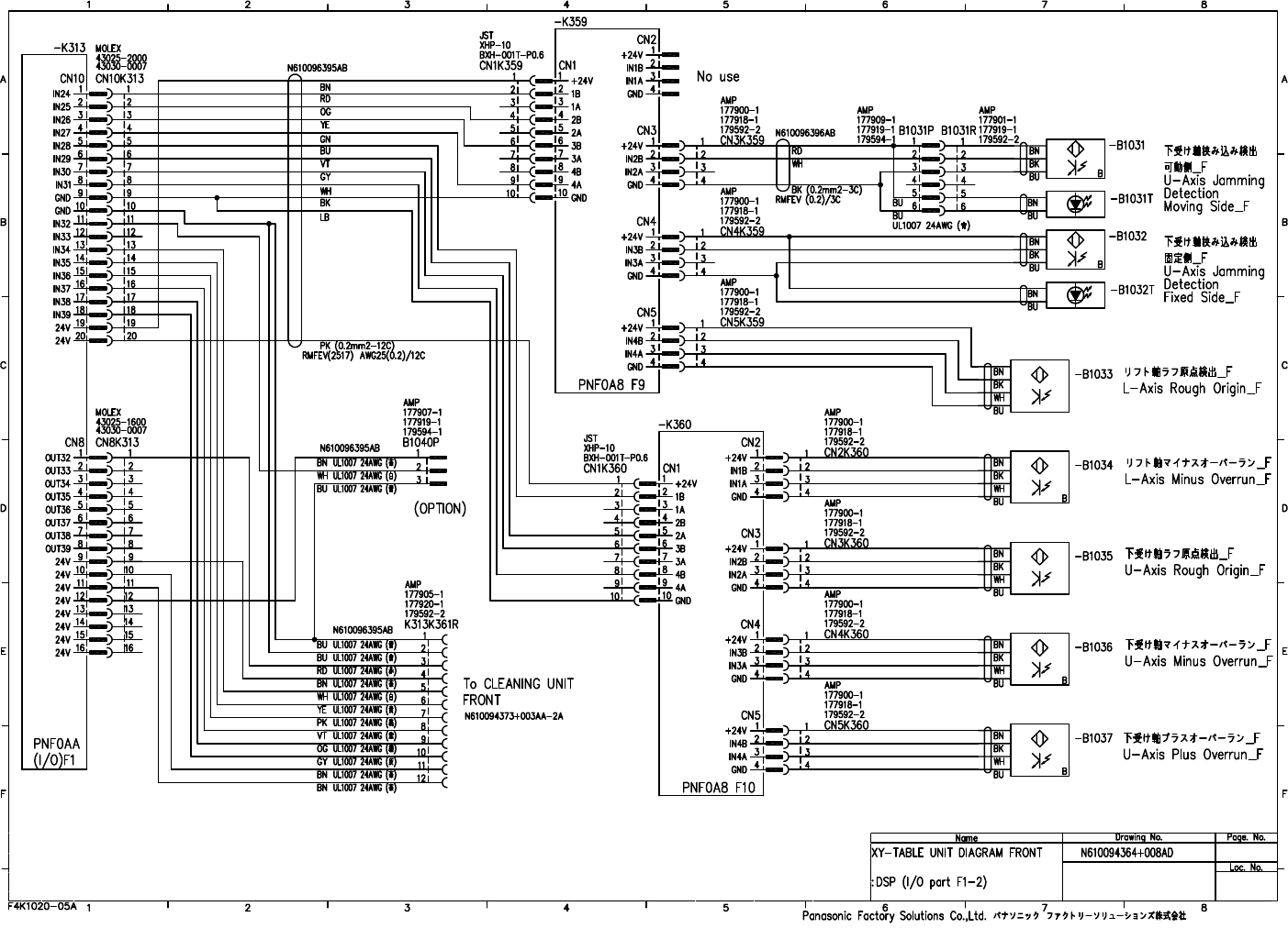
3.
XY-
T
A
B
LE U
NI
T
DI
A
G
R
A
M
3-2 REA
R
该页面需要启用 JavaScript 才能进行交互式预览。