P-206-001 - 第143页
MODEL TCM-X200 0203-002 Key No. P AR T No. P AR T NAME Q’ ty REMARKS NOTE 141 JE-2 10 3 630 1 12 7200 ME CH P AR TS (G UID E CA BLE ) 1 696JE-1 10-103 10 4 630 047 9782 AI R LI NE EQ PT 6 696JE-1 10-104 1 1 5 630 093 255…

MODEL TCM-X200
0203-002
140
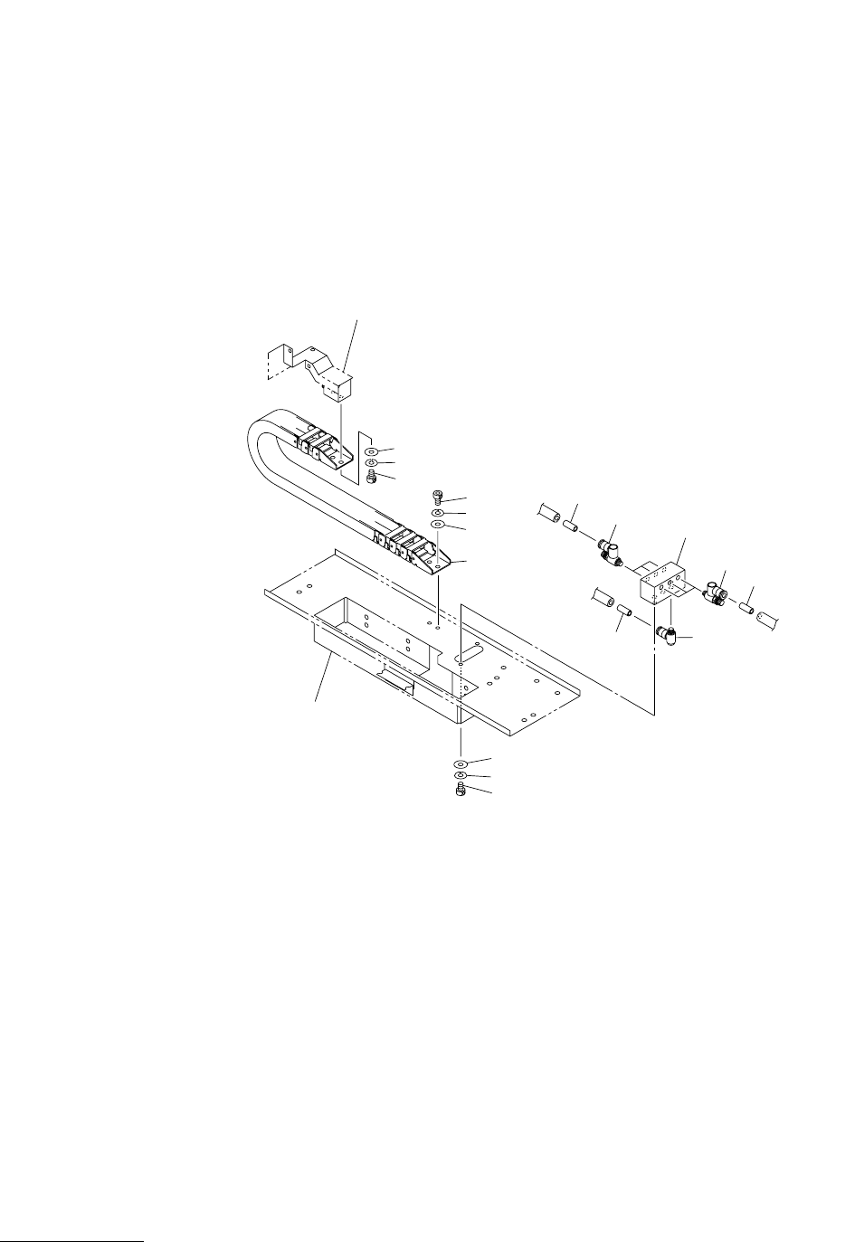
XY ࠹ࡉ࡞㈩▤ޔ㈩✢ XY TABLE PIPING, WIRING
Fig. JE-2 Z ࠢࡦࡊ㈩▤ - 㧝 Z Clamp Piping-1
See Fig.JE-1
Key No.1
See Fig.JE-1
Key No.2
Fig.JE-2
TCM-X200-002
4797A-002
119
118
120
119
120
103
104
117
115
104
117
116
117
118
120
119
118

MODEL TCM-X200
0203-002
Key No. PART No. PART NAME Q’ty REMARKS
NOTE
141
JE-2
103 630 112 7200 MECH PARTS(GUIDE CABLE) 1 696JE-110-103
104 630 047 9782 AIR LINE EQPT 6 696JE-110-104
115 630 093 2553 BLOCK 1 696JE-110-115
116 630 093 7459 PIPE FITTINGS 3 696JE-110-116
117 630 079 8432 AIR LINE EQPT 9 696JE-110-117
118 630 000 7503 BOLT,HEX-SCT 6 696JE-110-118
119 411 141 2806 WASHER SPR 3 6 696JE-110-119
120 411 141 3902 WASHER V 3X7X0.5 6 696JE-110-120

MODEL TCM-X200
0203-002
142
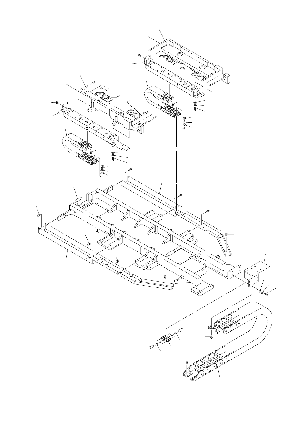
XY ࠹ࡉ࡞㈩▤ޔ㈩✢ XY TABLE PIPING, WIRING
Fig. JE-3 ㈩▤ޔ㈩✢ᡰᜬㇱ Piping, Wiring Supporter
233
205
233
204
209
213
221
218
211
233
233
202
233
233
233
233
203
233
233
201
222
219
212
206
216
227
208
227
216
224
225
226
209
213
221
218
211
224
225
226
See Fig.JC-1
Key No.4
See Fig.JB-4
Key No.301
Fig.JE-3
TCM-X200-002
4797A-002
See Fig.JC-1
Key No.4