P-206-001 - 第58页
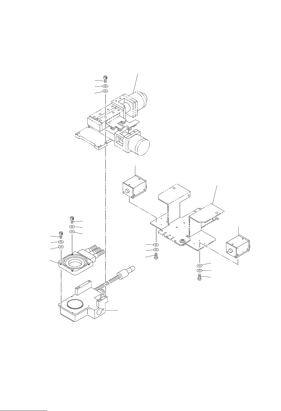
MODEL TCM-X200 0103-001 56 ⼂࡙࠾࠶࠻ㇱ RECOGNITION UNIT SECTION Fig. EB-7 ㇱຠ⼂ࠞࡔ Recognition Camera Key No.119 See Fig.EB-2 601 602 603 654 655 656 652 604 606 605 606 605 604 656 655 653 651 651 651 See Fig.EB-2 Key No.117…

MODEL TCM-X200
0203-002
Key No. PART No. PART NAME Q’ty REMARKS
NOTE
55
EB-3
201 630 097 7691 SUPPORT 1 696EB-110-201
202 630 000 7909 BOLT,HEX-SCT 4 696EB-110-202
203 411 141 3001 WASHER SPR 6 4 696EB-110-203
204 411 141 4305 WASHER V 6X12.5X1.6 4 696EB-110-204
207 411 141 2905 WASHER SPR 4 2 696EB-110-207
208 411 141 4008 WASHER V 4X9X0.8 2 696EB-110-208
212 411 086 4408 WASHER SPR 3 4 696EB-110-212
213 411 119 1909 WASHER V 3X7X0.5 6 696EB-110-213
214 630 089 2918 BLOCK 1 696EB-110-214
215 630 000 7817 BOLT,HEX-SCT 2 696EB-110-215
216 411 141 6705 WASHER SPR 5 9 696EB-110-216
217 630 001 0220 WASHER 4 696EB-110-217
218 630 086 1372 SUPPORT 1 696EB-110-218
219 630 000 7794 BOLT,HEX-SCT 3 696EB-110-219
220 630 098 5979 BRACKET 1 696EB-110-220
221 630 000 7633 BOLT,HEX-SCT 2 696EB-110-221
222 630 090 1252 BRACKET 1 696EB-110-222
223 630 000 7756 BOLT,HEX-SCT 4 696EB-110-223
224 630 090 1269 BLOCK(AIR BLOW) 1 696EB-110-224
225 630 000 7534 BOLT,HEX-SCT 2 696EB-110-225
226 411 141 2806 WASHER SPR 3 5 696EB-110-226
227 411 141 3902 WASHER V 3X7X0.5 3 696EB-110-227
228 630 029 6389 PIPE FITTINGS 1 696EB-110-228
229 630 055 3055 SENSOR,PELEC 1 BPH75 696EB-110-229
230 630 092 8716 ASSY,SENSOR,PELEC 1 BPH75 Amp 696EB-110-230
231 411 113 0700 SCR PAN 3X16 2 696EB-110-231
232 411 141 4107 WASHER V 5X10X1 5 696EB-110-232
233 630 093 2614 BRACKET 1 696EB-110-233
237 630 000 7565 BOLT,HEX-SCT 3 696EB-110-237
238 630 001 0206 WASHER 2 696EB-110-238
239 411 054 6809 NUT HEX 3 2 696EB-110-239
240 411 041 8908 SCR PAN 3X6 2 696EB-110-240
251 630 007 6622 SWITCH,ROTARY 1 696EB-110-251
252 630 007 6554 ACCESSORY,SW 1 696EB-110-252
253 630 085 5616 ASSY,SCOPE UNIT 1 #SHT029-69U 696EB-110-253
254 630 085 3124 LIGHTING UNIT 1 #MLA-L31F-1 696EB-110-254

MODEL TCM-X200
0103-001
56
⼂࡙࠾࠶࠻ㇱ RECOGNITION UNIT SECTION
Fig. EB-7 ㇱຠ⼂ࠞࡔ Recognition Camera
Key No.119
See Fig.EB-2
601
602
603
654
655
656
652
604
606
605
606
605
604
656
655
653
651
651
651
See Fig.EB-2
Key No.117
Fig.EB-7
4797L
TCM-X300
TCM-X200
4797A

MODEL TCM-X200
0203-002
Key No. PART No. PART NAME Q’ty REMARKS
NOTE
57
EB-7
601 630 000 7770 BOLT,HEX-SCT 4 696EB-110-601
602 411 141 6705 WASHER SPR 5 4 696EB-110-602
603 411 141 4107 WASHER V 5X10X1 4 696EB-110-603
604 411 039 2604 SCR PAN 2X6 8 696EB-110-604
605 411 141 2509 WASHER SPR 2 8 696EB-110-605
606 411 141 3605 WASHER V 2X5X0.3 8 696EB-110-606
651 630 099 2328 ASSY,SCOPE UNIT 1 #KD-4812US 696EB-110-651
652 630 099 2304 LIGHTING UNIT 1 #SRP48T-1650S 696EB-110-652
653 630 000 7503 BOLT,HEX-SCT 2 696EB-110-653
654 630 000 7558 BOLT,HEX-SCT 2 696EB-110-654
655 411 141 2806 WASHER SPR 3 4 696EB-110-655
656 411 141 5807 WASHER F 3X6X0.5 4 696EB-110-656