P-206-001 - 第73页
MODEL TCM-X200 0103-001 Key No. P AR T No. P AR T NAME Q’ ty REMARKS NOTE 71 F-4 30 1 630 053 5136 PL A TE( L) 1 696F--1 10-301 30 2 41 1 141 6309 WAS HER F 10 X18 X2 4 696F--1 10-302 30 3 630 048 8777 P ULLEY(IDLE) 2 69…

MODEL TCM-X200
0103-001
70
࠻ࡦࠬࡈࠔㇱ TRANSFER SECTION
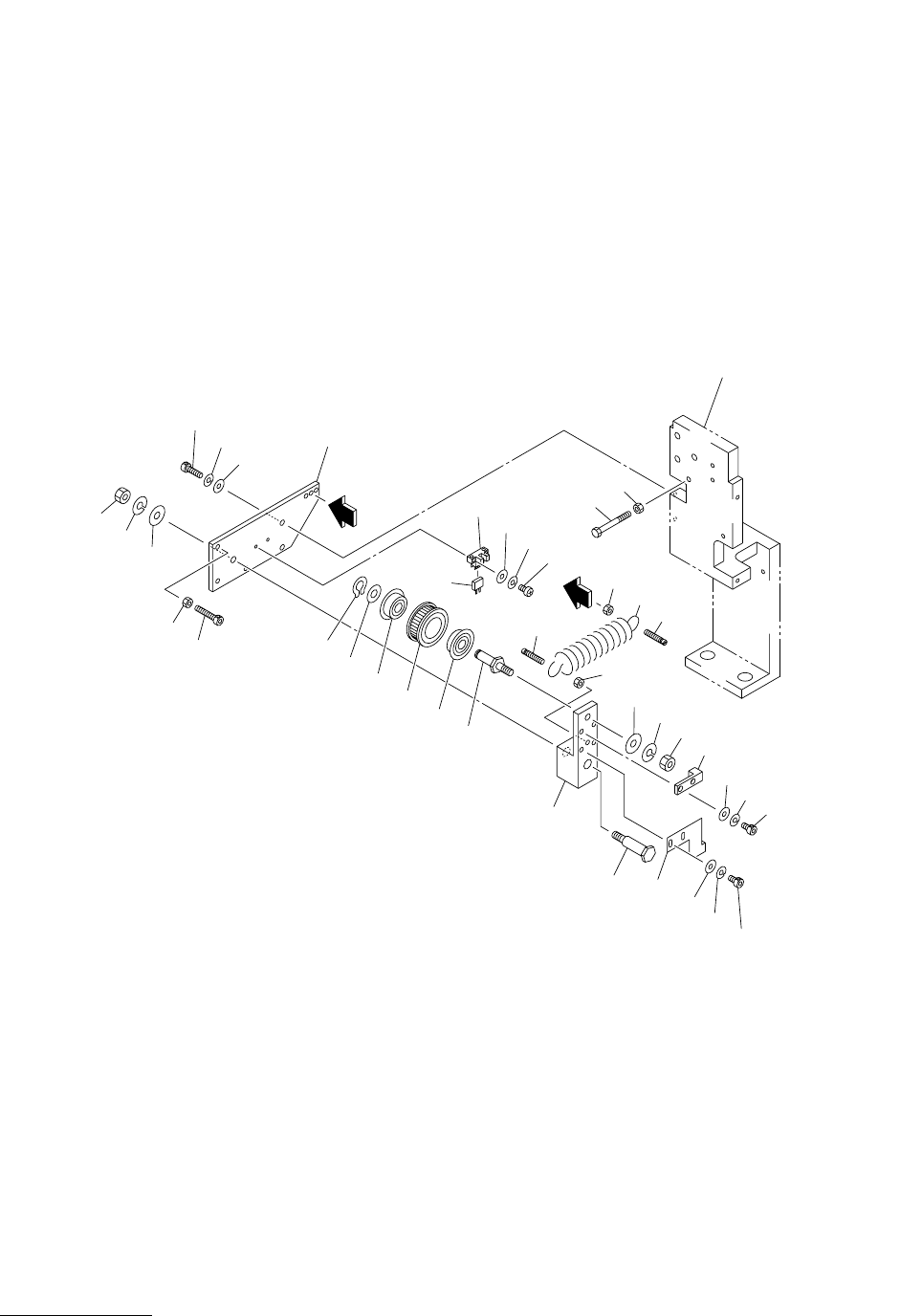
Fig. F-4 ࠻ࡦࠬࡈࠔ㚟േㇱ㧝 Transfer Driver 1
310
309
308
301
302
304
320
319
318
317
318
316
315
321
322
323
314
324332
313
332
330
330
338
339
340
343
341
342
344
331
337
336
See Fig.F-1
Key No.1
303
328
312
A
A
311
329
305
306
307
327
326
325
335
334
333
Fig.F-4
4797L
TCM-X300
TCM-X200
4797A

MODEL TCM-X200
0103-001
Key No. PART No. PART NAME Q’ty REMARKS
NOTE
71
F-4
301 630 053 5136 PLATE(L) 1 696F--110-301
302 411 141 6309 WASHER F 10X18X2 4 696F--110-302
303 630 048 8777 PULLEY(IDLE) 2 696F--110-303
304 630 001 1272 BEARING,RADIAL 4 696F--110-304
305 411 050 5004 SCR TRS 3X6 4 696F--110-305
306 411 141 6309 WASHER F 10X18X2 2 696F--110-306
307 630 000 8159 BOLT,HEX-SCT 2 696F--110-307
308 411 141 4701 WASHER V 10X21X2 2 696F--110-308
309 411 141 3209 WASHER SPR 10 2 696F--110-309
310 411 141 1106 NUT HEX 10 2 696F--110-310
311 630 000 7855 BOLT,HEX-SCT 1 696F--110-311
312 411 141 0703 NUT HEX 6 1 696F--110-312
313 630 003 0310 SPRING,TENSION 1 696F--110-313
314 630 057 9239 PLATE(SHADE D) 1 696F--110-314
315 630 048 8890 LEVER 1 696F--110-315
316 630 048 8883 SHAFT(2) 1 696F--110-316
317 630 049 3870 PULLEY,TIMING(14L050) 1 696F--110-317
318 630 001 1425 BEARING,RADIAL 2 696F--110-318
319 411 141 6309 WASHER F 10X18X2 1 696F--110-319
320 411 000 7102 RING C 10 1 696F--110-320
321 411 141 6101 WASHER F 8X15.5X1.6 1 696F--110-321
322 411 141 3100 WASHER SPR 8 1 696F--110-322
323 411 141 0901 NUT HEX 8 1 696F--110-323
324 630 048 8906 SHAFT(LEVER) 1 696F--110-324
325 411 141 6101 WASHER F 8X15.5X1.6 1 696F--110-325
326 411 141 3100 WASHER SPR 8 1 696F--110-326
327 411 141 0901 NUT HEX 8 1 696F--110-327
328 411 141 0703 NUT HEX 6 1 696F--110-328
329 630 000 7923 BOLT,HEX-SCT 1 696F--110-329
330 411 141 0703 NUT HEX 6 2 696F--110-330
331 411 113 0502 SCR PAN 3X14 2 696F--110-331
332 630 042 2122 HOOK 2 696F--110-332
333 411 141 4305 WASHER V 6X12.5X1.6 2 696F--110-333
334 411 141 3001 WASHER SPR 6 2 696F--110-334
335 630 000 7893 BOLT,HEX-SCT 2 696F--110-335
336 411 004 5104 NUT HEX 6 1 696F--110-336
337 630 000 8715 BOLT,HEX 1 696F--110-337
338 411 141 4008 WASHER V 4X9X0.8 2 696F--110-338
339 411 141 2905 WASHER SPR 4 2 696F--110-339
340 630 000 7619 BOLT,HEX-SCT 2 696F--110-340
341 630 000 0252 SENSOR,PHOTO 1 BPH71 696F--110-341
342 630 000 0269 SENSOR,PHOTO(CONNECTOR) 1 696F--110-342
343 411 119 1909 WASHER V 3X7X0.5 2 696F--110-343
344 411 086 4408 WASHER SPR 3 2 696F--110-344

MODEL TCM-X200
0103-001
72
࠻ࡦࠬࡈࠔㇱ TRANSFER SECTION
Fig. F-5 ࠻ࡦࠬࡈࠔ㚟േㇱ㧞 Transfer Driver 2
423
422
421
401
407
406
405
404
431
A
A
430
See Fig.F-2
Key No.101
432
433
434
405
403
419
417
417
420
409
408
410
435
436
427
428
429
426
411
402
437
418
419
425
424
414
413
412
415
416
Fig.F-5
4797L
TCM-X300
TCM-X200
4797A