P-215-001e - 第10页
MEMO

MODEL TIM-X100F/R
0302-002
7
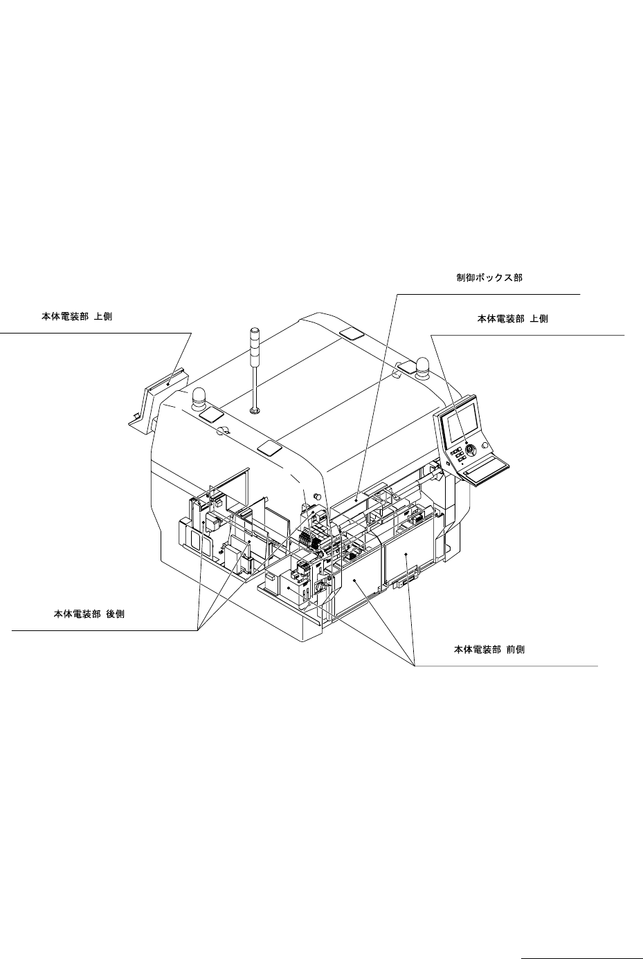
全体図-2 UNIT LAYOUT -2
UNIT LAYOUT-2
Fig.VA
ELECTRICAL SECTION-FRONT
Fig.VB
ELECTRICAL SECTION-REAR
Fig.VC
ELECTRICAL SECTION-UPPER
Fig.VC
ELECTRICAL SECTION-UPPER
Fig.VD
CONTROL BOX SECTION
TIM-X100-002

MEMO

MODEL TIM-X100F/R
0302-002
9
Fig. B ベースフレーム部 BASE FRAME SECTION