P-215-001e - 第122页
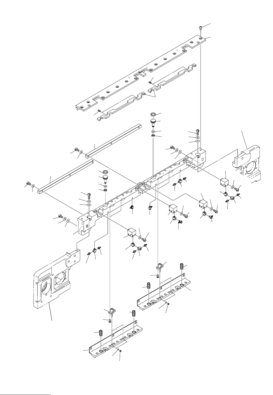
MODEL TIM-X100F/R 0302-002 120 バックアップ部 BACK-UP SECTION Fig. P-8 可動側シュート Movable Chute Fig.P-8 TIM-X100-002 71 1 724 723 725 743 742 715 742 731 732 733 743 712 707 720 722 721 742 722 744 718 719 718 706 714 706 702 701 …

MODEL TIM-X100F/R
0112-001
119
Key No. PART No. PART NAME Q’ty REMARKS
NOTE
P-7
601 630 076 7759 GUIDE,LINEAR 4 750P--210-601
602 630 047 4596 BOLT,HEX-SCT(BUTTON HEAD) 8 750P--210-602
603 630 070 1838 SEAL 4 750P--210-603
604 630 003 3212 SEAL 4 750P--210-604
605 630 070 1845 SEAL 4 750P--210-605
606 630 002 3459 SPRING,COMP 4 750P--210-606
607 630 048 4656 PIPE FITTINGS 4 750P--210-607
608 630 076 9029 PIPE FITTINGS 2 750P--210-608
609 630 046 5556 PIPE FITTINGS 2 750P--210-609
610 630 076 8824 BOLT,HEX-SCT(BUTTON HEAD) 14 750P--210-610
611 630 108 7146 BLOCK 1 750P--210-611
612 630 102 7470 BLOCK 1 750P--210-612
613 630 078 8143 SHAFT 4 750P--210-613
614 630 095 8652 PLATE 2 750P--210-614
615 630 097 7912 BLOCK 1 750P--210-615
616 630 061 1434 SHEET 4 750P--210-616
617 630 008 1053 SET SCREW 4 750P--210-617
618 630 097 7929 BLOCK 1 750P--210-618
631 411 141 4305 WASHER V 6X12.5X1.6 2 750P--210-631
632 411 141 3001 WASHER SPR 6 2 750P--210-632
633 630 000 7886 BOLT,HEX-SCT 2 750P--210-633
636 411 141 4107 WASHER V 5X10X1 2 750P--210-636
637 411 141 6705 WASHER SPR 5 2 750P--210-637
638 630 000 7800 BOLT,HEX-SCT 2 750P--210-638
642 411 141 2806 WASHER SPR 3 6 750P--210-642
643 630 000 7510 BOLT,HEX-SCT 6 750P--210-643

MODEL TIM-X100F/R
0302-002
120
バックアップ部 BACK-UP SECTION
Fig. P-8 可動側シュート Movable Chute
Fig.P-8
TIM-X100-002
711
724
723
725
743
742
715
742
731
732
733
743
712
707
720
722
721
742
722
744
718
719
718
706
714
706
702
701
709
720
721
720
709
721
707
708
707
736
731
732
733
737
738
721
718
719
718
720
706
703
713
704
705
717
716
714
706
702
701
717
716
708
707
723
710
703
713
704
705
736
737
738
742
744
742
744
742
744
See Fig.P-6
Key No.510
See Fig.P-6
Key No.512

MODEL TIM-X100F/R
0112-001
121
Key No. PART No. PART NAME Q’ty REMARKS
NOTE
P-8
701 630 076 7759 GUIDE,LINEAR 4 750P--210-701
702 630 047 4596 BOLT,HEX-SCT(BUTTON HEAD) 8 750P--210-702
703 630 070 1838 SEAL 4 750P--210-703
704 630 003 3212 SEAL 4 750P--210-704
705 630 070 1845 SEAL 4 750P--210-705
706 630 002 3459 SPRING,COMP 4 750P--210-706
707 630 048 4656 PIPE FITTINGS 4 750P--210-707
708 630 076 9029 PIPE FITTINGS 2 750P--210-708
709 630 046 5556 PIPE FITTINGS 2 750P--210-709
710 630 076 8824 BOLT,HEX-SCT(BUTTON HEAD) 15 750P--210-710
711 630 108 7153 BLOCK 1 750P--210-711
712 630 097 7882 BLOCK 1 750P--210-712
713 630 078 8143 SHAFT 4 750P--210-713
714 630 095 8652 PLATE 2 750P--210-714
715 630 097 7912 BLOCK 1 750P--210-715
716 630 061 1434 SHEET 4 750P--210-716
717 630 008 1053 SET SCREW 4 750P--210-717
718 630 048 4656 PIPE FITTINGS 4 750P--210-718
719 630 076 9029 PIPE FITTINGS 2 750P--210-719
720 630 094 3795 PIPE FITTINGS 4 750P--210-720
721 630 094 1883 CYLINDER 4 750P--210-721
722 630 046 5556 PIPE FITTINGS 2 750P--210-722
723 630 002 1103 SPRING,COMP 4 750P--210-723
724 630 094 4785 PLATE 2 750P--210-724
725 630 097 7929 BLOCK 1 750P--210-725
731 411 141 4305 WASHER V 6X12.5X1.6 2 750P--210-731
732 411 141 3001 WASHER SPR 6 2 750P--210-732
733 630 000 7886 BOLT,HEX-SCT 2 750P--210-733
736 411 141 4107 WASHER V 5X10X1 2 750P--210-736
737 411 141 6705 WASHER SPR 5 2 750P--210-737
738 630 000 7800 BOLT,HEX-SCT 2 750P--210-738
739 630 000 7565 BOLT,HEX-SCT 8 750P--210-739
742 411 141 2806 WASHER SPR 3 14 750P--210-742
743 630 000 7510 BOLT,HEX-SCT 6 750P--210-743
744 630 000 7565 BOLT,HEX-SCT 8 750P--210-744