P-215-001e - 第61页
MODEL TIM-X100F/R 0302-002 59 Fig.MB TIM-X100-002 Fig. MB ヘッド部 L HEAD SECTION L

MEMO

MODEL TIM-X100F/R
0302-002
59
Fig.MB
TIM-X100-002
Fig. MB ヘッド部 L HEAD SECTION L

MODEL TIM-X100F/R
0112-001
60
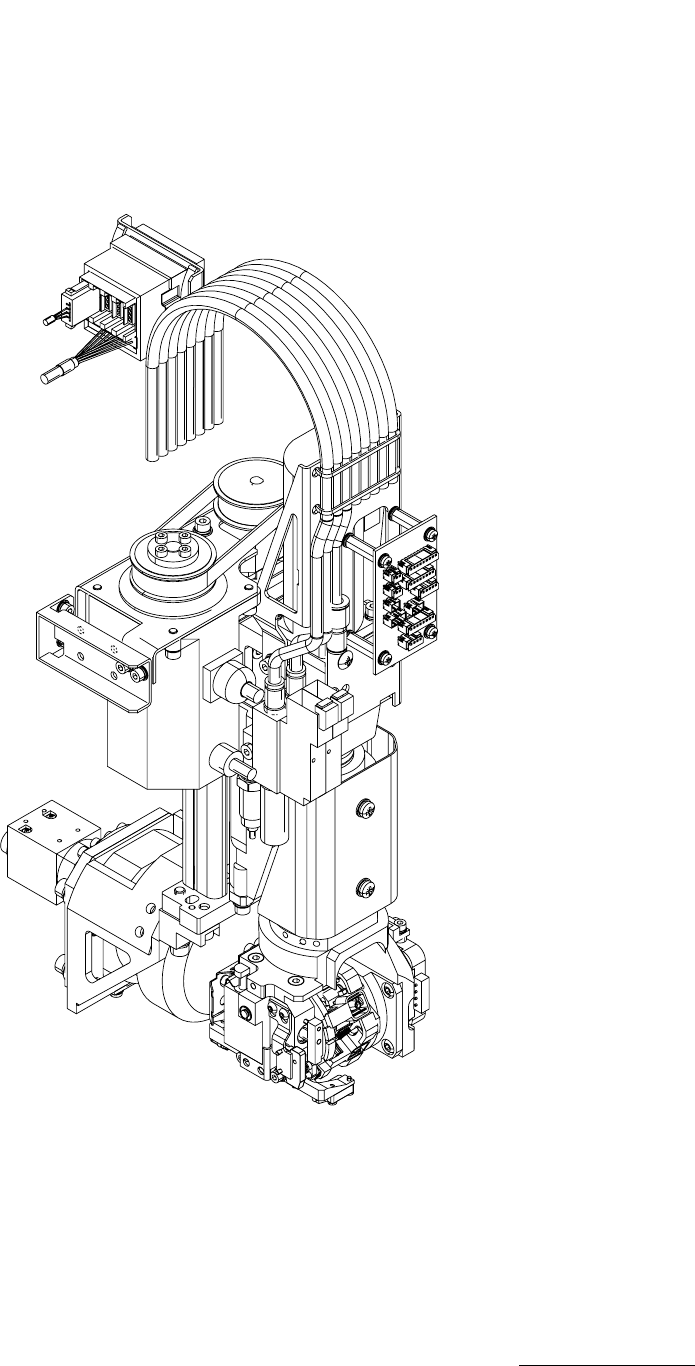
ヘッド部 L HEAD SECTION L
Fig. MB-1 ノズル上下部 Nozzle Leveller
3
1
7
2
5
8
9
4
Fig.MB-1
TIM-X100
3