KMK-000-1808 (CWD)YSM20R接线图-2beam - 第16页
Confidential & P roprietary P A G E F-ANC+24 V CN42 J0059 C/R F AN DC24V CONTROL BOX -1- HEAD A HEAD B CONTROL BOX -1- CONTROL BOX -2- CONVEY OR C/R HEAD A DC24V J0057 CN43 +24V45,+ 24V46 CN4 3 HEAD B DC24V CN38 CN38…

Confidential & Proprietary
PAGE
Y SAFE
HA EMG
I/O CONVEYOR BOARD ASSY P021
CN28ANC-2
CALIBJ0916 J0917CALIB CALIB CN1
CN1
CALIB.ST.ASSY.
CALIB.BOARD ASSY
P151
J0915
CALIBJ0919 J0920CALIB CALIB CN1
CN1
CALIB.ST.ASSY.
CALIB.BOARD ASSY
P152
J0918
R CAL.CMN
CN29ANC-3
CONTROL BOX -3-
F CAL.CMN
DIP ST
DIP ST
DIP.ST.ASSY.
DIP.ST.ASSY.
A51
A52
J0953
J0956
F DIP ST
R DIP ST
FRONT DIP.ST.ASSY(SPECIAL)
REAR DIP.ST.ASSY(SPECIAL)
DIP
DIP
EMG6 CN31
CN32EMG7
CN33EMG5
AMF CN34
CN34
AMF2
T01000D5
T01000D6
AMF1
CN37EMG4
EMG3 CN36
EMG2 CN35
REAR EMG SW
SB32
REAR2 SIDE
EMG DI:N01004F3
FRONT EMG SW
SB31
FRONT2 SIDE
EMG DI:N01004F2
CN30ANC-4
DIP DO
I/O CONVEYOR -4-
FRONT1 SIDE
REAR1 SIDE
ION.FLOW
R DUMP
REAR DUMP BOX
F DUMP
FRONT DUMP BOX
CN28 J0320
J0321
SIDE LIGHT
CN29
J0951CN30
CV C/R
REMOTE IF
CONVERTER
SERVO
HB EMG
CN33 J0252
J0251CN31
J0354
FDR EMG
R1 COVER
F1 COVER
SQ101
CN6 FDR DO
EMG DI:N01004F4
EMG DI:N01004F5
CN35
J0253CN35
N01004C5
N01004C6
J0351
J0281
J0283
FRONT2 COVER SW
REAR2 COVER SW
REAR1 COVER SW
FRONT1 COVER SW
SQ102
SQ103
SQ104
SQ196
SQ197
I/O CONVEYOR -1-
I/O D
I/O A
J0911
J0912
J0952
CN45
I/O CONVEYOR -1-
CONTROL BOX -2-
CONVEYOR C/R
CONTROL BOX -3-
CONTROL BOX -1-
HEAD B
HEAD A
J0254
FDR EMG
F1/F2/R1/R2
FIX70 FEEDER Spec.
J0269
FDR EMG
FES32/ATS Spec.
FES32,ATS
FEEDER HOLDER
J0272
J0271
J0282
J0284
R EMG SW
F EMG SW
R2 COVER
F2 COVER
F CAL.PWR
R CAL.PWR
REAR CALIB.ST.ASSY(Option)
FRONT CALIB.ST.ASSY(Option)
F1 COVER2
R1 COVER2
F2 COVER2
R2 COVER2
FDR EMG
See Page 22-25
See Page 10
See Page 8,9
See Page 7
See Page 4,5
See Page 18
See Page 17
See Page 13
See Page 6
See Page 7
See Page 10
J0318I/O CONVEYOR -2-
CN25
LOCK DO:T01000C0
LOCK DO:T01000B6
LOCK DO:T01000B0
LOCK DO:T01000A7
LOCK DI:N01004D2
LOCK DI:N01004D1
LOCK DI:N01004A7
LOCK DI:N01004A6
REAR2 SIDE
FRONT2 SIDE
FRONT1 SIDE
REAR1 SIDE
SQ106
SQ107
SQ108
SQ109
COVER LOCK SW
FRONT1
FRONT2
COVER LOCK SW
REAR1
COVER LOCK SW
REAR2
COVER LOCK SW
J0286
J0287
J0288
J0289
F1 LOCK
F2 LOCK
R1 LOCK
R2 LOCK
COVER3 DI
COVER3 DI
COVER3 DI
COVER3 DI
See Page 11
sATS30NE Only(Option)
CC.V0
12
I/O CONVEYOR -3-
YSM20R-2

Confidential & Proprietary
PAGE
F-ANC+24V
CN42 J0059
C/R FAN DC24V
CONTROL BOX -1-
HEAD A
HEAD B
CONTROL BOX -1-
CONTROL BOX -2-
CONVEYOR C/R
HEAD A DC24V
J0057CN43
+24V45,+24V46 CN43
HEAD B DC24V
CN38
CN38EMG1
+24V43,+24V44 CN42
SRV BK+24V
J0321
+24V39
CN39
CN39
CAMERA DC24V
J0322
+24V40,+24V41
CN40
CN40
CV C/R DC24V
J0056
CN41
CN41
+24V42
I/O CONVEYOR BOARD ASSY P021
CN19
DC24V INCN19
J0392
I/O F-ANC
I/O F-ANC
CONTROL BOX -3- J0109
I/O A
CN1
CN11DI08
ANC CTRL BOARD ASSY P160
CN1 COM1
J0376
SQ165
CN11
F NZL AMP
N0100954
PUSH UP PIN NOZZLE DETECTJ0391
PUSH UP PIN NOZZLE(Option)
FRONT ANC UNIT(Option)
DI00 CN3 SQ161
CN3 OP
N0100950
NOZZLE STATION OPEN
DI01 CN4 SQ162
CN4 CL
N0100951
NOZZLE STATION CLOSE
DI02 CN5
DI03 CN6
DO00 CN17
CN17 J0398
YV041
ANC OP
J0394
ANC OP
T0100280
NOZZLE STATION OPEN
CN18DO01
CN2
COM2CN2
J0110
I/O R-ANC
I/O R-ANC
CONTROL BOX -3-
I/O A
ANC CTRL BOARD ASSY P161
CN1
CN11DI08CN1 COM1
CN11 J0377
SQ170
R NZL AMP
N0100A54
PUSH UP PIN NOZZLE DETECTJ0396
PUSH UP PIN NOZZLE(Option)
REAR ANC UNIT(Option)
CN3 OP
DI00 CN3 SQ166
N0100A50
NOZZLE STATION OPEN
R-ANC+24V
CN19
DC24V INCN19
J0397 CN4 CL
DI01 CN4 SQ167
NOZZLE STATION CLOSE
N0100A51
CN2
COM2CN2
DI02 CN5
DI03 CN6
DO00 CN17 YV041
NOZZLE STATION OPEN
T0100300
CN17 J0398
ANC OP
J0399 J0395
(Only for SL CONV.)
ANC OP ANC OP
CN18DO01
21
ON
OFF
DIP SW(SW1)
21
ON
OFF
DIP SW(SW1)
SP+24V
FDR ST BOARD ASSY P143
REAR FEEDER SET STATION(Option)
P142
PITCH LED BOARD ASSY
J1006J1002 CN2CN1
LED IN CN1 FDR CN6 FEEDERLED OUTCN2
SB43
J1005CN5 PITCH SET SW
PITCH SET CN5
SB42
J1004CN4 PITCH DOWN SW
PITCH DWN CN4
OFF
ON
1 2
DIP SW(S1)
SB41
J1003J1001 CN3CN1
F FDR ST
PITCH UP SW
PITCH UP+24V CN3CN1
FDR ST BOARD ASSY P141
FRONT FEEDER SET STATION(Option)
CN44 J0058
+24V47,+24V48 CN44
J0688J0687
REAR ATS I/FFRONT ATS I/F
REAR CENTER2REAR CENTER1
J0686J0685J0684
REAR LEFT
FRONT CENTER2FRONT CENTER1
J0683J0682J0681
FRONT RIGHT
COVER EARTH
J1013J1011 CN3CN1
R FDR ST
PITCH UP SW
OFF
ON
1 2
PITCH UP+24V CN3
DIP SW(S1)
CN1
J1014CN4 PITCH DOWN SW
PITCH DWN CN4
SB48
J1015CN5 PITCH SET SW
PITCH SET CN5
SB47
SB46
P144
J1016J1012
PITCH LED BOARD ASSY
CN2CN1
LED IN CN1 FDR CN6 FEEDERLED OUTCN2
I/O CONVEYOR -3-
R DIP ST
F DIP STJ0952CN45
DI30,31,DO14 CN45
See Page 12
See Page 7
See Page 7
SAFETY UNIT(Standard)
KM10,KM11,KM12
See Page 16
See Page 4,5
See Page 6
See Page 8,9
See Page 4,5
See Page 17
See Page 18
CC.V0
13
I/O CONVEYOR -4-
YSM20R-2

Confidential & Proprietary
PAGE
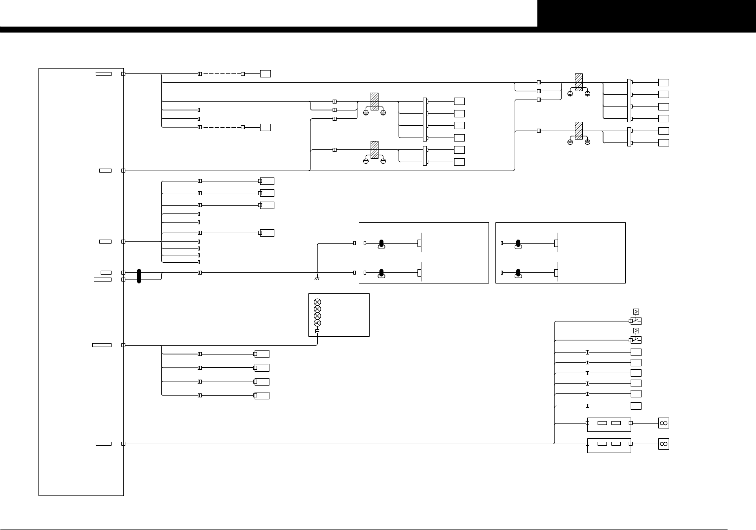
CN22DI14,15 TOP REAR LEFT
FAN18 R2 TOPFAN18 R2 TOP
P025
PNP CHANGER BRD ASSY
PNPCN2 CN1NPN
CN22 J0315
FAN 18
N0100475
CN11
CN12
E21
J0336(R>L) or J0337(L>R)
NEXT/PREV
CV ST1
CV ST2
CV ST3
CV ST4
CV ST5
CLAMP1
CLAMP3CN10 J0352
T0100016
YV002
YV003
YV006
CONVEYOR2 STOPPER1
(only for L>R)
CONVEYOR2 STOPPER2
T0100017
CONVEYOR2 CLAMP
T0100022
EXIT STEXIT ST
EXIT ST
J0445
EXIT STJ0445
(L>R,Ext.Conv.op.)
(R>L,Ext.Conv.op.)
CN5
CV ST4
CV ST5
J0303
CV ST8
CV ST1
T0100066
CONVEYOR3 CLAMP
YV016
CLAMP2
NEXT/PREV R
NEXT/PREV LJ0338
CV ST1
CV ST8
N01003D0
CONVEYOR1 STOPPER UP
N01003D7
CONVEYOR4 STOPPER UP
SQ053
SQ046
T0100015
CONVEYOR1 STOPPER
YV001
T0100063
CONVEYOR4 STOPPER
YV013
CV ST8
CONVEYOR3 STOPPER1
(only for R>L)YV012
T0100062
CV ST7
J0353CN19
T0100061
CONVEYOR3 STOPPER2
YV011
CV ST6
SIG.TOWER CN19
LE OUT :T0100036
BUSY OUT:T0100035 / LR OUT:T0100034
BA OUT :T0100031 / UR OUT:T0100030
BA IN :N0100416 / UR IN :N0100417
BUSY IN:N0100410 / LR IN :N0100411
LE IN :N0100412
PCB's transportation L>R
NEXT INTERFACE
PREVIOUS INTERFACE
1TURN
1TURN
E26
E25
NEXT
A-GATE2
INTERFACE PANEL
INTERFACE PANEL
J0341
J0342 PREV
A-GATE2
BUSY OUT:T0100035 / LR OUT:T0100034
LE OUT :T0100036
BA OUT :T0100031 / UR OUT:T0100030
LE IN :N0100412
BUSY IN:N0100410 / LR IN :N0100411
BA IN :N0100416 / UR IN :N0100417
PCB's transportation R>L
PREVIOUS INTERFACE
NEXT INTERFACE
1TURN
1TURN
E25
E26
A-GATE2
PREV
INTERFACE PANEL
INTERFACE PANEL
J0342
J0341
A-GATE2
NEXT
CN12PREVIOUS
CN11NEXT
J0305
J0678
J0675
J0674
J0677
STOPPER UP1(only for R>L)
STOPPER UP2
CONVEYOR3
PUSH2
SQ068
SQ067
SQ066
SQ065
SQ052
SQ051
N0100401
N0100400
N01003F7
N01003F6
N01003D6
N01003D5
PUSH2
PUSH1
PUSH SAFETY REAR1
PUSH SAFETY REAR2
CONVEYOR3
CV3 R PUSH1
CV3 R PUSH2
CV ST UP2
PUSH1
CV ST UP1 CV ST UP1
CV ST UP2
CONVEYOR3
CONVEYOR3
CONVEYOR3
CONVEYOR3
PUSH SAFETY FRONT1
PUSH SAFETY FRONT2
CV3 F PUSH2
CV3 F PUSH1
CV ST7
CV ST6
CV PUSHCV PUSH7/8 J0328
DUCT W3
FLEXIBLE
FLEXIBLE
CV PUSH FCV PUSH5/6
DUCT UB
J0327
STOPPER UP1(only for L>R)
STOPPER UP2
SQ064
SQ063
SQ062
SQ061
SQ048
SQ047
N01003F5
N01003F4
N01003F3
N01003F2
N01003D2
N01003D1
PUSH1
PUSH2
PUSH SAFETY REAR2
PUSH SAFETY REAR1
CONVEYOR2
CONVEYOR2
CV2 R PUSH1
CV2 R PUSH2
PUSH2
PUSH1
CV ST UP2
CV ST UP1
CV ST UP2
CV ST UP1
PUSH SAFETY FRONT2
PUSH SAFETY FRONT1
CONVEYOR2
CONVEYOR2
CONVEYOR2
CONVEYOR2
CV2 F PUSH1
CV2 F PUSH2
CV ST3
CV ST2
CV PUSHCV PUSH3/4 J0326
DUCT W2
FLEXIBLE
CV PUSH FCV PUSH1/2
DUCT UA
J0325
FLEXIBLE
CN10DO1,2
CN8
DI7,8 CN8
DI4,5,6 CN5
I/O CONVEYOR BOARD ASSY P021
SIGNAL TOWER
HL11
EMERGENCY STOP(RED/WHITE)
T0100052
ERROR(YELLOW/BLUE)
T0100053
RUN(GREEN)
T0100054
FAN 17
TOP FRONT RIGHT
FAN17 F2 TOP
P024
FAN17 F2 TOP
PNP CHANGER BRD ASSY
PNPCN2 CN1NPN
N0100474
SQ008
PUB-AXIS ORIGIN
N0100473
PUA-AXIS ORIGIN
N0100472
SQ007
PUB ORG
PUA ORG
N0100471
SQ006
UB-AXIS ORIGIN
UB ORG
SQ002
Y-AXIS ORIGIN 2
N0100467
N0100470
SQ005
UA-AXIS ORIGIN
Y ORG2
UA ORG
SQ001
HB AIR
HA AIR
P
Y-AXIS ORIGIN 1
N0100466
HEAD B AIR PRESSURE
HEAD A AIR PRESSURE
SP11
SP12
N0100464
N0100465
P
Y ORG1
HL11
BUZZER
T0100060
L1 PREV
L1 NEXT L1 PREV
L1 NEXT
F SHUT.DO
R1 SHUT.DO
R2 SHUT.DO
CC.V0
14
I/O CONVEYOR(DS) -5-
YSM20R-2