TR5DNR_TR5DNX-Rev04PDFA - 第51页
- 48 - NOTE( 注記 ) # 01....FOR 5DNX 5 DNX 用 REF.NO NOTE PART N O D E S C R I P T I O N 品 名 Qty 1 E 9455-72 3 -0 A0 I/F C ABLE ASM . I / F ケーブ ル組 1 2 400 -4 5200 I /F CA BLE ASM I / F ケーブ ル組 1 3 4 00-49604 PAN EL CABLE ASM…

- 47 -
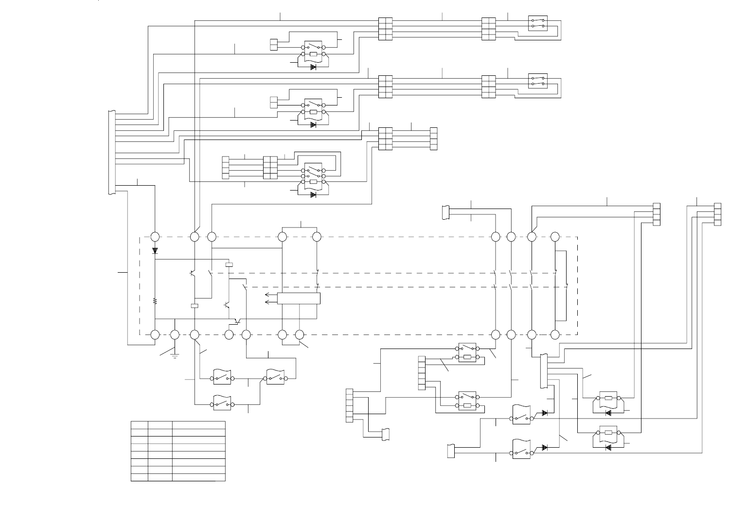
24. WIRING DIAGRAM (9)
WIRING DIAGRAM(9)
TRAY LED PCB 3 TRAY LED PCB 4
TRAY LED PCB 2
GN D
GN D
GN D
+5V
+5V
+5V
PO R
WR[N]
RD[N]
CSTRAY[N]
D4
D3
D2
D1
D0
+5V
+5V
GN D
GN D
GN D
CN10
TRAY LED PCB 1
HOD LCD ASM
HOD BOX
OPERATION PCB
7_3D
+5V
+5V
RS[N]
R[N]/W
LCDENABLE[N]
D0
D1
D2
D3
D4
D5
D6
D7
GN D
SW_D3
SW_D2
SW_D1
SW_D0
SW_SL2[N]
SW_SL1[N]
SW_SL0[N]
LED3[N]
LED2[N]
LED1[N]
GN D
GN D
Inside of TR5DInside of TR5D
N.C
N.C
N.C
N.C
N.C
N.C
N.C
N.C
N.C
N.C
I/F +5V
I/F +5V
I/F +5V
I/F +5V
N.C
C_OPEN
MTC_EMG[N]
EMG
POWER_ON[N]
RDY[N]/BSY1
I/F GND
RDY/BSY0[N]
I/F GND
WRITE0[N]
I/F GND
WRITE1[N]
I/F GND
I/F GND
WDATA7
WDATA6
WDATA5
WDATA4
I/F GND
I/F GND
WDATA3
WDATA2
WDATA1
WDATA0
I/F GND
I/F GND
RDATA7
RDATA6
RDATA5
RDATA4
I/F GND
I/F GND
RDATA3
RDATA2
RDATA1
RDATA0
CN9
MAIN PCB(7/7)
I/F
J04 J010P010 CN22
TRAY03CN01 TRAY04CN01CN130CN129CN118 TRAY02CN01TRAY01CN01
MAIN10
DB7
DB6
DB5
DB4
DB3
DB2
DB1
DB0
E
R/W[N]
RS
VEE
VDD
VSS
LED_K
N.C
LED_A
CN03 HOD03
CN02 HOD02HOD01 CN01MAIN09
MAIN22
1
2
3
4
5
6
7
8
9
10
11
12
13
14
15
16
17
18
19
20
21
22
23
24
25
26
27
28
29
30
31
32
33
34
35
36
37
38
39
40
41
42
43
1
2
3
4
5
6
7
8
9
10
11
12
13
14
15
16
17
18
19
20
21
22
23
24
25
26
27
28
29
30
31
32
33
34
35
36
37
38
39
40
41
42
43
44
45
46
47
48
49
50
44
45
46
47
48
49
50
11
22
33
44
55
66
77
88
99
10 10
11 11
12 12
13 13
14 14
15 15
1616
1717
1818
1919
2020
2121
2222
2323
2424
2525
2626
2727
2828
2929
3030
3131
3232
3333
3434
3535
3636
3737
3838
3939
4040
4141
4242
4343
4444
4545
4646
4747
4848
4949
5050
A1
A2
A3
A4
A5
A6
A7
A8
A9
A10
A11
A12
A13
A14
A15
A16
A17
A18
A19
A20
A21
A22
A23
A24
A25
A26
A27
A28
A29
A30
A31
A32
A33
A34
A35
A36
A37
A38
A39
A40
A41
A42
A43
A44
A45
A46
A47
A48
A49
A50
1
2
3
4
5
6
7
8
9
10
11
12
13
14
15
16
17
18
19
20
21
22
23
24
25
26
1
2
3
4
5
6
7
8
9
10
11
12
13
14
15
16
17
18
19
20
21
22
23
24
25
26
1
2
3
4
5
6
7
8
9
10
11
12
13
14
15
16
17
18
19
20
1
2
3
4
5
6
7
8
9
10
11
12
13
14
15
16
17
18
19
20 20
18
17
1
2
3
4
3
4
5
6
2
1
20
19
18
17
11
16
15
19
16
15
14
13
12
11
10
9
8
7
5
6
7
8
9
10
12
13
14
20
14
5
10
9
7
8
9
12
13
14
15
16
19
15
16
11
17
1
18
19
20
13
12
8
6
7
10
11
18
1
17
2
3
4
3
4
2
6
5
11
17
1
18
19
20
13
12
8
6
7
10
2
3
4
3
4
5
20
14
5
10
9
7
8
9
12
13
14
15
16
19
17
1
18
11
2
6
15
16
2
14
3
4
5
20
14
5
10
7
9
8
9
12
13
16
15
17
1
11
15
19
18
2
6
16
11
17
1
18
19
3
4
20
10
7
6
8
12
13
9
13
8
6
2
14
3
4
5
10
7
9
12
15
17
15
18
19
16
1
18
12
7
10
20
4
3
20
14
5
8
13
16
1
11
2
6
11
17
19
17
19
6
2
16
13
14
20 20
10
7
16
19
17
15
7
10
3
14
8
13
1111
1
8
5
3
4
18
12
1
18
15
12
9
5
4
2
6
99
4
12
15
17
19
6
2
16
13
14
20
10
20
7
19
16
17
2
6
5
9
18
1
12
18
4
3
5
8
1
11 11
13
8
14
3
10
7
15
16
15
14
13
12
11
10
9
8
7
6
5
4
3
2
1
26
25
24
23
22
21
20
19
18
20
19
17
16
15
14
13
12
11
10
9
8
7
6
5
4
3
2
1
21
18
17
26
25
22
23
24
1
2
3
4
5
6
7
8
9
10
11
12
13
14
1
2
3
4
5
6
7
8
9
10
11
12
13
14
12
14
1
4
5
8
9
10
13
2
3
6
7
11
1
2
3
1
2
3
1
2
3
45
6
7
8
9
MTC/MTS I/F S-I/F S-I/F
I/F
20
19
18
17
16
15
14
13
12
11
10
9
8
7
6
5
4
3
2
1
20
19
18
17
16
15
14
13
20
19
18
17
16
15
14
13
12
11
10
9
8
7
6
5
4
3
2
1
12
11
10
9
8
7
6
5
4
3
2
1
CN422
12
11
10
9
8
7
6
5
4
3
2
1
12
11
10
9
8
7
6
5
4
3
2
1
EMG[N]
+24V
CV_OP[N]
+24V
TxD-
TxD+
+24V
RxD-
RxD+
MTC_OPEN[N]
MTC_EMG2[N]
POWER_ON2[N]
CN422
11
10

- 48 -
NOTE( 注記 ) #01....FOR 5DNX 5 DNX 用
REF.NO NOTE PART NO D E S C R I P T I O N
品 名
Qty
1 E9455-723-0A0 I/F CABLE ASM.
I / F ケーブル組
1
2 400-45200 I/F CABLE ASM
I / F ケーブル組
1
3 400-49604 PANEL CABLE ASM
パネルケーブル組
1
4 400-46243 LCD I/F CABLE ASM
LCD I / F ケーブル組
1
5 400-46244 LCD BL CABLE ASM
LCD BL ケーブル組
1
6 400-49605 TRAY LED CABLE 1 ASM
トレイ LED ケーブル1組
1
7 400-49611 TRAY LED CABLE 2 ASM
トレイ LED ケーブル2組
1
8 400-49612 TRAY LED CABLE 3 ASM
トレイ LED ケーブル3組
1
9 400-49613 TRAY LED CABLE 4 ASM
トレイ LED ケーブル4組
1
10
#01
400-96122 5D I/F CABLE ASM
5 D I / F ケーブル組
1
11
#01
400-96157 MTC/MTS I/F CABLE ASM
MTC / MTS I / F ケーブル組
1

- 49 -
25. WIRING DIAGRAM (10)(FOR EN)
WIRING DIAGRAM(10)(EN 用)
1_1B
(CE)
6_2B
(CE)
6_2B
(CE)
CN107-A
4
3
2
1
MY2 DC24V
MY2 DC24V
MY2 DC24V
MY2 DC24V
G7SA-3A1B DC24V
G7SA-3A1B DC24V
G7SA-3A1B DC24V
OMRON
OMRON
OMRON
OMRON
OMRON
OMRON
OMRON
RLY19
RLY18
RLY16
RLY14
RLY13
RLY12
RLY10
TYPEMAKERSIGN
TB2
-
-
C
C
C
C
C
D13
D11
RLY18
10_4D
D10
1413
TB2
C
RLY19
10_4D
D12
1413
4_4B
(CE)
4_4B
(CE)
OMRON
G9SA-301
SRLY
41
4234
33
4344
CN124
CN123
5-4C
(CE)
CN122
10_4D
12
RLY19
8
10_4C
D6
10_2C
2324
RLY10
10
D9
TB2
+
+
10_2C
4344
5_4C
(CE)
RLY13
10
31
11
DOOR S OPEN SW
32
12
S
S
S
12
RLY18
8
1413
8
RLY16
12
1413
8
RLY14
10_2B
RLY10
33 34
10_2A
RLY13
33 34
10_2A
10_2C
4344
D8
1_5B
(CE)
TB2
-
-
12
24
23
14
13T32
b
a
BA
Control
Circuit
T31
RLY12
33 34
K1
K2
K2
b
aK1
T23 T22T21PE
T12
A2
T11A1
-
+
-
+
-
RLY12
10
31
11
DOOR M OPEN SW
32
12
+
-
+
TB2
CN067-B
6
5
4
2
3
1
CN121
CN074
CN072
CN107-B
CN087-BCN087-A
4
3
CN075
CN067-A
6
2
5
1
CN073
1
2
3
44
3
2
1
2
1
2
1
1
2
3
44
3
2
1
4
1
4
3
2
3
1
2
2
1
3
2
3
44
1
4
1
3
2
4
3
2
11
2
3
4
4
3
2
11
2
3
4
4
3
2
11
2
3
4
1
2
3
4
5
6
7
8
9
10
11
12
13
14
15
16
18
17
19
20
21
22
23
24
2625
28
27
29 30
31
32
33
34
35
36
37
38
39
40
41
42 43
44
45