KLV_YCP10_MaintenancePartsList - 第28页
KL V -1505 23 6 9 6 5 10 22 21 4 8 20 5 4 20 1 1 7 25 22 12 16 8 4 17 24 24 15 20 7 13 22 14 26 2 23 4 24 18 3 19 23 1 23 6 9 6 5 10 22 21 4 8 20 5 4 20 1 1 7 25 22 12 16 8 4 17 24 24 15 20 7 13 22 14 26 2 23 4 24 18 3 1…

KLV-1505
Rev. :It had a change without the compatibility. Please be careful at the time of the parts ordering.
Rev.: 過去に互換性の無い変更が入った部品。部品発注時は注意してください。
No. Part No. Part Name Q’ty Remarks Rev. Rank Level No. Part No. Part Name Q’ty Remarks Rev. Rank Level
1
KLV-M11A0-01 LABEL,SERIAL 1
/
Í
39
2
KLV-M1312-00 COVER,LOW BACK 1
/
Í
40
3
KLV-M1319-00 FILTER,FAN 1
E
41
4
KLV-M1357-00 BRKT.,LOW COVER BACK 2
/
Í
42
5
KHU-M1117-00 PULL 2
/
Í
43
6
90K41-001650 LABEL,WARNING 1
/
44
7
90990-12J001 SCREW, BIN. HEAD W/W 4
45
8
90990-12J004 SCREW, BIN. HEAD W/W 4
46
9
KHY-M6417-00 SEAL,CE 1
/
47
10
KGS-M64A0-00 CHINA ROHS KIT 1
/
48
11
KKH-M658E-01 LABEL UPS CAUTION 1
<OPTION> case "UPS system"
/
49
12
50
13
51
14
52
15
53
16
54
17
55
18
56
19
57
20
58
21
59
22
60
23
61
24
62
25
63
26
64
27
65
28
66
29
67
30
68
31
69
32
70
33
71
34
72
35
73
36
74
37
75
38
76
2
6
Lower Back Cover
Cover Section

KLV-1505
23
6
9
6
5
10
22
21
4
8
20
5
4
20
11
7
25
22
12
16
8
4
17
24
24
15
20
7
13
22
14
26
2
23
4
24
18
3
19
23
1
23
6
9
6
5
10
22
21
4
8
20
5
4
20
11
7
25
22
12
16
8
4
17
24
24
15
20
7
13
22
14
26
2
23
4
24
18
3
19
23
1
3
1
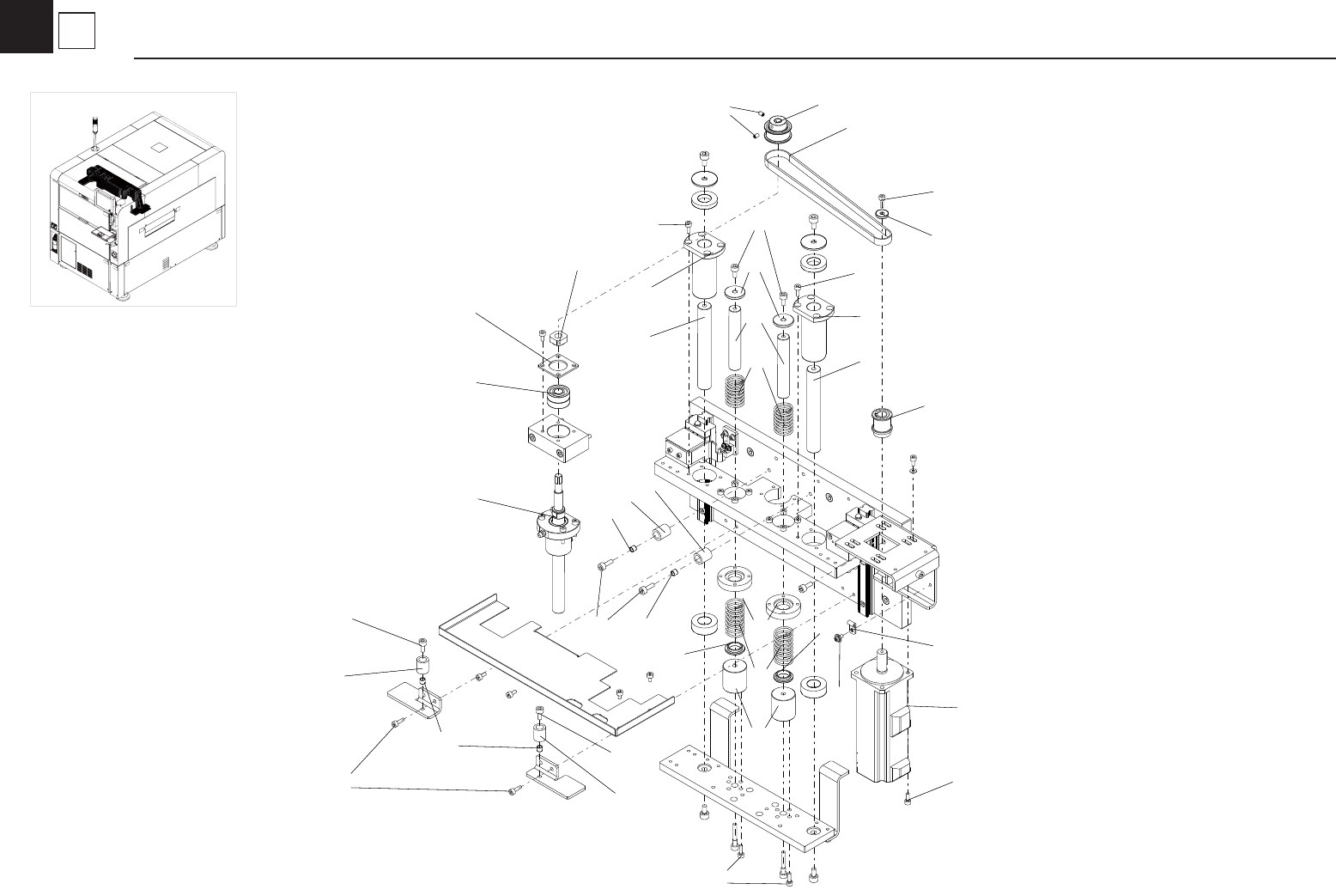
SZ-Drive (type 3S)
Moving-axis Section

KLV-1505
Rev. :It had a change without the compatibility. Please be careful at the time of the parts ordering.
Rev.: 過去に互換性の無い変更が入った部品。部品発注時は注意してください。
No. Part No. Part Name Q’ty Remarks Rev. Rank Level No. Part No. Part Name Q’ty Remarks Rev. Rank Level
1 KG2-M9173-00 LOCK NUT 1 /
Í
39
2 KG7-M9111-01 PULLEY 1 1 /
Í
40
3 KGJ-M3159-01 PLATE R, BRG. 1 /
Í
41
4 KGJ-M3169-00 DAMPER,R 4 /
42
5 KHT-M2212-00 SPRING,SZ 4 /
Í
43
6 KKX-M2230-00 HOLDER,SPRING 2 /
Í
44
7 KLV-M2212-00 BUSH,SZ 2 /
Í
45
8 KLV-M2213-00 SHAFT,BUSH SZ 2 /
Í
46
9 KLV-M2214-00 SPACER,SPRING 2 /
Í
47
10 KLV-M2215-00 HOLDER,SPRING 2 /
Í
48
11 KLV-M2216-00 SHAFT,SPRING 2 /
Í
49
12 KLV-M2217-00 HOLDER,SPRING 2 /
Í
50
13 KLV-M2220-00 BELT,SZ 1 /
Í
51
14 KLV-M9D00-00 BALL SCREW,SZ 1 /
Í
52
15 KV7-M9205-01 PULLEY 1:P22-3GT 1 /
Í
53
16 $NK-2N NYLON CLIP 1 54
17 90990-11J003 SCREW, PAN HEAD W/W 1 55
18 90990-26J002 BEARING 1 /
Í
56
19 90990-28J076 WASHER,PLAIN 1
57
20 90990-41J156 COLLAR 4 /
58
21 90K65-332647 AC SERVO MOTOR 1
B
Í
59
22 91312-04010 BOLT HEX,SOCKET HEAD 12 60
23 91312-04012 BOLT HEX,SOCKET HEAD 14 61
24 91312-05010 BOLT HEX,SOCKET HEAD 4 62
25 91312-05014 BOLT HEX,SOCKET HEAD 2 63
26 92A08-04306 SCREW SET 2 64
27 65
28 66
29 67
30 68
31 69
32 70
33 71
34 72
35 73
36 74
37 75
38 76
3
1
SZ-Drive (type 3S)
Moving-axis Section