SLM110_120_TRM(Ver7.1_CS16.26) - 第124页
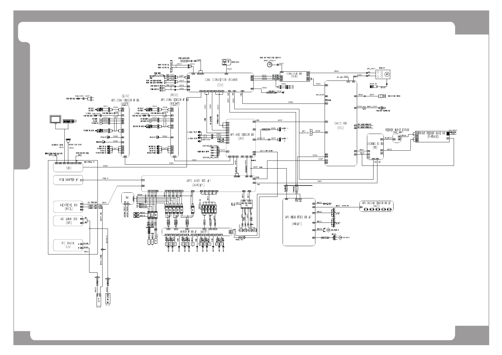
Page HANWHA TECHWIN 11 2 SLM120/110 Harness Wiring Diagram 110

Page
HANWHA TECHWIN
111
SLM120/110
Harness Wiring Diagram 120
CN9
AP5 HEAD IF(IO) BD #1
CN7
VAC SOL #1
CN8
FIDUCIAL조명 #1
CN1 CN2
CN6
CN24
SACO BD
CN12
DOCKING IO BD
P1
CN5
CN1
AP5 AXIO BD #2
CN9
AP5 HEAD IF(IO) BD #2
CN6
-
PCIE ADAPTER #1
CN1
CN2
CN22
MDR26
NEXTEYE BD
(MCL)
CN4
AP5 AXIS SENSOR BD
CN1
CN8
CN6CN7 CN9
CN6
CN11
CN18 CN19 CN20 CN21 CN22 CN23 CN25 CN26
FRONT FEEDER BASE BD
CN19
REAR FEEDER BASE BD
FEEDER INPUT EXT.BD
CN6
CN13
CN2
CN3CN11 CN1
CN5
FD002
FD003
FD004
FD005
SM_FD005
FD006
CN4
FD001
PW
PW
CN1 CN2
FRONT OP
CONV.SUB BD
CN1
CN7
CN8
CN4
CN5
JK2
JK1
JK3
JK2
JK1
JK3
JJ2
JJ1
JJ3
JK2
JK1
JK3
FRONT BD PWR
CAN-CH1
SCM_FD007
FRONT BD PWR
CAN-CH1
SCM_FD009
(FD)
(F-FBASE)
(R-FBASE)
FRONT OP
FRONT T-BOX
CN7
SC002
SC001
PS1 +24V
CN6
SC003
(SUB)
CV003
FRONT T-BOX HOST
CN9
MC1
SC004
A1/A2/21/22
CN18
CON1
AP5 CONV SENSOR IF BD
CON1
CN21
AX001
CN4
(AX)
(AXIO#2)
SC007
CN2
CN23
SC008
CN25
SC009
SC010
(HD#1)
(HD#2)
CN2
FL1(L)-2
X1
Y1
AX002
GANTRY 1
CN3
FL1(R)-2
AX003
GANTRY 2
AX013
CN5
AX004
CN9
AX005
CN7
(LEFT)
AP5 CONV SENSOR IF BD
(RIGHT)
CN9CN10
CN11
FEEDER UNLOCK SENSOR
CN26
(CV)
CAN CONVEYOR BOARD
CN3 CN4
CN13
CN5CN14
CN14
CN16
CN16
CN10CN11
CN17
CN18
CN19
SOL #1
VM001
VM002
VM004
VM005
VM006
VM003
AX006
Y1
Y2
FZ1
FZ2
FZ3
FP
CN1
FR1/FR2/FR3 DRV
CN101CN102 CN1
FR4/FR5 DRV
CN101
CN20
CN5
AX007
WD
FL1(L)-3
VM009
VM010
CAM1
AD LINK BD
(AD)
-
PCIE ADAPTER #2
LSC #1
LSC #2
FID CAM #1
CN1
FID CAM #2
CN1
CAM2
15P
MDR26
LCS TRIGGER
PCIE X1
FL1(L)-4
LF1(R)-4
SIG
CN1
SIG
PW
PW
PW
VM011
CN6
BLET STEP DRIVER
CN7
(BS)
VM012
RR1/RR2/RR3 DRV RR4/RR5 DRV
VM013
VM014
VM015
VM016
VM017
VM018
VM019
VM020
VM021
EN PW EN PW EN
ENPWENPWENPW ENPW CN2
MD001
MD002
MD003
MD006
MD007
MD009
MD010
MD012
MD013
MD015
MD016
PW048
PW047
CN1
AP5 VACUUM SENSOR BD #2
PCIE X1
PW023
PS2 24V
PW023
PS2 24V
PW023
PS2 24V.24G
PW021
MC1-14
VIS001
VIS002
VIS003
SBC
INDUSTRIAL PC
CN14
CN15
TRAY FEEDER INTERLOCK1
TRAY FEEDER INTERLOCK2
(SC)
CN2
COM1 COM2USB2USB1MONLAN1LAN2
FRONT RIGHT PANEL LAN PORT
SM431_VM017
OP003
FRONT USB PORT
IT001
FRONT BARCODR CABLE
OP002
MONITOR CABLE
DOOR SW
CN7CN13
TOWER LAMP.BUZZER
CN15
CN15
CN9
CN20
INLINE SMEMA
MAIN AIR PRESSURE SENSOR
CN12
HEAD2 VACUUM SOL
CN6
OP SW OUTPUT
CN17 CN2
FOP SW INPUT
CN18 CN3
ROP SW INPUT
(SM411 공용)
CN21
FRONT ARER SENSOR RECEIVER
FRONT ARER SENSOR TRANCEIVER
CN23
CUTTER SENSOR #1
FL1(L)-5
PW EN PW EN
ENPW ENPW ENPW EN PW EN PW ENPW
CN102 CN202 CN2 CN102
X1 X2
Y1 Y2
WD
EMG
AP5_OP001
CN4
CN3
CN2
48V. 5V
X2
Y2
AX008
AX009
AX010
AX011
PC RACK
FL4(R)-8-1
FL3(L)-8-1
PW029
PW030
VIS004
조명
FL3(L)-8-2
CN15
J90831285A_SM33_CS034-1
J90831286C_SM33_CS034-2
CN1
CN3
CN4
SDP BOARD
CN2
48V. 5V
CN1
(SDP2)
PW031PW032
PW049
LSC #1 조명
CN14
CN2CN3
PW044
PW045
CN3
AX014
CN5
BLOW OVER #2
(HEAD SOL)
CN1
CN2
CN3
CN3
CA001
CA002
CA004
조명
CN5
CN13
WIDTH HOME
CN16
1ST WORK STP SOL
CN17
1ST BUT SOL
CN18
1ST EDGE PUSHER SOL
(VAC2)
CN4
CN5
OP005
CN7
GANTRY 1
GANTRY 2
CN21
CN22
RESERVE (삭제)
RESERVE (삭제)
사용안함
ANC1 SOL
ANC2 SOL
SCM-CV022
CN24
CS001
ENTRY STP SOL
CN15
CS011
CN6
CS007
CS002
CS003
CS004
CS006
CN7
CS019
CN8
CS008
1ST BUT UP
PCB ENTRY
PCB WAIT
1ST WORK PCB
1ST WORK STP UP/DN
CS012
CS013
CS014
CS016
CS017
CS018
AP5 VACUUM SENSOR BD #1
(VAC1)
CN12 CN24 CN13CN14CN15
CS029
CS031
CS015
FB1 RB1 FB2 RB2
CS009
CS020
CN1
CN2
CN4
CN5
CS025
CS021
CS022
CS023
PCB 2ND ENTRY
EXIT BOARD OUT
2ND WORK STP UP/DN
CN8
CS026
2ND BUT UP
CN16
EXIT STP SOL
CN17
2ND BUT SOL
CN18
2ND EDGE PUSHER
2ND WORK SOL
CN15
CS027
CS030CS028
CS032
CUTTER SENSOR #2
CN12
COVER OPEN SNS
SOL #2
SCM-CV025
SCM-CV028
(LCV)
(RCV)
CAN
CAN
CAN
CAN
CAN
CAN
CAN
MD018
MD019
MD039
MD040
MD061
MD062
MD063
CV004
CV005
CV006
CV007
SM431_CV003
SM33_CV024
CV010
SM431_CV020-1
CV012
CV013
CV014
CV015
CV016
CV017
SM431_CV009
CV019
CV020
CV021
CV022
CV023
CV024
CAN
CUTTER
POWER
CN8 CN7 CN6 CN4 CN9 CN10
FZ5
ENPW
CN17
VM008
VM007
FZ4
ENPW
CN16
FL1(L)-7
MOTOR IF BD #1
(MOT1)
CN1
CN5
VAC/BLOW
HD006
HD001
HD001
VAC H1~H5 / PWR
HD002
(H1~H5)
CN7
HD002
BLOW SOL #1
HD003
(H1~H5)
CN8
HD003
HD004
OUTER1
INNER1
조명
CN15
CN14
조명
HD006
HD004
OUTER1
INNER1
CN8 CN7 CN6 CN4 CN9 CN10
MOTOR IF BD #2
(MOT2)
FL1(L)-1
FL1(R)-1
FL1(L)-2
FL1(R)-2
FL1(R)-3
CN18 CN17 CN16 CN21 CN15 CN19
AX012
CN3 CN2
CN13
CN22
CN12
CN11
CN1
CN5
하부R-FL BRK
Z1 Z2 Z3 Z4 Z5 P
R1 R2 R3 R4 R5
MD032
MD033
MD034
MD035
MD036
MD037
MD041
MD042
MD043
MD044
MD045
CN18 CN17 CN16 CN15 CN14 CN19 CN3 CN2
CN13
CN12
CN11
CN20CN21
CN22
R1 HOME
Z5 HOME
Z4 HOME
Z2 HOME
Z1 HOME
R2 HOME
R4 HOME
R5 HOME
P HOME
Z3 HOME
CN2 CN3 CN4 CN5
TB-10B
AP5 AXIO BD #1
(AXIO#1)
Y,Z,P,R,W HOME
X,Z,P,R,W HOME
ENTRY,WAIT,WORK,EXIT
VAC,BLOW
VAC,BLOW
VAC H1~H5 / PWR
HD007
to TB1
to TB1
to TB1
MD064
MD065
MD067
MD068
MD070
MD071
MD073
MD074
MD066
MD069
R3 HOME
MD072
Z1 Z2 Z3 Z4 Z5 P
R1 R2 R3 R4 R5
MD032
MD033
MD034
MD035
MD036
MD037
MD041
MD042
MD043
MD044
MD045
R1 HOME
Z5 HOME
Z4 HOME
Z2 HOME
Z1 HOME
R2 HOME
R4 HOME
R5 HOME
P HOME
Z3 HOME
MD064
MD065
MD067
MD068
MD070
MD071
MD073
MD074
MD066
MD069
R3 HOME
MD072
HEAD 1 Z,R,P HOME
HEAD 2 Z,R,P HOME
CV025
PC1-CAM
CAMERA LINK CABLE
CAMERA LINK CABLE
to PS5 (+48V)
to PS4 (+48V)
to PS3 (+5V)to PS3 (+5V)
CNACN1 CNACN1 CNACN1
CN1ACN1B CN1ACN1B CN1ACN1B CN1ACN1B CN1ACN1B CN1ACN1B
CN1ACN1B CN1ACN1B CN1ACN1B CN1ACN1B CN1ACN1B CN1ACN1B
RZ1
RZ2
RZ3
RP
RZ5
RZ4
CNACN1 CNACN1
X1
X2
CN5
SAFEGUARD OVERRIDE KEY
SM431_SC007
SC006
CUTTER
CUTTER
CUTTER
CUTTER
R1 R2 R3 R4 R5
VAC SOL #2
FIDUCIAL조명 #2
LSC #2 조명
(H1~H5)
BLOW SOL #2
(H1~H5)
ANC CLOSE/OPEN
STOPPER UP/DN
OP006
OP007
HEAD1 VACUUM SOL
CN28
PC001
BLOW OVER #1
(HEAD SOL)
HD007
VAC/BLOW
CN3
CN102
CN202
PW023
PS2 24V
CN202CN2 CN102 CN202 CN2 CN102
R1 R2 R3 R4 R5
FZ5
FZ4
FZ3
FZ2
FZ1
FP
RZ5
RZ4
RZ3
RZ2
RZ1
RP
Moving
Moving
PWR
PWR
MD011
MD008
MD017
회생저항
MD014
회생저항
회생저항
회생저항
REAR OP EMG SWITCH
CN1
CN2
OP004
PWR
HOME SNS
PWR
PWR
PWR
CN11
CN18 CN19 CN20 CN21 CN22 CN23
CN12 CN24 CN13CN14CN15CN17 CN16
SM431_CV004
BEFORE
AFTER
VIS006 (GORE)
VIS007 (3M)
CN9
CN10
CV010
ACN CLOSE 1
ACN OPEN 1
CN9
CN10
CV010
ACN CLOSE 2
ACN OPEN 2
CS033 CS034
CN19
CV035
FL3(L)-8-1
CRASH SENSOR
CV034
PW050
R STEP DRIVER R STEP DRIVER
R STEP DRIVER R STEP DRIVER
CN1 CN101CN102 CN1 CN101CN102
BNC
BNC
+5V
CN1
CN24P
PW051
SDP BOARD
(SDP1)
4P
12V
PC2-LSC
FL3(L)-6
FL3(L)-7
FL3(L)-4
FL3(L)-5
FL3(L)-2
FL3(L)-3
FL3(L)-1
FL4(R)-8-2
FL4(R)-1
FL4(R)-2
FL4(R)-3
FL4(R)-4
FL4(R)-5
FL4(R)-6
FL4(R)-7
PWR
PWR,HOME
FL1(L)-6
CN1 CN2
CAN
PWR
FL1(R)-5
PWR,HOME
HOME SNS
FL1(R)-6
FL1(L)-8
FL1(R)-7
FL1(R)-8
CN14 CN20
(CV2)
CAN CONVEYOR BOARD #2
CN3 CN4
CN14
CN10
CN19
CN2
CN9
PWR
CAN
CAN
CN8
TRAY FEEDER
CV003
CN21
PW001
PW002
TB
3A
7A
CA002
CA001
CA002
CN28
CV001

Page
HANWHA TECHWIN
112
SLM120/110
Harness Wiring Diagram 110

Page
HANWHA TECHWIN
113
SLM120/110
Blank