SLM110_120_TRM(Ver7.1_CS16.26).pdf - 第128页
Page HANWHA TECHWIN 11 6 SLM120/110 Feeder Board Interface 120 (2/4) ^4` ^5` ^6` ^7` ^8` ^9` ^:`

Page
HANWHA TECHWIN
115
SLM120/110
Feeder Board Interface 120 (1/4)
NO. Lev. PART NO. PART NAME Q'TY Old No. Supply Supply LT Reference
1 J90800840B FDR INPUT EXT CABLE ASSY 1
2 J90834175A F_FDR_SENSOR_INPUT_CABLE_ASSY 1
3 J90834177A R_FDR_SENSOR_INPUT_CABLE_ASSY 1

Page
HANWHA TECHWIN
116
SLM120/110
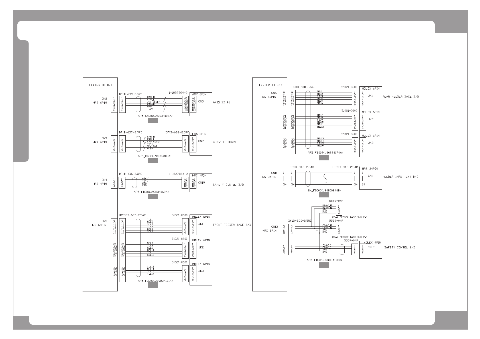
Feeder Board Interface 120 (2/4)
^4`
^5`
^6`
^7`
^8`
^9`
^:`

Page
HANWHA TECHWIN
117
SLM120/110
Feeder Board Interface 120 (2/4)
NO. Lev. PART NO. PART NAME Q'TY Old No. Supply Supply LT Reference
1 J90834107A AXIO_1_FD_CAN_CABLE_ASSY AXIO_1_FD_CAN_C 1
2 J90834108A FD_AX_SEN_BD_CAN_CABLE_ASSY AP5_CA002 1
3 J90834169A FDR_IO_PWR_CABLE_ASSY AP5_FD001 1
4 J90834171A F_FDR_SOL_OUTPUT_CABLE_ASSY AP5_FD002 1
5 J90834174A R_FDR_SOL_OUTPUT_CABLE_ASSY AP5_FD003 1
6 J90800840B FDR INPUT EXT CABLE ASSY 1
7 J90834178A FDR_BASE_PWR_CABEL_ASSY AP5_FD006 1