SLM110_120_TRM(Ver7.1_CS16.26).pdf - 第135页
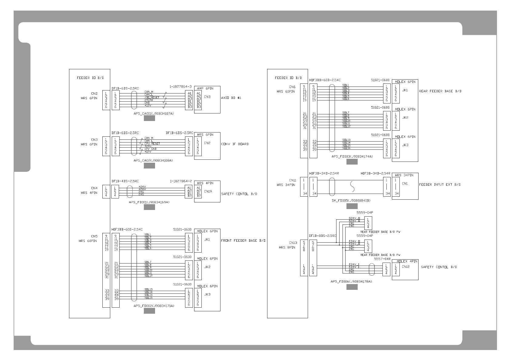
Page HANWHA TECHWIN 123 SLM120/110 Feeder Board Interface 110 (1/4) NO. Lev . P ART NO. P ART NAME Q'TY Old No. Supply Su pply L T Reference 1 J90800840B FDR INPUT EXT CABLE ASSY 1 2 J90834175A F_FDR_SENSOR_INPUT_CA…

Page
HANWHA TECHWIN
122
SLM120/110
Feeder Board Interface 110 (1/4)
^4`
^5`
^6`

Page
HANWHA TECHWIN
123
SLM120/110
Feeder Board Interface 110 (1/4)
NO. Lev. PART NO. PART NAME Q'TY Old No. Supply Supply LT Reference
1 J90800840B FDR INPUT EXT CABLE ASSY 1
2 J90834175A F_FDR_SENSOR_INPUT_CABLE_ASSY 1
3 J90834177A R_FDR_SENSOR_INPUT_CABLE_ASSY 1

Page
HANWHA TECHWIN
124
SLM120/110
Feeder Board Interface 110 (2/4)
^4`
^5`
^9`
^7`
^8`
^:`
^;`