SLM110_120_TRM(Ver7.1_CS16.26) - 第151页
Page HANWHA TECHWIN 139 SLM120/110 Conveyor Board Interface 120 (5/7) NO. Lev . PA R T N O . P ART NAME Q'TY Old No. Supply Supply L T Reference 1 J908341 1 1A L_CONV_IF_BD_CABL E_ASSY AP5_CS0 01 1 2 J908341 12A PCB…

Page
HANWHA TECHWIN
138
SLM120/110
Conveyor Board Interface 120 (5/7)
^4`
^5`
^6`
^7`
^<`
^43` ^44`
^8`
^:`
^;`
^45`
^46`
^9`
$0$

Page
HANWHA TECHWIN
139
SLM120/110
Conveyor Board Interface 120 (5/7)
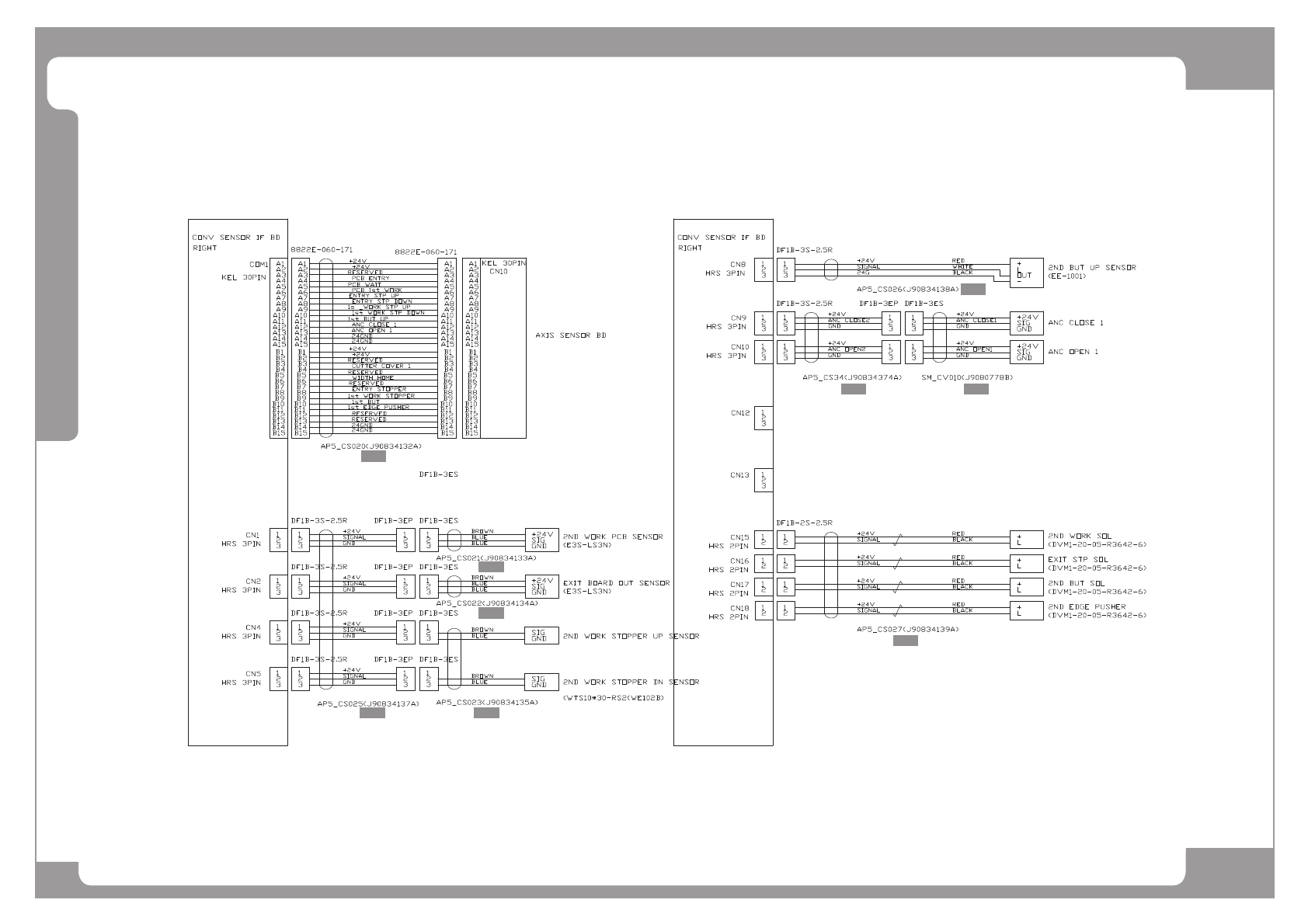
NO. Lev. PART NO. PART NAME Q'TY Old No. Supply Supply LT Reference
1 J90834111A L_CONV_IF_BD_CABLE_ASSY AP5_CS001 1
2 J90834112A PCB_ENTRY_SEN_CABLE_ASSY AP5_CS002 1
3 J90834113A PCB_WAIT_SEN_CABLE_ASSY AP5_CS003 1
4 J90834114A 1ST_WORK_PCB_SEN_CABLE_ASSY AP5_CS004 1
5 J90834117A LCV_SEN_EXT_CABLE_ASSY AP5_CS007 1
6 J90834116A WORK1_STP_UP_SEN_CABLE_ASSY AP5_CS006 1
7 J90834118A 1ST_BUT_UP_CABLE_ASSY AP5_CS008 1
8 J90834373A ANC_1_SENSOR_CABLE_ASSY AP5_CS033 1
9 J9080778B ANC SENSOR CABLE ASSY 1
10 AM03-003980A CUT_OPEN_SEN_EXT_CABLE_ASSY_1 AP5_CV021 1
11 J90833573A CUTTER_OPEN_SENSOR_CABLE_ASSY 1
12 J90834119A WIDTH_HOME_CABLE_ASSY AP5 1
13 J90834121A 1ST_CONVEYOR_SOL_CABLE AP5_CS011 1

Page
HANWHA TECHWIN
140
SLM120/110
Conveyor Board Interface 120 (6/7)
^4`
^5`
^6`
^;`
^7`
^9`
^:`
^<`
^8`