SLM110_120_TRM(Ver7.1_CS16.26) - 第157页
Page HANWHA TECHWIN 145 SLM120/110 Conveyor Board Interface 110 (1/6) NO. Lev . P ART NO. P ART NAME Q'TY Old No. Supply Su pply L T Reference 1 J90834108A FD_AX_SEN_BD_CAN _CABLE_ASSY AP5_CA002 1 2 AM03-013472 B CO…

Page
HANWHA TECHWIN
144
SLM120/110
Conveyor Board Interface 110 (1/6)
^4`
^5` ^6`
^7`
^8`
^9` ^:`
^;`
^<`

Page
HANWHA TECHWIN
145
SLM120/110
Conveyor Board Interface 110 (1/6)
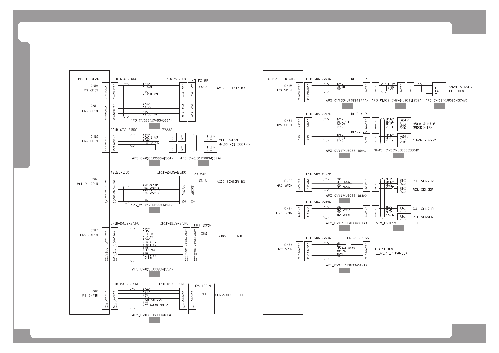
NO. Lev. PART NO. PART NAME Q'TY Old No. Supply Supply LT Reference
1 J90834108A FD_AX_SEN_BD_CAN_CABLE_ASSY AP5_CA002 1
2 AM03-013472B CONV_HEAD_1_CAN_CABLE_ASSY AP5_CA003 1 J90834109A/AM03-013472A
3 J90611826A FLAT_CABLE_ASSY AP5_FL001 1
4 J90834148A CONV_IF_BD_POWER_CABLE_ASSY AP5_CV004 1
5 J90834131A AXIS_SEN_BD_IO_CABLE_ASSY AP5_CS019 1
6 J90834158A OP_SW_OUTPUT_CABLE_ASSY AP5_CV014 1
7 J90834367A ANC_SOL_CABLE_ASSY AP5_CV025 1
8 J90834150A TOWER_LAMP_EXT_CABLE_ASSY AP5_CV006 1
9 J90834151A INLINE_IN_OUT_CABLE_ASSY AP5_CV007 1

Page
HANWHA TECHWIN
146
SLM120/110
Conveyor Board Interface 110 (2/6)
^4`
^5` ^6`
^7`
^7`
^<` ^43`
^44`
^47`
^8`
^9`
^:`
^;`
^45` ^46`
AM03-000699A