SLM110_120_TRM(Ver7.1_CS16.26) - 第165页
Page HANWHA TECHWIN 153 SLM120/110 Conveyor Board Interface 110 (5/6) NO. Lev . P ART NO. P ART NAME Q'TY Old No. Supply Su pply L T Reference 1 J90834132A R_CONV_IF_BD_CABLE_ASSY AP 5_CS020 1 2 J90834133A PCB_2ND_W…

Page
HANWHA TECHWIN
152
SLM120/110
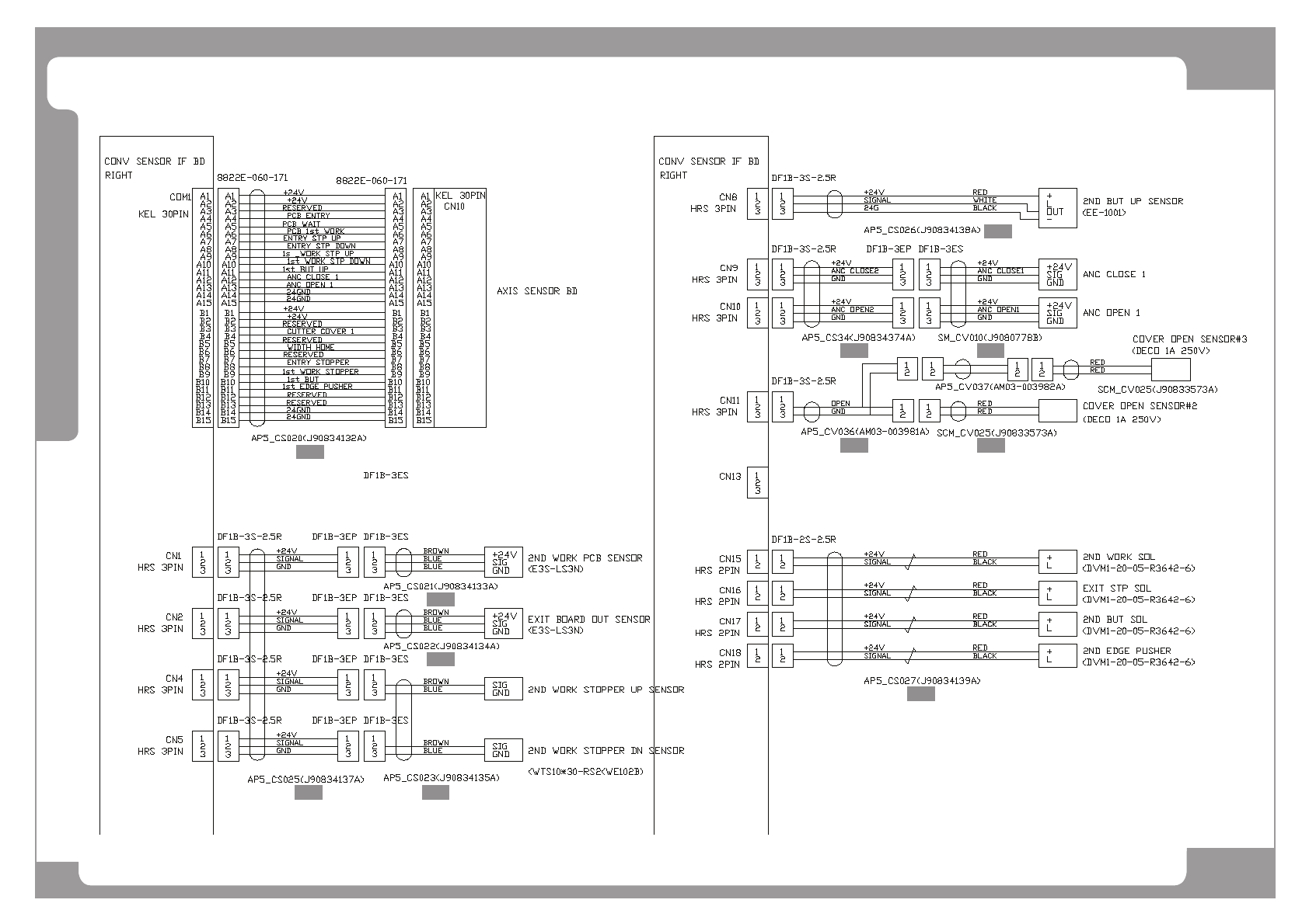
Conveyor Board Interface 110 (5/6)
^4`
^5`
^6`
^;`
^7`
^9`
^:`
^44`
^8`
^43`
^<`

Page
HANWHA TECHWIN
153
SLM120/110
Conveyor Board Interface 110 (5/6)
NO. Lev. PART NO. PART NAME Q'TY Old No. Supply Supply LT Reference
1 J90834132A R_CONV_IF_BD_CABLE_ASSY AP5_CS020 1
2 J90834133A PCB_2ND_WORK_CABLE_ASSY AP5_CS021 1
3 J90834134A EXIT_BOARD_OUT_CABLE_ASSY AP5_CS022 1
4 J90834137A RCV_SEN_EXT_CABLE_ASSY AP5_CS025 1
5 J90834135A WORK_STP_UP_DN_CABLE_ASSY AP5_CS023 1
6 J90834138A 2ND_BUT_UP_CABLE_ASSY AP5_CS026 1
7 J90834374A ANC_2_SENSOR_CABLE_ASSY AP5_CS034 1
8 J9080778B ANC SENSOR CABLE ASSY 1
9 AM03-003981A CUT_OPEN_SEN_EXT_CABLE_ASSY_2 1
10 J90833573A CUTTER_OPEN_SENSOR_CABLE_ASSY 1
11 J90834139A 2ND_CONVEYOR_SOL_CABLE AP5_CS027 1

Page
HANWHA TECHWIN
154
SLM120/110
Conveyor Board Interface 110 (6/6)
^4`
^5`
^6`
^;`
^7`
^9`
^:`
^<`
^8`
J70521673A