SLM110_120_TRM(Ver7.1_CS16.26) - 第237页
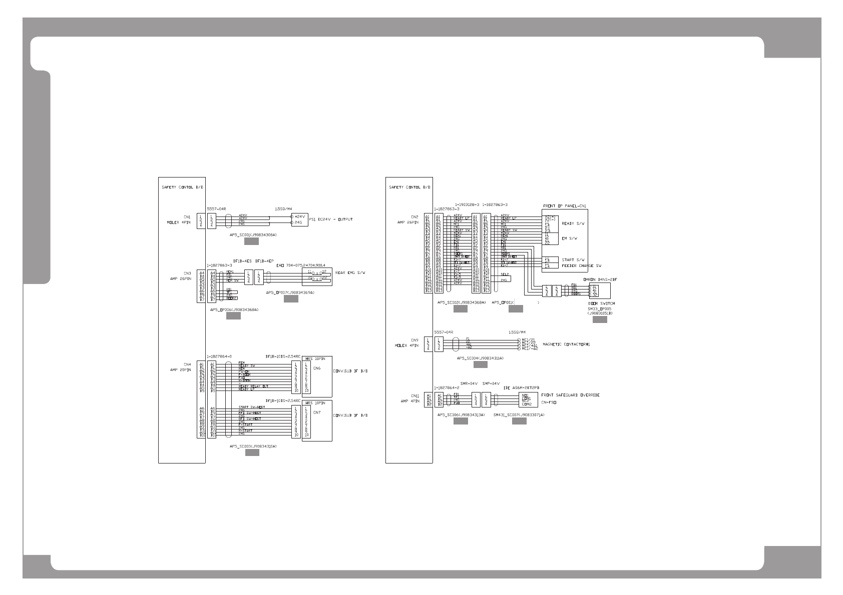
Page HANWHA TECHWIN 225 SLM120/110 Safety Interlock Interface 120 (1/2) NO. Lev . P ART NO. P ART NAME Q'TY Old No. Supply Su pply L T Reference 1 J90834308 A PS1_SC_ CN1_PWR_CABLE _ASSY AP5_SC001 1 2 J90834369A REA…

Page
HANWHA TECHWIN
224
SLM120/110
Safety Interlock Interface 120 (1/2)
^4`
^5`
^6`
^7`
^:`
^8`
^;` ^<`
^6`
^9`
-$

Page
HANWHA TECHWIN
225
SLM120/110
Safety Interlock Interface 120 (1/2)
NO. Lev. PART NO. PART NAME Q'TY Old No. Supply Supply LT Reference
1 J90834308A PS1_SC_CN1_PWR_CABLE_ASSY AP5_SC001 1
2 J90834369A REAR_EMG_S/W_CABLE_ASSY AP5_OP007 1
3 J90834368A REAR_EMG_S/W_EXT_CABLE_ASSY AP5_OP006 2
4 J90834310A CONVEYOR_SUB_CONN_CABLE_ASSY AP5_SC003 1
5 J70521673A OP_PANEL_ASSY AP5_OP001 1
6 J90831051B FRONT_REAR_DOOR_SW_CABLE_ASSY 1
7 J90834311A MAGNETIC_CONTACTOR_CABLE_ASSY 1
8 J90834313A OVERRIDE_KEY_EXT_CABLE_ASSY AP5_SC006 1
9 J90833071A SAFEGUARD OVERRIDE SW CABLE SM431_SC007 1

Page
HANWHA TECHWIN
226
SLM120/110
Safety Interlock Interface 120 (2/2)
^4`
^5`
^6`
^7`
^9`
^7`
^:`
^9`
^8`
^;`