SLM110_120_TRM(Ver7.1_CS16.26).pdf - 第247页
Page HANWHA TECHWIN 235 SLM120/110 Electric Circuit Diagram 120 (2/5) NO. Lev . P ART NO. P ART NAME Q'TY Old No. Supply Su pply L T Reference 1 J90831063A MAIN_POWER_CAB LE_ASSY SM33 -PW001 1 2 J90834263A MCCB_MAIN…

Page
HANWHA TECHWIN
234
SLM120/110
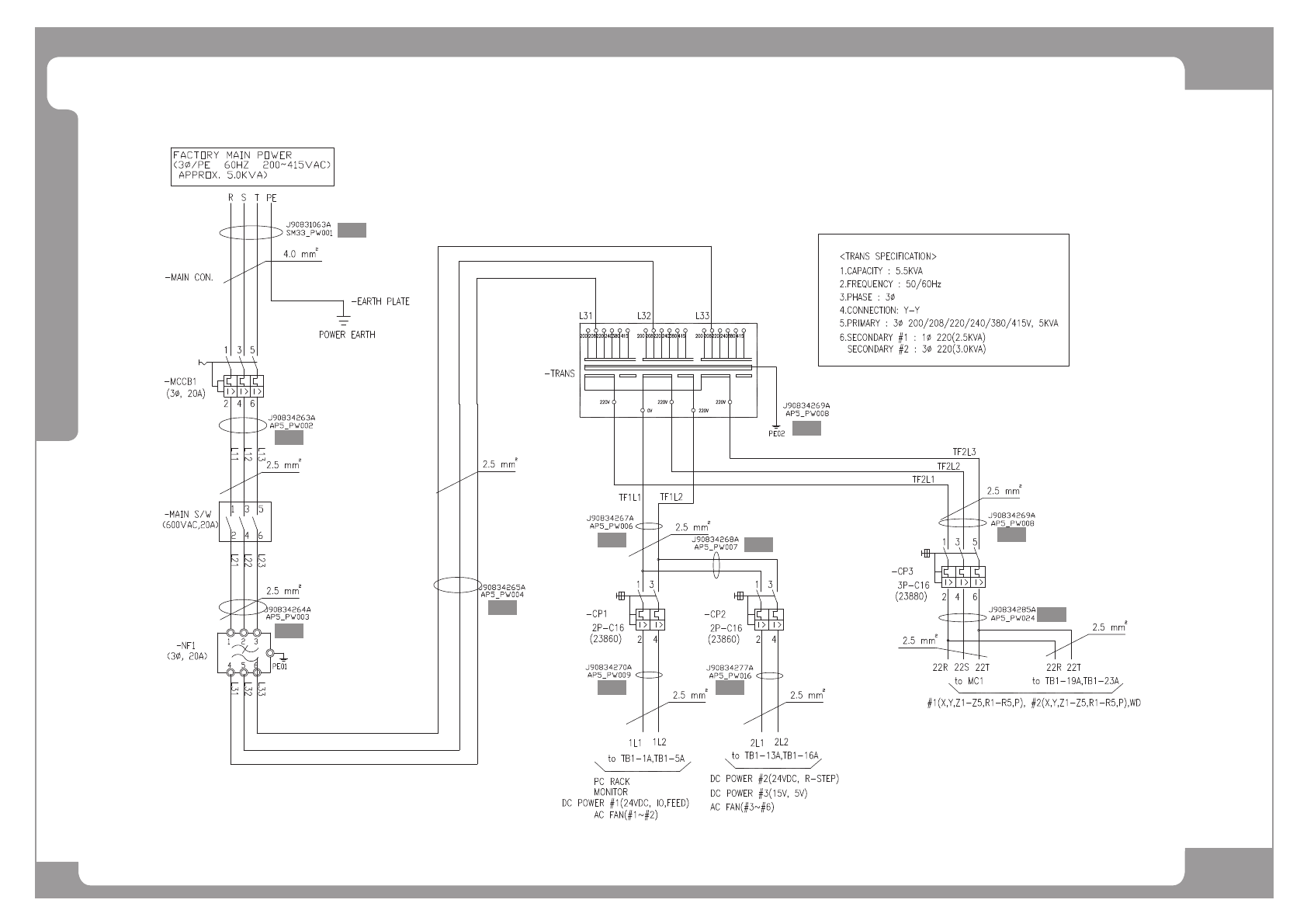
Electric Circuit Diagram 120 (2/5)
^4`
^5`
^6`
^7`
^9`
^8`
^:`
^;` ^<`
^8`
^43`

Page
HANWHA TECHWIN
235
SLM120/110
Electric Circuit Diagram 120 (2/5)
NO. Lev. PART NO. PART NAME Q'TY Old No. Supply Supply LT Reference
1 J90831063A MAIN_POWER_CABLE_ASSY SM33-PW001 1
2 J90834263A MCCB_MAIN_SWITCH_CABLE_ASSY AP5_PW002 1
3 J90834264A MAIN_SWITCH_NF1_CABLE_ASSY AP5_PW003 1
4 J90834265A NOISE_FILTER_TB2_CABLE_ASSY AP5_PW004 1
5 J90834269A TRANS_CP3_CABLE_ASSY AP5_PW008 2
6 J90834267A TRANS_CP1_CABLE_ASSY AP5_PW006 1
7 J90834268A TRANS_CP2_CABLE_ASSY AP5_PW007 1
8 J90834270A CP1_TB1_CABLE_ASSY AP5_PW009 1
9 J90834277A CP2_TB1_CABLE_ASSY AP5_PW016 1
10 J90834285A CP3_TB1_MC1_CABLE_ASSY AP5_PW024 1

Page
HANWHA TECHWIN
236
SLM120/110
Electric Circuit Diagram 120 (3/5)
^4`
^5`
^7`
^9`
^8`
^6`
^6`